Станция сварки роботов серии RWS с 6-осной рукой робота КавасакиCO2 MIG MAG TIG Сваркадля электрического велосипеда / мотоцикла
Особенности:
Робот BA006N

КАБ с протяжённой рукойРобот для сварки с аркой
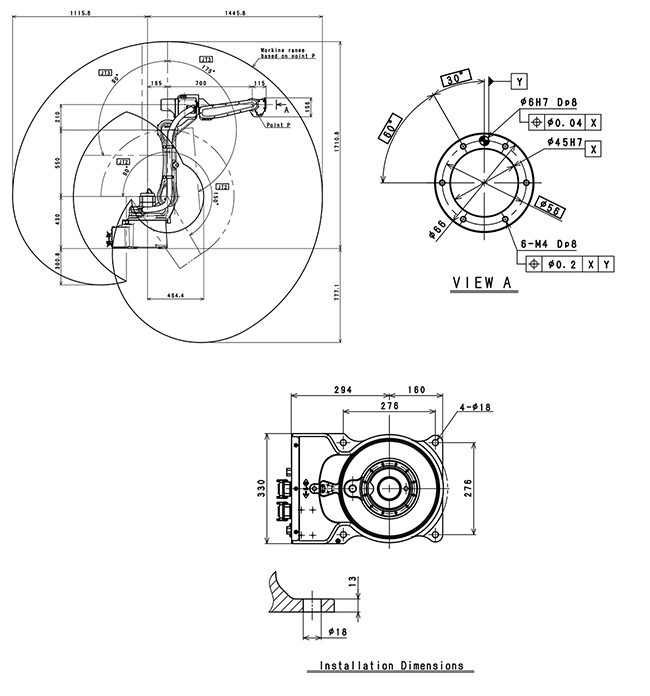
Диапазон и размеры движения
Показаны размеры в мм.

Справочник BA006N
| Справочник BA006N | ||
| Тип | Сочлененный робот | |
| Степень свободы | 6 | |
| Максимальная полезная нагрузка (кг) | 6 | |
| Максимальная протяженность (мм) | 1,445 | |
| Позиционная повторяемость (мм) | ±0.06 | |
| Диапазон движения (°) | Повороты рук (JT1) | ±165 |
| Рука вверх (JT2) | +150 - -90 | |
| Рука вверх-вниз (JT3) | +45 - −175 | |
| Сдвигатель запястья (JT4) | ± 180 | |
| Сгибание запястья (JT5) | ±135 | |
| Сгибание запястья (JT6) | ± 360 | |
| Максимальная скорость (°/с) | Повороты рук (JT1) | 240 |
| Рука вверх (JT2) | 240 | |
| Рука вверх-вниз (JT3) | 220 | |
| Сдвигатель запястья (JT4) | 430 | |
| Сгибание запястья (JT5) | 430 | |
| Сгибание запястья (JT6) | 650 | |
| Момент (N•m) | Сдвигатель запястья (JT4) | 12 |
| Сгибание запястья (JT5) | 12 | |
| Сгибание запястья (JT6) | 3.75 | |
| Момент инерции (кг•м2) | Сдвигатель запястья (JT4) | 0.4 |
| Сгибание запястья (JT5) | 0.4 | |
| Сгибание запястья (JT6) | 0.07 | |
| Масса (кг) | 150 | |
| Цвет тела | эквивалент Munsell 10GY9/1 | |
| Установка | Пол, потолок | |
| Условия окружающей среды | Температура окружающей среды (°C) | 0 - 45 |
| Относительная влажность (%) | 35 - 85 (не допускается роса и мороз) | |
| Потребность в энергии (kVA) 2 | 2.0 | |
| Степень защиты | IP65 | |
| Контроллер | Америка | Е01 |
| Европейский союз | ||
| Япония и Азия | ||
₹1: соответствует стандарту ISO9283
₹2: зависит от полезной нагрузки и движения
Машины в эксплуатации:

Фотообразцы:
