Совместимый сверлить PCB шпинделя CNC H916C 160,000RPM KLAB160C высокоскоростной
Быстрая деталь:
|
МОДЕЛЬ |
ЗАМЕНИТЕ ДЛЯ |
ОПИСАНИЕ |
Применение |
Справка машины |
|
KLAB160C |
H916C |
РЯД СКОРОСТИ: 20.000 до 160.000 rpm Сверлить точности Ø6.35mm-0.05mm |
СВЕРЛИТЬ ТОЧНОСТИ PCB |
KLINGINBERG PLURITEC ХИТАЧИ LENZ АНДЕРСОН…. |
ХАРАКТЕР ПРОДУКЦИИ
МОДЕЛЬ: KLAB160C
ЗАМЕНИТЕ ДЛЯ: H916C
РЯД СКОРОСТИ: 20.000 до 160.000 rpm
ТИП ПОДШИПНИКА: Подшипник воздуха
ВЕС ШПИНДЕЛЯ: 3.2kg
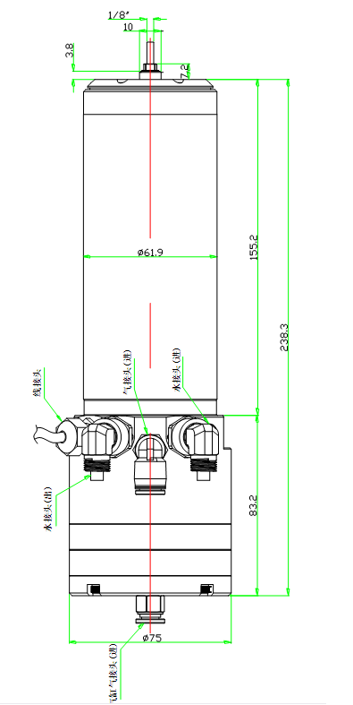
РАЗМЕР COLLET: Ø1/8»
РАЗМЕР ТЕЛА: Ø 61,9
Максимальная сила: 0.75KW
Хладоагент: Масло воды
Фикчированное напряжение тока: 215V
Фикчированное течение: 3A
Статический Runout:<2>
Динамический Runout:<8>
Вибрация: 1.0MM/S
Конкурентное преимущество:
НИЗКО STATIC
НИЗКИЙ ДИНАМИЧЕСКИЙ БЕГ ВНЕ
СТАБИЛИЗИРОВАННЫЕ ХАРАКТЕР И ДЛИННАЯ ЖИЗНЬ
СООТВЕТСТВУЮЩИЙ ДЛЯ СВЕРЛИТЬ ТОЧНОСТИ
ПРИМЕНЕНИЕ:
СВЕРЛИТЬ ТОЧНОСТИ МОНТАЖНОЙ ПЛАТЫ ПЕЧАТИ
РЯД ОТВЕРСТИЯ: Ø6.35mm-0.05mm
СПРАВКА МАШИНЫ: KLINGINBERG PLURITEC; ХИТАЧИ; LENZ; АНДЕРСОН….
СПЕЦИФИКАЦИЯ:
|
Статический runout |
<2> |
|
Динамический runout |
<8> |
|
Вращающий момент Collet (N.cm) |
>=125 (1/8") |
|
Вибрация |
1.0MM/S |
|
Размер Collet |
Ø1/8» |
|
Омы KΩ датчика температуры |
R=10±3% НА 25℃ |
|
Раскройте воздушное давление |
<4> |
|
Закройте presure воздуха |
>² 2,5 kg/cm |
|
Поток воды хладоагента |
>1,4 (Л/МИН) |
|
Поток масла хладоагента |
>2,7 (Л/МИН) |
|
Воздух уничтожает поток |
45 (Л/МИН) |
|
Радиальная нагрузка |
5.5kgf |
|
Воздушное давление |
² 6,0 kgf/cm |
ЧЕРТЕЖ ПЛАНА ШПИНДЕЛЯ KLAB160C


КОММЕНТАРИЙ КАЧЕСТВА ОТ КЛИЕНТА
