Совместимый СВЕРЛИТЬ ТОЧНОСТИ PCB шпинделя подшипника воздуха WESTWIND WWD1822 200,000RPM KL200L
Быстрая деталь:
|
МОДЕЛЬ |
ЗАМЕНИТЕ ДЛЯ |
ОПИСАНИЕ |
Применение |
Справка машины |
|
KL200L |
D1822 |
РЯД СКОРОСТИ: 20.000 до 200.000 rpm Ø6.35mm-0.05mm сверлить точности |
Статический бег вне:<2> Динамический бег вне:<8> Вибрация: 0,5 MM/S
|
KLINGINBERG PLURITEC ХИТАЧИ LENZ SCHMOLL АНДЕРСОН…. |
ХАРАКТЕР ПРОДУКЦИИ
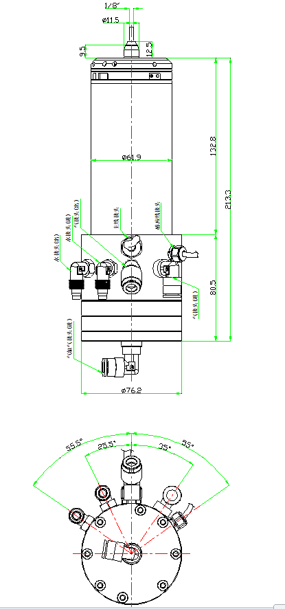
Вращения скорости KL200L шпиндель более высокого и более высокой точности заменяет для полного диапасона WESTWIND WW D1822 от 20.000 до 200.000 rpm, подшипник воздуха печатает внутри длинную жизнь на машинке, вес 4.3kg шпинделя с размером 1/8" COLLET и размером тела Ø 61,9. '
Максимальная сила: 0.9KW
Воздушное давление: ² 6,0 -6.5kgf/cm
Хладоагент: Масло воды
Фикчированное напряжение тока: 215V
Фикчированное течение: 4A
ЧАСТОТА (HZ): 334-3570
PTC или ДАТЧИК NTC для выбирают (данные pl. дознание)
Конкурентное преимущество:
Низко Static
Низкий динамический БЕГ ВНЕ
Стабилизированные характер и длинная жизнь
Сила и очень низкотермичное поколение
Изменение инструмента фидера ATC/ATC для micromachining
Преимущество KLKJ
Более высокие скорости шпинделя доступные прибавлять на увеличенная урожайность пока обеспечивающ что точность и повторимость поддержаны.
Предварительный анализ и детальная конструкция создавали шпиндель с исключительнейшей надежностью и увеличенной эффективностью.
ПРИМЕНЕНИЕ:
СВЕРЛИТЬ ТОЧНОСТИ МОНТАЖНОЙ ПЛАТЫ ПЕЧАТИ
РЯД ОТВЕРСТИЯ: Ø6.35mm-0.05mm
СПРАВКА МАШИНЫ: KLINGINBERG PLURITEC; ХИТАЧИ; LENZ; АНДЕРСОН; SCHMOLL….
СПЕЦИФИКАЦИЯ:
|
Температура воды хладоагента |
20+2 |
|
Статический runout |
<2> |
|
Динамический runout |
<8> |
|
Вращающий момент Collet (N.cm) |
>15.2 (1/8") |
|
Вибрация |
0.5MM/S |
|
Омы KΩ датчика температуры |
R=0.10±5% НА 25℃ |
|
Раскройте воздушное давление |
<5> |
|
Закройте воздушное давление |
>² 2,5 kg/cm |
|
Поток воды хладоагента |
>0,8 (Л/МИН) |
|
Поток масла хладоагента |
>1,5 (Л/МИН) |
|
Воздух уничтожает поток на 20krpm |
58 (Л/МИН) |
|
Радиальная нагрузка |
6.0kgf |
Чертеж плана шпинделя

Качество шпинделя и комментарий обслуживания от клиента
