









| Поляризационный микроскоп серии A15.1091 | А15.1091 | Ката. Нет. | |||
| -Т | -ТР. | - Р | |||
| Оптическая система | Бесконечная оптическая система NIS60 | ● | ● | ● | |
| Метод наблюдения | Яркое поле | ● | ● | ● | |
| Тёмное поле, | ○ | ○ | ○ | ||
| Поляризация | ● | ● | ● | ||
| Контраст фазы | ○ | ○ | ○ | ||
| Флуоресцентные | ○ | ○ | ○ | ||
| DIC | ○ | ○ | ○ | ||
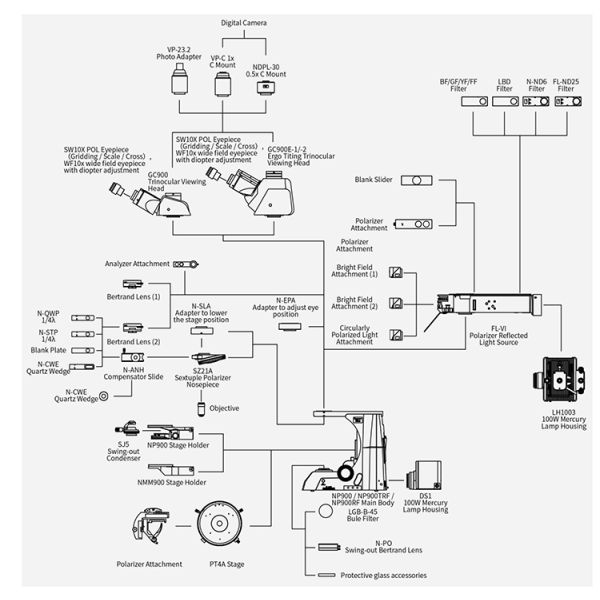
| Основной корпус | BHУчебное пособиеТело +ГалогенОсвещение. | ● | ● | ● | A54.1090-BH |
| BLУчебное пособиеТело +СветодиодныеОсвещение. | ○ | ○ | ○ | A54.1090-BL | |
| АТГПолуавтоматическиеТело +ГалогенОсвещение. Автомобильный конденсатор + Автомобильный конденсатор + Автомобильное регулирование яркости |
○ | ○ | ○ | A54.1090-ATH | |
| ATLПолуавтоматическиеТело +СветодиодныеОсвещение. Автомобильный конденсатор + Автомобильный конденсатор + Автомобильное регулирование яркости |
○ | ○ | ○ | A54.1090-ATL | |
| Голова | Сидение бинокулярной головы, наклон 30°, Расстояние между зеницами 47-78 мм |
○ | ○ | ○ | A53.1090-B |
| Сидение тринукулярной головы, наклон 30°, Расстояние между зеницами 47-78 мм, 3 уровне освещенности разделенный переключатель E100:P0/E20:P80/E0:P100 |
● | ○ | ○ | A53.1090-T | |
| Ergo наклоняющаяся тринокулярная голова, наклон 0°~35°, Расстояние между зеницами 47-78 мм, 3 уровне освещенности разделенный переключатель E100:P0/E20:P80/E0:P100 |
○ | ● | ● | A53.1090-TT | |
| Очки | EW10x/22mm, высокая точка зрения, регулируемая диоптрией, диаметром.30mm | ● | ● | ● | A51.1090-1022 |
| EW10x/22mm, с перекрестной шкалой, с распознавательным штифтом, для поляризации | ● | ● | ● | A51.1090-1022S | |
| EW10x/22mm, с перекрестными волосками, для поляризации | ○ | ○ | ○ | A51.1090-1022C | |
| EW10x/22mm, с решетчатой пластиной, с распознавательным булавом, для поляризации | ○ | ○ | ○ | A51.1090-1022G | |
| EW12.5x/16 мм, высокая точка зрения | ○ | ○ | ○ | A51.1090-12516 | |
| WF15x/16mm, высокая точка зрения, регулируемая диоптрией, диаметром 30 мм | ○ | ○ | ○ | A51.1090-1516 | |
| WF20x/12mm, высокая точка обзора, регулируемая диоптрией, диаметром 30 мм | ○ | ○ | ○ | A51.1090-2012 | |
| Носовая решетка | Ручная носовая, пятикратная, назад, регулируемая в центре | ● | ● | ● | A54.1091-5M |
| С слотом для поляризации Компенсаторный слайдер или Слайдер DIC | ● | ● | ● | ||
| Защитное покрытие для носовых отверстий | ● | ● | ● | A54.1091-C | |
| NIS60 Цель бесконтактного плана без напряжения | 4х/0.1, W.D.30mm, PL, без крышки стекла | ● | - | - | A5P.1091-4 |
| 10х/0.25У.Д.10.2мм, PL, без крышки стекла | ● | - | - | A5P.1091-10 | |
| 20х/0.4, W.D.12mm, PL, без крышки стекла | ● | - | - | A5P.1091-20 | |
| 40х/0.65У.Д.0.7 мм, PL, без крышки стекла | ● | ● | - | A5P.1091-40 | |
| 100х/1.25У.Д.0.2мм, PL, без крышки стекла | ● | ● | - | A5P.1091-100 | |
| NIS60 Цель бесконтактного плана без напряжения полу-APO | 5х/0.15, W.D.20mm, Semi-APO, PL, без крышки стекла | - | ● | ● | A5P.1092-5 |
| 10х/0.3, W.D.11mm, полу-APO, PL, без крышки стекла | - | ● | ● | A5P.1092-10 | |
| 20х/0.45У.Д.3.0 мм, полу-APO, PL, без крышки стекла | - | ● | ● | A5P.1092-20 | |
| 50х/0.8У.Д.1.0мм, APO, PL, без крытого стекла | - | ● | ● | A5P.1092-50 | |
| 100х/0.9У.Д.1.0мм, APO, PL, без крытого стекла | - | ● | ● | A5P.1092-100 | |
| Рабочая стадия | Высокоточная предварительно регулируемая вращающаяся круглая ступень, диаметр 190 мм,Центр регулируется, 360° масштаб, минимум разделения 1°, минимум чтения 6 ́ с помощью шкалы Вернье, 45° нажмите на кнопку остановки. | ● | ● | ● | А54.1094 |
| Присоединяемая передвижная ступень, диапазон передвижения 30x30 мм | ● | ● | ● | A54.1094-R | |
| Конденсатор | Конденсатор с подвижной установкой NA0,9/0.25 | ● | ● | ● | A56.1091-S |
| Сосредоточиться | Коаксиальная грубая и тонкая фокусировка, тонкое разделение 0,001 мм, диапазон фокусировки 35 мм, грубый ход 37,7 мм, тонкий ход 0,1 мм, может обмениваться ручным колесом между левым / правым | ● | ● | ● | |
| Поляризатор и компенсатор | Бертран Линза промежуточный блок, с слотом для компенсаторного слайда | ● | ● | ● | A5P.1090-CB |
| λ Слайд компенсатора | ● | ● | ● | A5P.1090-Cλ | |
| λ1/4 Компенсаторный слайд | ● | ● | ● | A5P.1090-C1/4λ | |
| Кварцевый клин | ● | ● | ● | A5P.1090-CQ | |
| Пустой слайд | ● | ● | ● | A5P.1090-BS | |
| Передать Источник света |
ПередатьОсвещение Колера, регулируемая яркость, 12V100W галоген, внешний дом лампы ЭкологическоеФункция поддержки Автоматическое отключение после 30 мин от оператора, чтобы сэкономить энергию |
● | ● | - | A56.1090-12V100W |
| ПоляризацияДля передачи света | Защитное стекло | ● | ● | - | A5P.1090-G |
| Передай поляризатор, вылезай. | ● | ● | - | A5P.1090-TP | |
| Передать слайд анализатора | ● | ● | - | A5P.1090-TA | |
| Фильтр для передачи света | Фильтр-держатель на базе, может содержать 3 фильтра | ● | ● | - | A56.1092-H |
| Фильтр LBD | ● | ● | - | A56.1092-LBD | |
| Фильтр зеленый | ● | ● | - | A56.1092-G | |
| Фильтр желтый | ● | ● | - | A56.1092-Y | |
| Фильтр ND6 | ● | ● | - | A56.1092-ND6 | |
| Фильтр ND25 | ● | ● | - | A56.1092-ND25 | |
| Подумайте. Источник света |
Подумайте.Эпиполяризующий иллюминатор, диска башни с 6 позициями для фильтровального блока, освещение Kohler | - | ● | ● | А5П.1090 |
| 12V100W корпус галогенной лампы | - | ● | ● | A5P.1090-100W | |
| Блок просмотра BF1 | - | ● | ● | A5P.1090-B1 | |
| Блок просмотра BF2 | - | ● | ● | A5P.1090-B2 | |
| ПоляризацияДля отражения света | Круглополярный световой блок | - | ● | ● | A5P.1090-CP |
| Отражающий поляризатор | - | ● | ● | A5P.1090-RP | |
| Слайд анализатора отражения, вращение на 360°, минимальное чтение шкалы 0,1o | - | ● | ● | A5P.1090-RA | |
| Пустой слайд | - | ● | ● | A5P.1090-E | |
| Фильтр для Отражайте свет |
Синий фильтр | - | ● | ● | A56.1093-B |
| Фильтр зеленый | - | ● | ● | A56.1093-G | |
| Фильтр желтый | - | ● | ● | A56.1093-Y | |
| Фильтр лесистый | - | ● | ● | A56.1093-F | |
| Адаптер | Диаграмма адаптера окуляра.23.2 мм | ○ | ○ | ○ | A55.1090-E |
| C-Mount 1.0x | ○ | ○ | ○ | A55.1090-10 | |
| С-подставка 0,5x | ○ | ○ | ○ | A55.1090-05 | |
| Другие аксессуары | Подвеска для держателя рабочей ступени | ● | ● | ● | А54.1096 |
| Адаптер для регулировки положения глаз | ○ | ○ | ○ | A54.1096-A1 | |
| Адаптер для понижения положения ступени 1" | ○ | ○ | ○ | A54.1096-A2 | |
| Масло для погружения | ○ | ○ | ○ | A50.1090-01 | |
| Аллен Ключ | ● | ● | ● | A50.1090-02 | |
| Электрический шнур | ● | ● | ● | A50.1090-03 | |
| Короткое покрытие для глаз | ○ | ○ | ○ | A50.1090-04 | |
| Длинное покрытие для глаз | ○ | ○ | ○ | A50.1090-05 | |
| Микрометр окуляра, перекресток | ○ | ○ | ○ | A50.1090-06 | |
| Кольцо адаптера для установки микрометра окуляра | ○ | ○ | ○ | A50.1090-07 | |
| Кабель USB | ○ | ○ | ○ | A50.1090-08 | |
| Примечание:"●"На столе стандартные наряды".○" Дополнительные аксессуары " - недоступен | |||||








