Аксессуары кабеля продуктов серии шинопровода Двух-пропуска 630A EPDM для использования энергетической промышленности
Шинопровод двух-пропуска RY MP2-10/630 сделан из импортированной высококачественной резины EPDM в одном инжекционном методе литья, который действует как шинопровод в групповой цепи кабеля, которая может осуществить функцию провода в проводе промежутка времени вне, или осуществляет функцию удлинять провод.
Применимые поля:
Продукт небольшой и компактен, и размер интерфейса соответствует стандартному C типа интерфейсу. Он широко использован в подземной ответвительной коробке в канаве кабеля.
Электрическое представление
| Описание | Технические параметры |
| Расклассифицированное напряжение тока | 10kV |
| Расклассифицированное течение | 630A |
| частота силы 5 минут выдерживает напряжение тока | 39 kV |
| Частично разрядка | Q≤ 10pC@15 kV |
| Импульс молнии выдерживает напряжение тока | 95 kV |
| Кратковременный выдержите течение | 20kA |
| Пик выдерживает течение | 63kA |
| Директива: GB/T12706.4, IEC60502.4 | |
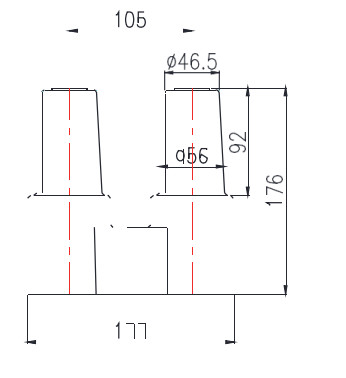
Размеры

вопросы и ответы
1. Кто мы?
Мы профессиональны в холодной индустрии сокращения. Наши продукты были экспортированы к Америке, Австралии, Египту, Тайваню, Индии, Индонезии, Египту, Испании, Италии и Германии etc, странам Европы. В настоящее время, мы уже объединили много известных компаний в индустрии электрических и радиосвязи.
2. Как можем мы гарантировать качество?
Всегда образец подготовки производства перед массовым производством;
Всегда финальная инспекция перед пересылкой;
3.What может вы купить от нас?
продукты холодной серии сокращения герметизируя, включая подгонянные машины обработки и наборы продуктов, для примеров: обработка замотки и расширять машины, закручивая в спираль материал прокладки/трубки поддерживая, сокращение EPDM холодные трубка и набор аксессуаров кабеля силикона в энергетической промышленности радиосвязи и электропитания.
4. Почему должны вы купить от нас не от других поставщиков?
Леты фокусируют на материале инфраструктуры телекоммуникаций и силы, с опытными инженером и работниками, с полностью готовым решением для холодной линии сокращения для того чтобы разрешить полностью вашу проблему в этой индустрии с конкурентоспособной ценой.
5. Какие обслуживания можем мы обеспечить?
Принятые условия доставки: Условия стандарта ОБМАНЫВАЙТЕ, CIF, EXW международные и радушное коммерчески обсуждение терминам;
Принятая валюта оплаты: USD, EUR, JPY, CAD, AUD, HKD, GBP, CNY, CHF;
Принятый тип оплаты: T/T, L/C, кредитная карточка, PayPal, западное соединение, наличные деньги, Escrow;
Язык: Английский, китайский, испанский, японский, португальский, немецкий, арабский, французский, русский, кореец, Хинди, итальянский
Пересылка: доставка срочных, моря и воздуха.