Стальной канал Furring формировать машину для стальной ферменной конструкции потолка крыши
Технические данные канала Furring свертывают формирующ машину
|
Материал катушки |
Толщина | 0.4-1.0mm |
| Ширина катушки | выполненный на заказ | |
| Прочность выхода | 250-350Mpa | |
| Материал | GI. | |
| Decoiler/Uncoiler | Ширина катушки | Выполненный на заказ |
| Удостоверение личности | 508-610mm | |
| O.D | Максимальное 1500mm | |
| Вес катушки | 2-3Ton | |
| Крен формируя машину | Формировать станции | 10 станций (профили быть в зависимости от) |
| Материал ролика | сталь 45#, отделывает поверхность покрынный с кромом 0.05mm трудным | |
| Диаметр вала | 76mm | |
| Материал вала | Сталь высокой ранга 45# | |
| Тип дисковода | Цепная передача | |
| Формировать скорость | 0-15m/min | |
| Главная сила | 4KW | |
| Резать | Тип вырезывания | Гидровлическое вырезывание |
| Мощность резания | 3KW | |
| Допуск вырезывания | 10m+/-1.5mm | |
| Шифратор | Тавро OMRON | |
| Электрическое управление | PLC | Тавро PANASONIC или выполненное на заказ |
| Инвертор | Тавро YASKAWA или выполненное на заказ | |
| Экран касания | Тавро MCGS или выполненное на заказ | |
| Тип деятельности | Экран & кнопка касания | |
| Гидровлическая станция | Гидровлическая станция | Известное китайское тавро |
| Таблица Runout | Тип таблицы | Простой тип nonpower |
| Функция | Поддержать законченные панели |
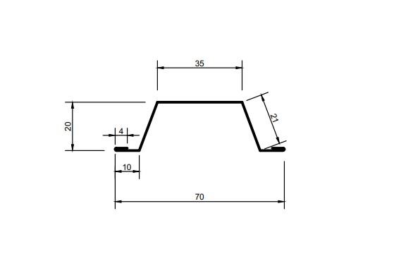
Чертеж профиля канала Furring справки



Применение
Metal стержень и след, стальной стержень и след, стержень c, бегунок u, след u, furring канал, половая доска потолка крыши, ферменная конструкция крыши, ферменная конструкция c, облегченная стальная ферменная конструкция…

Преимущество TECHWELL
Изображения крена Purlin канала Furring формируя машину

