Крен крыши свода К-пяди формируя машину для панели крыши большой пяди толщины 0,8 до 1.5мм
Основные спецификации крена крыши свода К-пяди формируя машину
| Ширина катушки | Согласовывать профилеРоллинг скорость |
| Скорость завальцовки | 12-15м/мин |
| Толщина завальцовки | 0.8-1.5мм |
| Система управления | Управление ПЛК |
| Ункоилер | Ручной или гидравлический тип |
| Станции ролика | Около 17 станций (согласовывая окончательный дизайн) |
| Материал ролика | сталь кузницы 45#, покрытая с хромом |
| Материал вала | сталь кузницы 45# |
| Диаметр оси | 85мм |
| Тип вырезывания | Гидравлическое вырезывание |
| Сила главного мотора | 15 КВ |
| Гидравлическая сила станции | 5.5КВ |
| Гидравлическое давление | 12-16Мпа регулируемое |
| Материал лезвия вырезывания | Кр12Мов, кенчинг58-62 |
| Допуск вырезывания | +/-1.5мм |
| Электрический источник | 380В, 50ХЗ, 3Фасе |
| Тип дисковода | Привод с цепной передачей |
Подача деятельности панели крыши свода К-пяди
формировать-отрезок Декоилинг-питать-крена к ручн-сгабривать-соединять швами упаковки длин-продукта
Главные компоненты
| Декоилер | 1 набор |
| Трейлер | Опционный |
| Источник питания двигателя (генератор) | Опционный |
| Гидравлический прибор отрезка с гидравлической станцией | 1 набор |
| Главный крен пяди к бывший | 1 набор |
| Система управления | 1 набор |
| Шкафы хранения панели | 1 набор |
| Прибор панели гидравлический изгибая | 1 набор |
| Изогнутая таблица побежали панелью, который вне | 1 набор |
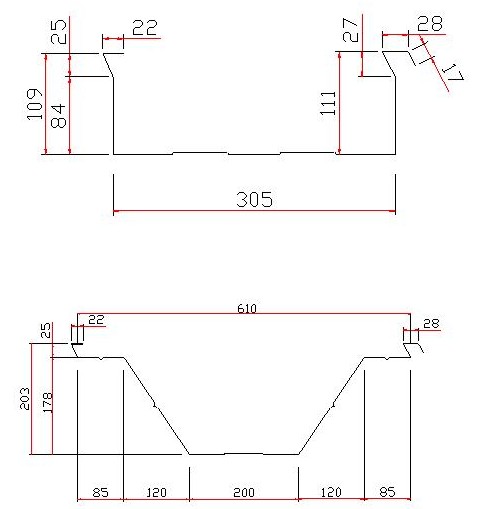
Чертежи профиля К-пяди

Применения
К Спан сдобренная крыша, толь пяди к, крыша большой пяди, панель крыши не-прогона
Законченная таблица выхода - продукты

Наши преимущества
Изображения машины ссылки

Контакты ВУСИ ТЭКХВЭЛЛ
| Компания | КО. машинного оборудования Укси Течвелл, Лтд | |
| Вебсайт | www.wxtechwell.com | |
| www.cold-rollformingmachine.com | ||
| www.roofrollformingmachine.com | ||
| Телефон/факс | 0086-510-83133431 | |
| Чернь/Вхацапп | 0086-15861597732 (лимон госпожи) | |
| Электронная почта/Скыпе | sales@wxtechwell.com | |
| Связь видео ссылки | https://youtu.be/jUy00vVkh3w | |