1.Описание продукции
Установленный вилочный погрузчик MCLLROY FD серии 1 ¥ 3,5 т Diesel IC Counterbalance объединяет более чем 30-летний опыт с новейшими технологиями вилочных погрузчиков.
Известный как один из самых надежных вилочных погрузчиков, изготовленных MCLLROY, он имеет динамическую систему гидравлического управления, эффективное освещение и меньшее потребление топлива,коллективно способствуя повышению производительности.
предназначенный для выдержки широкого спектра работ на открытом воздухе в течение всего года, включая погрузку и разгрузку грузовых транспортных средств,Этот вилочный погрузчик легко обрабатывает небольшие поддоны или сырые материалы даже в сложных условиях, таких как влажная, снежные, ветреные или грязные условия, с подъемными высотами до 3 метров.
Предлагая исключительную выносливость и мощность по экономически эффективной цене, наша серия FD представляет собой непревзойденную ценность на рынке.
2Спецификация
| Спецификация | FD15 |
| Нормальная масса нагрузки | 1500 кг |
| Мастовая ступень | 2 |
| Высота подъема | 3000/4000/4500/5000/6000/6500 мм |
| Модель двигателя | Синчай 485 BPG |
| Учетная мощность | 32 кВт |
| Передача | Учебное пособие |
| Размер вилки | 920*100*35 мм |
| Тип шины | Воздух / твердое вещество |
| Передняя шина | 6.50-10-10PR |
| Задняя шина | 5.00-8-8PR |
| Высота надводной охраны | 2040 мм |
| Общая длина ((с/без вилки) | 3175/2255 мм |
| Общая ширина | 1070 мм |
| Общий рост (Подъем мачты/снижение мачты) |
3000 мм:4030/1995 мм 4500 мм:5700/2100 мм |
| Общая масса | 2660 кг |
| Передняя надвигаемость | 425 мм |
| Высота свободной вилки | 100 мм |
| Угол наклона мачты (вперед / назад) |
6°/12° |
| Центр нагрузки | 500 мм |
| Освобождение от земли | 110 мм |
| Основа колеса | 1410 мм |
| Колесная дорожка | 890/920 мм |
| Минимальный радиус поворота | 1955 мм |
| Максимальная скорость движения (полной загрузкой) | 13.5 км/ч |
| Максимальная скорость подъема (полное нагрузка) | 590 мм/с |
| Максимальная тяговая сила ((полное нагрузка) | 12.3 KN |
| Максимально допустимый градиент | 20 ° |
| Аккумулятор | 12В/80Ач |
| Рабочее давление | 18.5 МПа |
3Подробности и преимущества
Передние подъемные цилиндры были разработаны с меньшим наружным диаметром, чтобы обеспечить оператору превосходную видимость вперед.двойные подъемные цилиндры обеспечивают лучшую видимость впередОптимизированная конструкция обеспечивает выдающуюся видимость во всех направлениях.
Кроме того, смешанный амортизатор двигателя и полная плавучая силовая установка, в дополнение к резиновому амортизатору между рамами и рулевой осью,обеспечить гибкое соединение между рамой и системой управленияЭто приводит к значительному снижению колебаний при движении и колебаний от системы управления.
4. Факультативные конфигурации
| 1 | Прочные шины (бренд Advanced или эквивалент) |
|||
| 2 | Автоматическая коробка передач ((1-4,5Тн) | |||
| 3 | Сдвиг в сторону | |||
| 4 | Толстое сиденье Toyota (без амортизатора) | |||
| 5 | Сиденье Toyota (с амортизатором) | |||
| 6 | Установщик форки | |||
| 7 | Закрытый кабинет | |||
| 8 | Двойные передние шины ((1-5 т) | |||
| 9 | Обычная двойная мачта: 3300-4000 мм. | |||
| 10 | Полная свободная двойная мачта: 3000-4000 мм. | |||
| 11 | Полная свободная тройная мачта: 4500-7500 мм. | |||
| 12 | Длина вилки:920/1370/1550 мм | |||
| 13 | Вилка для расширения | |||
5Привязанность.
Мы стремимся предоставить VIP-решение для подъемников, чтобы удовлетворить все виды условий работы, что означает, что подъемники MCLLROY могут быть настроены.картонная застежка, двойные вилки и так далее
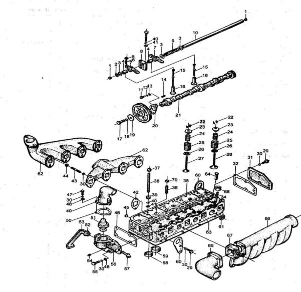
6Взрывное изображение.
| Нет, нет, нет. | Часть No. | Описание | - Что? | Примечание |
| 1 | 490B-03018 | Включатель 12 | 2 | |
| 2 | GB/T894·1-1986 | Снимок 20 | 2 | |
| 3 | GB/T848-1985 | Стиральная машина 20 | 8 | |
| 4 | 490B-03212A | Подшипник клапана | 8 | |
| 5 | GB/T6171-2000 | Орехи M*1 | 8 | |
| 6 | 490B-03201 | Винт регулировки просвета клапана | 8 | |
| 7 | 490B-03211A | Рука клапана | 8 | |
| 8 | 490B-03202 | Сиденье | 4 | |
| 9 | 490B-03203 | Весна | 3 | |
| 10 | 490B-03204 | Остров | 1 | |
| 11 | GB/T5783-2000 | Шнур M8*18 | 9 | |
| 12 | GB/T93-1987 | Пролетная стиральная машина | 17 | |
| 13 | GB/T97·1-1985 | Стиральная машина 8 | 2 | |
| 14 | GB/T1096-1979 | Ключ C8*32 | 1 | |
| 15 | 490B-06003 | Стержень | 8 | |
| 16 | 490B-06002 | Нажмите на кнопку | 8 | |
| 17 | GB/T5782-2000 | Шнур M12*45 | 1 | |
| 18 | GB/T93-1987 | Пролетная стиральная машина 12 | 1 | |
| 19 | 490B-02011 | Тормозная табличка для механизма регулирования вала колпаков | 1 | |
| 20 | 490B-02008 | Пластина тяги для распределительной валы | 1 | |
| 21 | 495B-06001 | Кэмшафт | 1 | |
| 22 | 490B-03006 | Удерживающее устройство для разделения клапана | 16 | |
| 23 | 490B-03007 | Пролетное сиденье клапана, верхнее | 8 | |
| 24 | 490B-03005 | Внутренняя пружина клапана. | 8 | |
| 25 | 490B-03004 | Сверла клапана, наружная | 8 | |
| 26 | 490B-03011 | Нижнее сиденье, клапанная пружина | 8 | |
| 27 | 490B-03015 | Выхлопный клапан | 4 |




