Модулирующая лампа работы 6port металла механическая, сразу действующий пневматический клапан
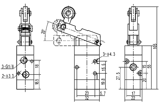
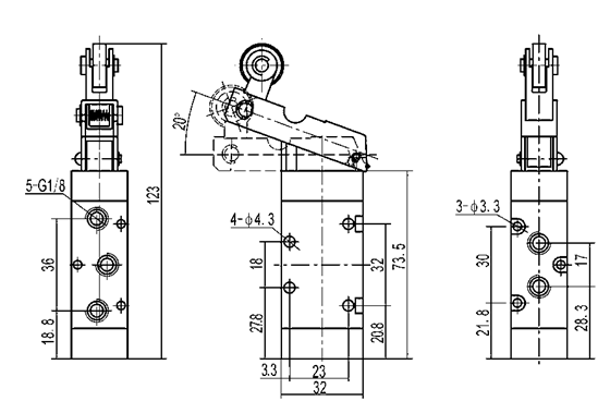
metalwork ширины тела 22mm 70 ролика рычага одной серий типа размера G1/8.e.g MLR322N-6 пути порта 5 путей механического клапана двух позиционного трехстороннего двух позиционного
Быстрая деталь:
серия *MLR один metalwork клапана рычага ролика пути механический заменимый
Материал сплава *Aluminum
* двух позиционный трехсторонний, двух позиционный путь 5
Размер G1/8 *Port
тип ролик пути *One, двухсторонний тип ролик для варианта
путешествовать хода *Smooth, чувствительный отвечает действие
*Easy работать, длинный срок службы
Применения:
Деятельность клапана серии MLR механическая внешней механической силой для того чтобы контролировать дирекционный переключатель, когда внешняя сила исчезнет, возвращение привода в первоначальную ситуацию. Механическая модулирующая лампа имеет функцию памяти
Спецификации:
| ПРИКАЗЫВАЯ КОД | ||
| MLR | 322N | 6 |
| Тип | Тип функции и ширина тела | Гаван размер |
| MLR: METALWORK клапан пути рычага одной ролика 70 серий механический | 322N: Двух позиционное трехстороннее, ширина 22mm тела | 6: G1/8» |
| 522N: Двух позиционный 5 путь, ширина 22mm тела | ||
| СПЕЦИФИКАЦИЯ | ||
| Модель нет | MLR322N6 | MLR522N6 |
| Средство деятельности | Обжатый 40 микронов фильтровал воздух | |
| Материал тела | Алюминиевый сплав | |
| Номера положения и пути | Двух позиционные 5 трехсторонних пути двух позиционных | |
| Гаван размер | G1/8» | |
| Картина движения | Сразу действовать | |
| Давление деятельности | 0~1.0MPa | |
| Рабочая температура | 0~60℃ | |


Пневматический клапан, механический клапан, модулирующая лампа машины