Клапан двух позиционного соленоида 5 путей Rc1/8 внутренний пилотный управляемый
Тип внутренняя пилотная модель no.110-4E1,110-4E2,180-4E1,180-4E2 KOGANEI размера M5x0.8 Rc1/8 порта пути клапана соленоида двух позиционная 5
Быстрая деталь:
* клапан соленоида 110-4E1 KOGANEI equvalent 110-4E2 180-4E1 180-4E2
* двух позиционная модель функции функции 5 путей
* пилот соленоида картины движения внутренний работал
* гаван размер M5x0.8 Rc1/8
* установка компактного тела гибкая
* различное соединение с электричеством
* ручное преодоление автоматики типа замка и не-замка для варианта
* высокая стабильность, большая сила, низкое течение электричества
Применения:
Клапан соленоида серии 110-E1,180-E1 используемый как компонент управления по направлению для изменения направления средства деятельности управлять компонентом выполнителя нормально цилиндр для того чтобы осуществить движение цикла
Спецификации:
| ПРИКАЗЫВАЯ КОД | |||
| 110 | 4E1 | PSL | DC24V |
| Тип | Тип функции | Электричество соединяет тип | Напряжение тока |
| Тип avle серии KOGANEI 110:110 соленоида | 4E1: Двух позиционная катушка 5 путей одиночная | Пробел: Провод outleading | DC24V: 24VDC |
| DC12V: 12VDC | |||
| Тип клапан серии KOGANEI 180:180 соленоида | 4E2: Двух позиционная катушка 5 путей двойная | PSL: Линейный соединитель | AC100V: 100VAC |
| PLL: L тип соединитель | AC200V: 200VAC | ||
| СПЕЦИФИКАЦИЯ | ||||
| Модель никакая | 110-4E1 | 110-4E2 | 180-4E1 | 180-4E2 |
| Средство деятельности | Обжатый 40 микронов фильтровал воздух | |||
| Номера положения и пути | Двух позиционное трехстороннее | |||
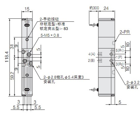
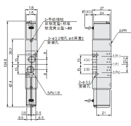
| Гаван размер | M5x0.8 | Rc1/8 | ||
| Эффективная зона участка | ² 4.2mm (CV=0.23) | ² 10.2mm (CV=0.57) | ||
| Картина движения | Внутреннее эксплуатируемое пилотное | |||
| Давление Endurable | 1.05MPa | |||
| Давление деятельности | 0.15~0.7MPa | |||
| Частота Max.Working | 5cycle/Sec | |||
| Отвечает время | 15/25(20) ниже | |||
| Минимальное активируя время | 50ms | |||
| Рабочая температура | -5~50℃ | |||
| Допуск напряжения тока | ±10% | |||
| Смазка | Не необходимый | |||
110-4E1

110-4E2

180-4E1

180-4E2

Аксессуары: Maniflod
| 110M | 6F |
| Тип | Совместное основание никакое |
| 110M: На KOGANEI клапан соленоида 110 серий | 1~20F: Совместный низкопробный максимум 1~20 для 1~20 valves.e.g 6F имеет совместное основание 6 для клапанов максимума 6 |
| 180M: На KOGANEI клапан соленоида 180 серий |
Пневматический клапан, клапан соленоида, пилотный управляемый клапан соленоида