» Одиночный действующий соленоид G1/2 - привел в действие клапан управления по направлению 4V210-08
18mm, 22mm, 27mm, airtac 4V210-08 размера M5~G1/2 клапана соленоида ширины тела 34mm одиночное действующее двойное действующее гаван например equvalent
Быстрая деталь:
* взаимообмен airtac клапана соленоида серии 4V
* алюминиевая ширина 18mm материального тела, 22mm, 27mm, 34mm
* пилотный работаемый, внутренний пилотный тип
* жизненный цикл 10000000 раз
* пустите тип по трубам соединения и соединения Намюр для варианта
* электричество соединителя Din и провода outlead подключая для дискретного
* ручное преодоление автоматики металла обеспечить стабильность когда отказ источника питания или необходимое функциональное движение
* высококачественный пилотный armature обеспечить быструю и чувствительную обратную связь когда соедините eletricity
* катушка электромагнитной индукции класса IP65, низкое потребление, длинный срок службы
* освоенные изделия, стоили эффектно
Применения:
клапан соленоида 4V используемый как компонент управления по направлению для изменения направления средства деятельности управлять компонентом выполнителя нормально цилиндр для того чтобы осуществить движение цикла
Спецификации:

| ПРИКАЗЫВАЯ КОД | ||||||
| 4V | 2 | 10 | 08 | B | AC220V | W |
| Тип | Ширина тела | Тип функции | Совместный гаван размер | Соединяясь тип и Начальное состояние | Напряжение тока | Электричество соединяет форму |
| 4V: Двух позиционный клапан соленоида 5 путей | 1:18 mm | 10: Двух позиционная одиночная катушка | M5: M5X0.8 | Пробел: Тип соединения трубы | AC220V: 220VAC | Пробел: Стандартный соединитель |
| 2:22 mm | 20: Двух позиционная двойная катушка | 06:1/8» | B: Тип Намюр | AC110V: 110VAC | LD: Соединитель Din Брауна со светлым индикатором | |
| 3V: Двух позиционный трехсторонний клапан соленоида | 3:27 mm | 30C: Трехпозиционный двойной тип центра катушки закрытый | 08: 1/4" | NC: Нормально закрытый тип | DC24V: 24VDC | LD1: Белый соединитель Din со светлым индикатором |
| 4:34 mm | 30E: Трехпозиционный двойной тип центра катушки выматываясь | 10:3/8» | НЕТ: Нормально открытый тип | AC24V: 24VAC | W: Вне-ведущий провод | |
| 30P: Трехпозиционный двойной тип Pressuer центра катушки | 15: 1/2» | DC12V: 12VDC | ||||
| Не моделируйте никакое (18mm) | 4V110-M5 | 4V120-M5 | 4V130-M5 | 4V130E-M5 | 4 V 130 ПОСЛЕ ПОЛУДНЯ 5 | 4V110-06 | 4V120-06 | 4V130C-06 | 4V130E-06 | 4V130P-06 |
| Номера положения и пути | 2 путь положения 5 | Путь 3 положений-5 | 2 путь положения 5 | Путь 3 положений-5 | ||||||
| Эффективная секционная область | ² 10mm (CV=0.56) | ² 7mm (CV=0.4) | ² 12mm (CV=0.67) | ² 9mm (CV=0.5) | ||||||
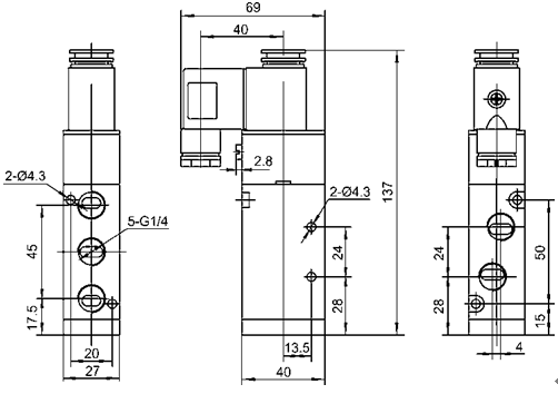
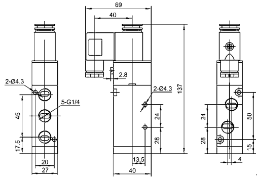
| Гаван размер | Вход, выход, выматываясь M5x0.8 | Вход, выход, выматываясь G1/8» | ||||||||
| Не моделируйте никакое (22mm) | 4V210-06 | 4V220-06 | 4V230C-06 | 4V230E-06 | 4V230P-06 | 4V210-08 | 4V220-08 | 4V230C-08 | 4V230E-08 | 4V230P-08 |
| Номера положения и пути | Путь 2 положений-5 | Путь 3 положений-5 | Путь 2 положений-5 | Путь 3 положений-5 | ||||||
| Эффективная секционная область | ² 14mm (CV=0.78) | ² 12mm (CV=0.67) | ² 16mm (CV=0.89) | ² 12mm (CV=0.67) | ||||||
| Гаван размер | Вход, выход, выматываясь G1/8» | Вход, выход, выматываясь G1/4» | ||||||||
| Не моделируйте никакое (27mm) | 4V310-08 | 4V320-08 | 4V330C-08 | 4V330E-08 | 4V330P-08 | 4V310-10 | 4V320-10 | 4V330C-10 | 4V330E-10 | 4V330P-10 |
| Номера положения и пути | Путь 2 положений-5 | Путь 3 положений-5 | Путь 2 положений-5 | Путь 3 положений-5 | ||||||
| Эффективная секционная область | ² 25mm (CV=1.4) | ² 18mm (CV=1.00) | ² 30mm (CV=1.68) | ² 18mm (CV=1.00) | ||||||
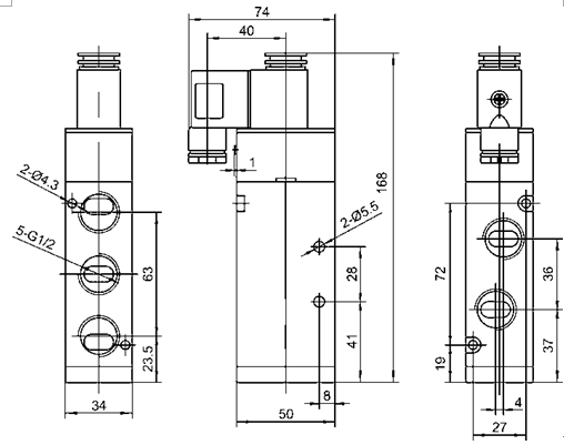
| Гаван размер | Вход, выход, выматываясь G1/4» | Вход, порт G1/4 выхода G3/8 Exhuasting | ||||||||
| Не моделируйте никакое (34mm) | 4V410-15 | 4V420-15 | 4V430C-15 | 4V430E-15 | 4V430P-15 | 3V410-15 | 3V420-15 |
| Номера положения и пути | Путь 2 положений-5 | Путь 3 положений-5 | Путь 2 положений-5 | ||||
| Эффективная секционная область | ² 50mm (CV=2.79) | ² 30mm (CV=1.68) | ² 50mm (CV=2.79) | ||||
| Гаван размер | Вход, выход, выматываясь G1/2» | ||||||
| Средство деятельности | Обжатый 40 микронов фильтровал воздух | ||||||
| Картина движения | Внутренний пилот | ||||||
| Давление деятельности | 0.15~0.9MPa | ||||||
| Сопротивление Max.Pressure | 1.2MPa | ||||||
| Рабочая температура | 5~50℃ | ||||||
| Допуск напряжения тока | ±10% | ||||||
| Расход энергии | AC: DC 4.5VA: 3W | ||||||
| Класс Insulation&Protection | Класс IP65 f | ||||||
| Самая высокая частота движения | 5 цикл/Sec | ||||||
| Минимум активирует время | 0,05 Sec | ||||||
4V110-06

4V120-06

3V110-06

4V210-08

4V220-08

3V210-08

4V310-08

4V310-10

4V410-15

Аксессуары: Коллекторное основание

| ПРИКАЗЫВАЯ КОД | |
| 200M | 6F |
| Тип | Совместное основание никакое |
| 100M: Для клапана соленоида ширины тела 18mm | 1~20F: Совместный низкопробный максимум 1~20 для 1~20 valves.e.g 6F имеет совместное основание 6 для клапанов максимума 6 |
| 200M: Для клапана соленоида ширины тела 22mm | |
| 300M: Для клапана соленоида ширины тела 27mm | |
| 400M: Для клапана соленоида ширины тела 34mm | |
Пневматический клапан, клапан соленоида, пилотный управляемый клапан соленоида