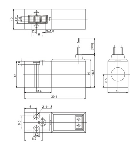
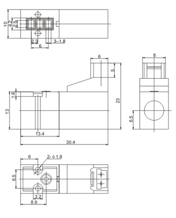
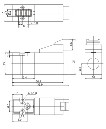
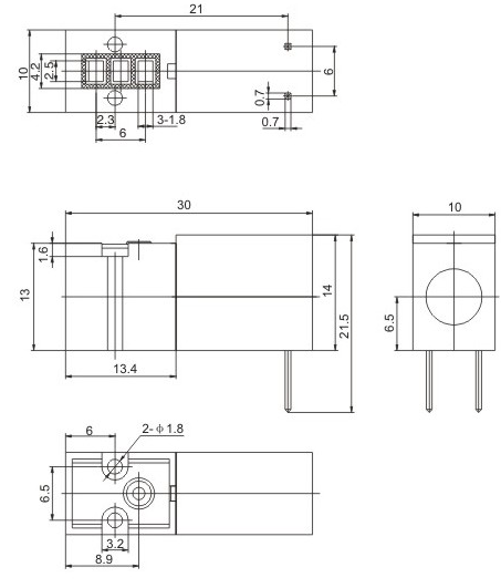
10mm 15mm 3/2 миниатюрных клапанов соленоида 1.3W 24VDC для пневматической автоматизации тканья и вязать
10mm, расход энергии жизненного цикла 50million~200million PVC тела клапана соленоида 15mm миниатюрный материальный двух позиционный трехсторонний чем 1.3W например MAV10-23-1-12VDC
Быстрая деталь:
* Клапан соленоида серии MAV миниатюрный
* Материал тела: Усильте PVC
* Ширина 10mm тела, 15mm для варианта
* Двух позиционное трехстороннее, двух позиционное двухстороннее доступное
* Соединение в типе плиты, коллекторном низкопробном доступном вспомогательном оборудовании
* Различный тип электричество подключает тип для варианта
* Катушка электромагнитной индукции типа IP65, низкое потребление чем 1.3W
* Длинний жизненный цикл срока службы 50million к циклу 200million
* Компактные легкая и удобный для установки
* Высокая стабилность, быстрая реакция
Применения:
Клапан соленоида серии MAV миниатюрный используемый в промышленном тканья, машины чулочные изделия, ткани вязать, нижнего белья вязать, медицинского оборудования, электронного промышленного etc.
Клапан серии MAV может быть применим на машинах Италии Lonati, Matec, Colosib, Sangiacomo, Santoni, ЧЕХА Uniplet, беспокойства Кореи, S-TEC etc
Спецификации:
|
ПРИКАЗЫВАЯ КОД |
|||||
|
MAV |
10 |
23 |
1 |
C |
DC24V |
|
Тип |
Ширина тела |
Тип функции |
Электричество соединяет форму |
Тип Exhuasting |
Напряжение тока |
|
MAV: Миниатюрный клапан соленоида |
10:10 mm |
22: Двух позиционное двухстороннее |
1: Тип провода Вне-ведущий |
Пробел: Стандартное Exhuasting |
DC24V: 24VDC |
|
2: Вертикальный тип гнезда |
DC12V: 12VDC |
||||
|
15:15 mm |
23: Двух позиционное трехстороннее |
3: Плоский тип гнезда |
C: Сразу Exhuasting |
DC6V: 6VDC |
|
|
СПЕЦИФИКАЦИЯ |
||||||||
|
Не моделируйте никакое |
MAV10-23-1 |
MAV10-23-2 |
MAV10-23-3 |
MAV10-23-4 |
MAV15-23-1 |
MAV15-23-2 |
MAV15-23-3 |
MAV15-23-4 |
|
Номера положения и путя |
Двух позиционное трехстороннее |
|||||||
|
Средство деятельности |
Обжатый 40 воздух фильтрованный микронами |
|||||||
|
Материал тела |
PVC |
|||||||
|
Давление деятельности |
0~0.7MPa |
|||||||
|
Рабочая температура |
-5~50℃ |
|||||||
|
Допуск напряжения тока |
±10% |
|||||||
|
Расход энергии |
<1.3W |
|||||||
|
Приложение |
Пылезащитный |
|||||||
|
Соединяться порта |
Тип соединения плиты |
|||||||
|
Ручное преодоление автоматики |
Не locked |
|||||||
|
Самая высокая частота движения |
20cycle/Sec |
|||||||
|
Жизненный цикл |
50Million~200Millon |
|||||||
|
Минимум активирует время |
≤10ms |
|||||||








Вспомогательное оборудование: Коллектор

|
MAV10 |
16F |
|
|
Тип |
Совместное основание никакое |
|
|
MAV10: На миниатюрная ширина 10mm тела клапана соленоида |
16F: Для клапана 16PCS |
|
|
MAV15: На миниатюрная ширина 10mm тела клапана соленоида |
||
Пневматический клапан, миниатюрный клапан соленоида, пилотирует управляемый клапан соленоида