Цилиндр воздуха нержавеющей стали ISO6432 DSNU мини пневматический
ISO6432 размер высверливания валка 8mm-63mm воздуха стандартного двойника нержавеющей стали мини DSNU действующий пневматический например DSNU40-50-PPV-A с магнитом и регулируемым кроссовером Festo буфера воздуха
Быстрая деталь:
* цилиндр воздуха стандарта ISO 6432 мини пневматический
* с магнитом, буфером воздуха регулируемым или резиновым валиком для выбора
* бочонок нержавеющей стали, алюминиевая трубка может быть опционным
* покрытый хром плунжерного штока #45 (ASTM-1045) стальной
* плунжерный шток нержавеющей стали доступен
* с типом направляющего листа доступным
* с самосмазочным подшипником, смазкой свободной
* размер скважины 8mm, 10mm, 12mm, 16mm, 20mm, 25mm, 32mm, 40mm, 50mm, 63mm
* тип воздушного замка DSNU-KP доступный
* наборы и аксессуары цилиндра доступные
Спецификации:
| DSNU | 50 | 100 | PPV | 
 | LB | 
| DSNU: Двойной действовать | Размер скважины | Ход | С регулируемым буфером воздуха на обоих концах | : С магнитом | Устанавливать аксессуары | 
| 8:8mm | Пробел: Основной тип | ||||
| 10:10 mm | LB: Крепление на кронштейне спереди и сзади | ||||
| 12:12 mm | FA: Передний фланец | ||||
| 16:16 mm | U: Тип clevis u | ||||
| DSN: Одиночный действовать | 20:20 mm | Пробел: Резиновый буфер | Пробел: Без магнита | SDB: Тип задней крышки отбрасывая | |
| 25:25 mm | 
 | ||||
| 32:32 mm | |||||
| 40:40 mm | |||||
| 50:50 mm | |||||
| 63:63 mm | 
| СПЕЦИФИКАЦИЯ | ||||||||||
| Размер скважины (mm) | 8 | 10 | 12 | 16 | 20 | 25 | 32 | 40 | 50 | 63 | 
| средство деятельности | Фильтрованный обжатый воздух | |||||||||
| Картина движения | Двойное действие/одиночный действовать | |||||||||
| Выносливость давления | 1.5MPa | |||||||||
| Ряд рабочего давения | 0.1~1.0MPa | |||||||||
| Температура окружающей среды | -5~70ºC | |||||||||
| Амортизируйте снабжать подкладкой | Резиновый буфер только | Буфер воздуха на обоих концах доступных для варианта | ||||||||
| Скорость обработки | 50~750mm/s | |||||||||
| Гаван размер | M5 | M5 | M5 | M5 | G1/8 | G1/8 | G1/8 | G1/8 | G1/4 | G3/8 | 


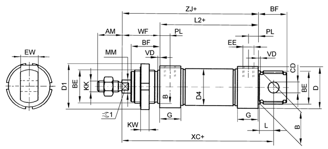
| Скважина размер | До полудня | B1f8 | БЫТЬ | ΦCD | ΦDh9 | ΦD5 | ΦD6 | EE | EW | J1 | J2 | J3 | J4 | KK | KV | KW | L | L1 | L2 | L3 | L4 | L5 | L15 | L16 | 
| 8 | 12 | - | M12×1.25 | 4 | 15 | 12 | 9,3 | M5 | 8 | 20,4 | 16,5 | 23,2 | 13,9 | M4 | 19 | 6 | 6 | 78 | 22 | 34 | 12 | 10 | 78 | 62 | 
| 10 | 12 | - | M12×1.25 | 4 | 15 | 12 | 11,3 | M5 | 8 | 22 | 18,2 | 25,9 | 13,8 | M4 | 19 | 6 | 6 | 78 | 22 | 34 | 12 | 10 | 78 | 62 | 
| 12 | 16 | 5,5 | M16×1.5 | 6 | 20 | 16 | 13,3 | M5 | 12 | 22 | 20 | 28,6 | 11 | M6 | 24 | 8 | 9 | 89 | 28 | 38 | 17 | 15 | 94 | 72 | 
| 16 | 16 | 5,5 | M16×1.5 | 6 | 20 | 16 | 17,3 | M5 | 12 | 22,5 | 22,5 | 33,2 | 11 | M6 | 24 | 8 | 9 | 95 | 28 | 44 | 17 | 15 | 100 | 78 | 
| 20 | 20 | 7 | M22×1.5 | 8 | 27 | 22 | 21,3 | G1/8 | 16 | 26,5 | 22,5 | 35,3 | 13 | M8 | 32 | 11 | 12 | 112 | 32 | 51,6 | 20 | 18 | 116 | 92 | 
| 25 | 22 | 9 | M22×1.5 | 8 | 27 | 22 | 26,5 | G1/8 | 16 | 31,5 | 25 | 40,2 | 16 | M10× 1,25 | 32 | 11 | 12 | 119,5 | 36 | 53,1 | 22 | 20 | 125,5 | 97,5 | 
Пневматический цилиндр, цилиндр воздуха, линейный привод, баллон, цилиндр ISO, мини пневматический цилиндр, тонкий цилиндр воздуха, цилиндр воздуха нержавеющей стали