Клапан регулирования потока G1/8 ASC пневматический» - G1/2» один клапан дросселя пути
Размер G1/8~G1/2 например ASC-08 порта задерживающего клапана дросселя регулирования потока высокой точности серии ASC
Быстрая деталь:
Задерживающий клапан дросселя регулирования потока серии *ASC
* сплав тела материальный алюминиевый
* гаван размер G1/8», G1/4», G3/8, G1/2»
* компактный дизайн, небольшой том, облегченный
* легкая деятельность, чувствительная Respond
* высокая регулируя точность
* пропускает тип пути направления одного
* сразу установка соединения трубы, легкий и удобный
* стабилизированный дизайн, длинная serive жизнь
Применения:
Клапан регулирования потока серии ASC широко использует в пневматической системе для того чтобы отрегулировать работая расход потока для того чтобы соотвествовать функциональный пневматической системы.
Польза клапана дросселя подачи серии ASC для скорости цилиндра контроля, задержки по времени системы, масла смазчика низкий том, емкость воздушной подушки цилиндра etc.
Спецификации:
| ПРИКАЗЫВАЯ КОД | |
| ASC | 08 |
| Тип | Гаван размер |
| KLA: Серии KLA пропускают регулируя задерживающий клапан | 06: G1/8 |
| 08: G1/4» | |
| 10: G3/8» | |
| 15: G1/2» | |
| СПЕЦИФИКАЦИЯ | |
| Модель нет | Серия ASC |
| Средство деятельности | Обжатый 40 микронов фильтровал воздух |
| Материал тела | Алюминиевый сплав |
| Гаван размер | G1/8 " ~G/12» |
| Давление деятельности | 0~0.95MPa |
| Рабочая температура | 0~60℃ |


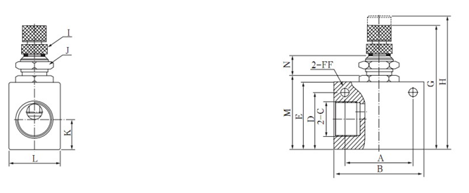
| Модельный/символ |
| B | C | D | E | F | G | H | Я | J | K | L | M | N |
| ASC-06 | 22 | 32 | G1/8 | 22 | 27 | 4,3 | 49,7 | 56,5 | M6×0.5 | M12×0.75 | 12 | 18 | 26 | 8,6 |
| ASC-08 | 26 | 36 | G1/4 | 22 | 27 | 4,3 | 49,7 | 56,5 | M6×0.5 | M12×0.75 | 12 | 18 | 30 | 8,6 |
| ASC-10 | 28 | 40 | G3/8 | 25 | 30 | 4,3 | 52,7 | 59,5 | M6×0.5 | M12×0.75 | 13 | 22 | 40,5 | 10,2 |
| ASC-15 | 28 | 40 | G1/2 | 30 | 35 | 4,3 | 58,7 | 65,5 | M6×0.5 | M12×0.75 | 13,5 | 26 | 40,5 | 10,2 |
Пневматический клапан, клапан регулирования потока, задерживающий клапан Thottle