4.5Bar - вакуумный насос 5,0 Адвокатур многошаговый энергосберегающий, генератор вакуума
Тип рабочее давение 0.45MPa~0.5MPa серии TM многошаговый вакуумного насоса, максимальная степень -94Kpa вакуума с материалом уплотнения нитрила Rubber/FKM
Быстрая деталь:
Тип вакуумный насос серии *TM многошаговый
дизайн *Compact, свет в весе, гибком применении
расход потока *Big, степень глубокого вакуума
*Working давление 0.45MPa~0.5MPa подачи воздуха
уровень вакуума *Medium до -94kpa
шум *Exhaust, 50~60dBA
*Nitrile Rubber/FKM герметизирует доступное для варианта
*Energy-saving картина доступная
*Silencer, кронштейн, нажим-в штуцере как аксессуары доступные
*Stable дизайн, длинный срок службы
* до 3 слои можно штабелировать
Как приказать:
| VTM | 301 | D | N | EK | |
| Серия: VTM- основной тип (- 94kPa) |
Размер: 301 302 303 304 305 306 |
Размер порта соединения | Герметизируя материал: N: Резина нитрила V: FKM |
Задерживающий клапан: Пробел: Без задерживающего клапана : С задерживающим клапаном |
Механизм управления: EK: Энергосберегающая система |
Размер порта соединения
|
Размер порта соединения |
Порт подачи воздуха | Порт вакуума | Порт вытыхания | Соответствующий тип |
| D | G1/4» | G3/4» | G3/4» | VTM301,302,303,304 |
| D | G1/4» | G1» | G1» | VTM305,306 |
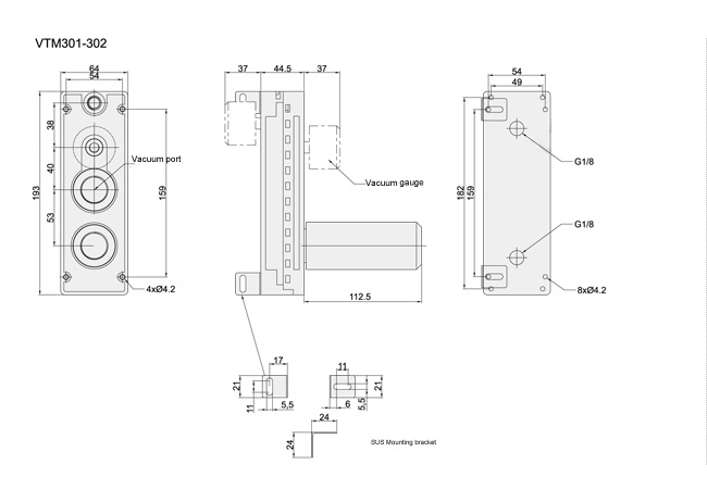
Размер:

Спецификации:
| Модель | Давление подачи воздуха (бар) |
Максимальный вакуум (- Kpa) |
Максимальная подача вакуума NL/Min |
Максимальное потребление воздуха NL/Min |
Диаметр шланга (mm) | |
| Гавань подачи воздуха p | Порт v вакуума | |||||
| VTM301 | 4.5~5.0 | 94 | 370 | 120~140 | 8 | 25 |
| VTM302 | 720 | 220~270 | 8 | 25 | ||
| VTM303 | 980 | 310~420 | 10 | 32 | ||
| VTM304 | 1370 | 400~540 | 10 | 32 | ||
| VTM305 | 1485 | 550~675 | 12 | 32 | ||
| VTM306 | 1550 | 650~810 | 12 | 32 | ||
Подача вакуума (NL/min) на различные уровни вакуума (- kPa)
| Модель | Давление подачи воздуха (бар) | Потребление воздуха (NL/min) | 0 | 10 | 20 | 30 | 40 | 50 | 60 | 70 | 80 | 90 |
| VTM301 | 5,0 | 135 | 366 | 178 | 115 | 73 | 42 | 31 | 23 | 18 | 8 | 2 |
| VTM302 | 5,0 | 265 | 715 | 360 | 238 | 150 | 82 | 62 | 47 | 35 | 19 | 3,5 |
| VTM303 | 5,0 | 415 | 970 | 540 | 357 | 233 | 132 | 101 | 74 | 55 | 31 | 5,5 |
| VTM304 | 5,0 | 536 | 1376 | 720 | 479 | 307 | 171 | 134 | 101 | 71 | 42 | 7 |
| VTM305 | 5,0 | 668 | 1450 | 805 | 567 | 390 | 214 | 174 | 125 | 92 | 51 | 9 |
| VTM306 | 5,0 | 810 | 1600 | 907 | 682 | 462 | 260 | 201 | 151 | 111 | 61 | 10 |
Нагнетая время (S/L) на различных уровнях вакуума (- kPa)
| Модель | Давление подачи воздуха (бар) | Потребление воздуха (NL/min) | 10 | 20 | 30 | 40 | 50 | 60 | 70 | 80 | 90 | Максимальный вакуум (- kPa) |
| VTM301 | 5,0 | 135 | 0,022 | 0,067 | 0,13 | 0,24 | 0,39 | 0,61 | 0,90 | 1,35 | 2,40 | -94 |
| VTM302 | 5,0 | 265 | 0,009 | 0,035 | 0,068 | 0,13 | 0,21 | 0,31 | 0,46 | 0,68 | 1,20 | |
| VTM303 | 5,0 | 415 | 0,008 | 0,025 | 0,045 | 0,089 | 0,13 | 0,21 | 0,31 | 0,45 | 0,78 | |
| VTM304 | 5,0 | 536 | 0,007 | 0,019 | 0,035 | 0,055 | 0,18 | 0,16 | 0,26 | 0,35 | 0,58 | |
| VTM305 | 5,0 | 668 | 0,006 | 0,014 | 0,032 | 0,044 | 0,075 | 0,12 | 0,19 | 0,27 | 0,46 | |
| VTM306 | 5,0 | 810 | 0,004 | 0,016 | 0,023 | 0,041 | 0,069 | 0,12 | 0,16 | 0,22 | 0,38 |
Применения:
Тип вакуумный насос серии TM многошаговый используемый широко в автомобильном промышленном, химическом промышленном, стеклянном производстве, системе автоматизации механической, электронике, системе упаковки, печатании, пластмассе, системе etc автоматизации манипулятора
Вакуумируйте компонент, вакуумный насос, всеобщий тип вакуумный насос