Шариковый клапан фланца нержавеющей стали пути DN15-DN100 2 пневматический сработанный
нержавеющей стали фланца 2 путей соединение конца двойной пневматическое сработанное служить фланцем шариковым клапаном.
Как приказать:
| BV | P | 4 | 1 | 2 | 15 | |
| Шариковый клапан | Тип: P: pneumcatic L: Рычаг E: Электрический | Соединение: 1: Cnonnection гаечной резьбы 2: Соединение внешней нарезки 4: Соединение фланца 8: Тип струбцины | Структура: 1: Прямая скважина 2: Тип y трехсторонний y 4: L трехсторонний l тип 5: Тип t трехсторонний t | Тандемная структура: 1: Тип 1PCS 2: Тип 2PCS 3: Тип 3PCS Пробел: другой | Diemeter Norminal: 08: 1/4" 10:3/8» 15: 1/2» 20:3/4» 25: 1" 32: 1-1/4» 40: 1-1/2» 50: 2" 65: 2-1/2» 80: 3" 100: 4" 125: 5" 150: 6" | Материал тела клапана: Z: CI Q: DI P: Нержавеющая сталь 304 R: Нержавеющая сталь 316 C: Сталь углерода |
Особенности:
| Размер | DN15~DN150 |
| Номинальное давление | PN1.6, 2.5MPa |
| Испытательное давление Stength | PT2.4~8MPa |
| Испытательное давление уплотнения | 0.6MPa |
| Материал тела | Нержавеющая сталь (WCB.CF8.CF8M/I.Ti.Ni) |
| Материал уплотнения | PTFE, PPL |
| Средство деятельности | Вода, масло, газ |
| Работая температура | PTFE: -20℃~+150℃ |
| PPL: - 20℃~+200℃ | |
| Действуя режим | Двойной действующий, одиночный действовать |
| Номер пути | путь 2 |
| Применение | Water&Wastewater, ткань, Food&Beverage, химический etc. |
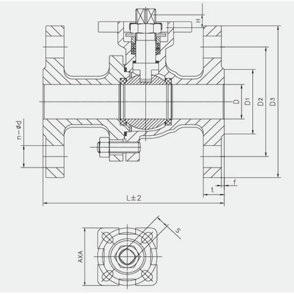
Спецификация:
| Модель | ДЮЙМ | DN | D | L | S | D1 | D2 | D3 | t | f | n-φd | ISO5211 | H | ПРИВОД |
| BVP41-2-15-GB | 1/2» | 15 | 15 | 130 | 9 | 45 | 65 | 95 | 14 | 2 | 4-φ14 | F03/F04 | 10,5 | AT052DA |
| BVP41-2-20-GB | 3/4" | 20 | 20 | 140 | 9 | 55 | 75 | 105 | 14 | 2 | 4-φ14 | F03/F04 | 10,7 | AT052DA |
| BVP41-2-25-GB | 1" | 25 | 25 | 150 | 11 | 65 | 85 | 115 | 14 | 2 | 4-φ14 | F04/F05 | 11 | AT063DA |
| BVP41-2-32-GB | 1-1/4» | 32 | 32 | 165 | 11 | 78 | 100 | 135 | 16 | 2 | 4-φ18 | F04/F05 | 11,5 | AT063DA |
| BVP41-2-40-GB | 1-1/2» | 40 | 38 | 180 | 14 | 85 | 110 | 145 | 16 | 2 | 4-φ18 | F05/F07 | 17 | AT075DA |
| BVP41-2-50-GB | 2" | 50 | 50 | 200 | 14 | 100 | 125 | 160 | 16 | 3 | 4-φ18 | F05/F07 | 17 | AT083DA |
| BVP41-2-65-GB | 2-1/2» | 65 | 65 | 220 | 17 | 120 | 145 | 180 | 18 | 3 | 4-φ18 | F07/F10 | 20 | AT092DA |
| BVP41-2-80-GB | 3" | 80 | 76 | 250 | 17 | 135 | 160 | 195 | 20 | 3 | 8-φ18 | F07/F10 | 20 | AT105DA |
| BVP41-2-100-GB | 4" | 100 | 100 | 280 | 19 | 155 | 180 | 215 | 20 | 3 | 8-φ18 | F07/F10 | 22,5 | AT125DA |
