06DR109 Хладоагент R134a
| Физические данные | |||||||||||||||||||||
| Модель | Номинальный HP | Сместите. CFM | Но. цилиндров | Размер всасывающей магистрали (внутри) | Линия разрядки размер (внутри) | Грузя вес (lbs) | Обязанность масла (пинты) | ||||||||||||||
| 06DR109 | 3 | 8,7 | 2 | 7/8 | 5/8 | 190 | 3 | ||||||||||||||
| Доступные напряжения тока | ||||||||
| 208/230-3-60 | ||||||||
| 460-3-60 | ||||||||
| 575-3-60 | 

| Исправленная сводка данных в виде таблиц – напряжение тока RGT = 65°F Subcooling = 0°F: 460-3-60Hz | |||||||||||||||||||||||||||
| Насыщенная конденсируя температура (f) | Насыщенная температура всасывания (f) | ||||||||||||||||||||||||||
| -10 | -5 | 0 | 5 | 10 | 15 | 20 | 25 | 30 | 35 | 40 | 45 | 50 | 55 | ||||||||||||||
| 90 | Емкость (Btu/hr) | 8181 | 9636 | 11274 | 13115 | 15176 | 17477 | 20036 | 22872 | 26004 | 29451 | 33231 | 37363 | 41866 | 46759 | ||||||||||||
| Сила (kW) | 1,18 | 1,26 | 1,34 | 1,42 | 1,49 | 1,56 | 1,62 | 1,68 | 1,73 | 1,77 | 1,8 | 1,83 | 1,84 | 1,84 | |||||||||||||
| EER (BTU/WATT-HR) | 6,95 | 7,64 | 8,41 | 9,25 | 10,18 | 11,21 | 12,35 | 13,62 | 15,05 | 16,64 | 18,43 | 20,45 | 22,74 | 25,35 | |||||||||||||
| Настоящий (AMPS) | 2,37 | 2,46 | 2,55 | 2,63 | 2,71 | 2,78 | 2,85 | 2,9 | 2,95 | 2,99 | 3,02 | 3,04 | 3,04 | 3,04 | |||||||||||||
| 110 | Емкость (Btu/hr) | 6422 | 7713 | 9152 | 10757 | 12546 | 14539 | 16753 | 19209 | 21924 | 24917 | 28207 | 31813 | 35754 | 40048 | ||||||||||||
| Сила (kW) | 1,2 | 1,31 | 1,41 | 1,52 | 1,62 | 1,72 | 1,82 | 1,91 | 2 | 2,08 | 2,15 | 2,22 | 2,28 | 2,33 | |||||||||||||
| EER (BTU/WATT-HR) | 5,36 | 5,91 | 6,48 | 7,09 | 7,74 | 8,44 | 9,21 | 10,05 | 10,98 | 11,99 | 13,1 | 14,33 | 15,69 | 17,19 | |||||||||||||
| Настоящий (AMPS) | 2,45 | 2,54 | 2,64 | 2,74 | 2,84 | 2,94 | 3,04 | 3,14 | 3,24 | 3,34 | 3,43 | 3,52 | 3,6 | 3,68 | |||||||||||||
| 130 | Емкость (Btu/hr) | 4785 | 5920 | 7166 | 8542 | 10066 | 11757 | 13633 | 15714 | 18018 | 20565 | 23372 | 26458 | 29843 | 33545 | ||||||||||||
| Сила (kW) | 1,17 | 1,3 | 1,43 | 1,56 | 1,7 | 1,83 | 1,96 | 2,09 | 2,21 | 2,33 | 2,45 | 2,56 | 2,66 | 2,76 | |||||||||||||
| EER (BTU/WATT-HR) | 4,1 | 4,56 | 5,01 | 5,46 | 5,93 | 6,43 | 6,96 | 7,53 | 8,15 | 8,83 | 9,56 | 10,36 | 11,23 | 12,18 | |||||||||||||
| Настоящий (AMPS) | 2,44 | 2,54 | 2,66 | 2,78 | 2,91 | 3,05 | 3,2 | 3,35 | 3,51 | 3,67 | 3,83 | 4 | 4,17 | 4,34 | |||||||||||||

06DR013 Хладоагент R134a
| Физические данные | ||||||||||||||||||||||||
| Модель | Номинальный HP | Сместите. CFM | Но. цилиндров | Размер всасывающей магистрали (внутри) | Линия разрядки размер (внутри) | Грузя вес (lbs) | Обязанность масла (пинты) | |||||||||||||||||
| 06DR013 | 3 | 13 | 4 | 1 1/8 | 5/8 | 230 | 4 1/2 | |||||||||||||||||
| Доступные напряжения тока | ||||||||
| 208/230-3-60 | ||||||||
| 460-3-60 | ||||||||
| 575-3-60 | 

| Сводка данных в виде таблиц - зафиксированное напряжение тока RGT=65°F Subcooling =0°F: 460-3-60Hz | |||||||||||||||
| Насыщенный конденсировать | Насыщенная температура всасывания (f) | ||||||||||||||
| Температура (f) | -10 | -5 | 0 | 5 | 10 | 15 | 20 | 25 | 30 | 35 | 40 | 45 | 50 | 55 | |
| 90 | Емкость (Btu/hr) | 10510 | 12661 | 15084 | 17804 | 20849 | 24246 | 28021 | 32200 | 36812 | 41882 | 47438 | 53506 | 60113 | 67287 | 
| Сила (kW) | 1,52 | 1,65 | 1,78 | 1,9 | 2,01 | 2,11 | 2,21 | 2,29 | 2,36 | 2,41 | 2,45 | 2,48 | 2,48 | 2,47 | |
| EER (BTU/WATT-HR) | 6,9 | 7,67 | 8,49 | 9,39 | 10,38 | 11,48 | 12,71 | 14,08 | 15,61 | 17,35 | 19,33 | 21,6 | 24,22 | 27,27 | |
| настоящий (AMPS) | 2,95 | 3,15 | 3,33 | 3,48 | 3,61 | 3,72 | 3,81 | 3,88 | 3,94 | 3,99 | 4,03 | 4,07 | 4,09 | 4,12 | |
| 110 | емкость (Btu/hr) | 7559 | 9465 | 11590 | 13962 | 16606 | 19551 | 22823 | 26449 | 30455 | 34868 | 39715 | 45023 | 50820 | 57130 | 
| Сила (kW) | 1,5 | 1,68 | 1,86 | 2,03 | 2,19 | 2,35 | 2,5 | 2,64 | 2,77 | 2,88 | 2,99 | 3,07 | 3,14 | 3,19 | |
| EER (BTU/WATT-HR) | 5,03 | 5,63 | 6,24 | 6,89 | 7,57 | 8,32 | 9,13 | 10,02 | 11 | 12,09 | 13,3 | 14,66 | 16,18 | 17,9 | |
| Настоящий (AMPS) | 2,89 | 3,16 | 3,4 | 3,61 | 3,8 | 3,96 | 4,09 | 4,21 | 4,31 | 4,39 | 4,45 | 4,5 | 4,54 | 4,58 | |
| 130 | емкость (Btuhr) | 4832 | 6495 | 8327 | 10353 | 12602 | 15099 | 17871 | 20946 | 24350 | 28110 | 32252 | 36804 | 41793 | 47245 | 
| Сила (kW) | 1,32 | 1,56 | 1,79 | 2,03 | 2,25 | 2,47 | 2,69 | 2,9 | 3,09 | 3,28 | 3,45 | 3,61 | 3,75 | 3,88 | |
| EER (BTU/WATT-HR) | 3,65 | 4,17 | 4,64 | 5,11 | 5,59 | 6,1 | 6,64 | 7,23 | 7,87 | 8,58 | 9,35 | 10,2 | 11,14 | 12,18 | |
| Настоящий (AMPS) | 2,67 | 3,02 | 3,33 | 3,6 | 3,84 | 4,08 | 4,24 | 4,4 | 4,54 | 4,65 | 4,74 | 4,82 | 4,88 | 4,92 | |
06DR316 Хладоагент R134a
| Физические данные | ||||||||||||||||||||||||
| Модель | Номинальный HP | Сместите. CFM | Но. цилиндров | Размер всасывающей магистрали (внутри) | Линия разрядки размер (внутри) | Грузя вес (lbs) | Обязанность масла (пинты) | |||||||||||||||||
| 06DR316 | 5 | 15,9 | 4 | 1 1/8 | 5/8 | 235 | 4 1/2 | |||||||||||||||||
| Доступные напряжения тока | ||||||||
| 208/230-3-60 | ||||||||
| 460-3-60 | ||||||||
| 575-3-60 | 

| Исправленная сводка данных в виде таблиц – напряжение тока RGT = 65°F Subcooling = 0°F: 460-3-60Hz | ||||||||||||||||||||||||||||||
| Насыщенная конденсируя температура (f) | Насыщенная температура всасывания (f) | |||||||||||||||||||||||||||||
| -10 | -5 | 0 | 5 | 10 | 15 | 20 | 25 | 30 | 35 | 40 | 45 | 50 | 55 | |||||||||||||||||
| 90 | Емкость (Btu/hr) | 15434 | 18016 | 20924 | 24195 | 27861 | 31959 | 36523 | 41587 | 47186 | 53354 | 60127 | 67538 | 75623 | 84416 | |||||||||||||||
| Сила (kW) | 2,14 | 2,27 | 2,41 | 2,54 | 2,66 | 2,78 | 2,89 | 3 | 3,09 | 3,17 | 3,24 | 3,29 | 3,33 | 3,35 | ||||||||||||||||
| EER (BTU/WATT-HR) | 7,22 | 7,92 | 8,68 | 9,53 | 10,46 | 11,48 | 12,62 | 13,88 | 15,28 | 16,84 | 18,57 | 20,52 | 22,7 | 25,16 | ||||||||||||||||
| Настоящий (AMPS) | 4,32 | 4,46 | 4,59 | 4,71 | 4,83 | 4,94 | 5,04 | 5,13 | 5,21 | 5,27 | 5,33 | 5,38 | 5,41 | 5,43 | ||||||||||||||||
| 110 | Емкость (Btu/hr) | 12521 | 14816 | 17370 | 20218 | 23395 | 26935 | 30872 | 35243 | 40080 | 45420 | 51296 | 57742 | 64795 | 72488 | |||||||||||||||
| Сила (kW) | 2,34 | 2,52 | 2,69 | 2,87 | 3,04 | 3,21 | 3,37 | 3,53 | 3,68 | 3,82 | 3,95 | 4,06 | 4,17 | 4,26 | ||||||||||||||||
| EER (BTU/WATT-HR) | 5,36 | 5,89 | 6,45 | 7,05 | 7,69 | 8,39 | 9,15 | 9,98 | 10,9 | 11,9 | 13 | 14,21 | 15,54 | 17,02 | ||||||||||||||||
| Настоящий (AMPS) | 4,62 | 4,74 | 4,87 | 5,01 | 5,16 | 5,31 | 5,47 | 5,64 | 5,81 | 5,98 | 6,16 | 6,34 | 6,52 | 6,7 | ||||||||||||||||
| 130 | Емкость (Btu/hr) | 9814 | 11841 | 14060 | 16505 | 19210 | 22212 | 25543 | 29240 | 33335 | 37865 | 42863 | 48365 | 54404 | 61016 | |||||||||||||||
| Сила (kW) | 2,47 | 2,69 | 2,92 | 3,14 | 3,36 | 3,59 | 3,8 | 4,02 | 4,23 | 4,43 | 4,62 | 4,8 | 4,98 | 5,14 | ||||||||||||||||
| EER (BTU/WATT-HR) | 3,97 | 4,4 | 4,82 | 5,26 | 5,71 | 6,19 | 6,72 | 7,28 | 7,89 | 8,55 | 9,28 | 10,07 | 10,93 | 11,88 | ||||||||||||||||
| Настоящий (AMPS) | 4,73 | 4,88 | 5,05 | 5,25 | 5,47 | 5,71 | 5,97 | 6,25 | 6,55 | 6,87 | 7,21 | 7,57 | 7,94 | 8,33 | ||||||||||||||||

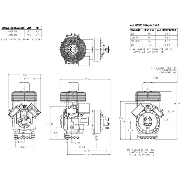
06DR718 Хладоагент R134a
| Физические данные | ||||||||||||||||||||||
| Модель | Номинальный HP | Сместите. CFM | Но. цилиндров | Размер всасывающей магистрали (внутри) | Линия разрядки размер (внутри) | Грузя вес (lbs) | Обязанность масла (пинты) | |||||||||||||||
| 06DR718 | 5 | 18,3 | 4 | 1 3/8 | 7/8 | 250 | 5 1/2 | |||||||||||||||
| Доступные напряжения тока | |||||||
| 208/230-3-60 | |||||||
| 460-3-60 | |||||||
| 575-3-60 | 

| Исправленная сводка данных в виде таблиц – напряжение тока RGT = 65°F Subcooling = 0°F: 460-3-60Hz | ||||||||||||||||||||||||||||
| Насыщенная конденсируя температура (f) | Насыщенная температура всасывания (f) | |||||||||||||||||||||||||||
| -10 | -5 | 0 | 5 | 10 | 15 | 20 | 25 | 30 | 35 | 40 | 45 | 50 | 55 | |||||||||||||||
| 90 | Емкость (Btu/hr) | 18427 | 21436 | 24843 | 28692 | 33026 | 37886 | 43317 | 49362 | 56062 | 63462 | 71604 | 80530 | 90285 | 100911 | |||||||||||||
| Сила (kW) | 2,36 | 2,53 | 2,69 | 2,86 | 3,01 | 3,15 | 3,28 | 3,39 | 3,48 | 3,55 | 3,6 | 3,63 | 3,63 | 3,6 | ||||||||||||||
| EER (BTU/WATT-HR) | 7,82 | 8,48 | 9,22 | 10,05 | 10,98 | 12,03 | 13,23 | 14,58 | 16,11 | 17,86 | 19,87 | 22,19 | 24,88 | 28,05 | ||||||||||||||
| Настоящий (AMPS) | 4,53 | 4,74 | 4,94 | 5,13 | 5,3 | 5,46 | 5,6 | 5,73 | 5,83 | 5,9 | 5,95 | 5,98 | 5,97 | 5,93 | ||||||||||||||
| 110 | Емкость (Btu/hr) | 15052 | 17715 | 20690 | 24021 | 27750 | 31919 | 36573 | 41754 | 47505 | 53869 | 60889 | 68608 | 77068 | 86313 | |||||||||||||
| Сила (kW) | 2,51 | 2,73 | 2,95 | 3,17 | 3,38 | 3,59 | 3,79 | 3,98 | 4,15 | 4,31 | 4,45 | 4,57 | 4,66 | 4,74 | ||||||||||||||
| EER (BTU/WATT-HR) | 6 | 6,49 | 7,01 | 7,58 | 8,2 | 8,89 | 9,65 | 10,5 | 11,45 | 12,5 | 13,69 | 15,02 | 16,52 | 18,23 | ||||||||||||||
| Настоящий (AMPS) | 4,75 | 5 | 5,24 | 5,49 | 5,72 | 5,95 | 6,17 | 6,38 | 6,58 | 6,75 | 6,92 | 7,06 | 7,18 | 7,27 | ||||||||||||||
| 130 | Емкость (Btu/hr) | 11829 | 14191 | 16779 | 19635 | 22804 | 26328 | 30250 | 34612 | 39458 | 44831 | 50773 | 57329 | 64539 | 72448 | |||||||||||||
| Сила (kW) | 2,54 | 2,81 | 3,09 | 3,38 | 3,66 | 3,94 | 4,21 | 4,48 | 4,74 | 4,99 | 5,22 | 5,44 | 5,64 | 5,82 | ||||||||||||||
| EER (BTU/WATT-HR) | 4,66 | 5,04 | 5,42 | 5,82 | 6,24 | 6,69 | 7,18 | 7,73 | 8,33 | 8,99 | 9,73 | 10,54 | 11,45 | 12,45 | ||||||||||||||
| Настоящий (AMPS) | 4,81 | 5,1 | 5,41 | 5,71 | 6,02 | 6,33 | 6,64 | 6,95 | 7,25 | 7,54 | 7,82 | 8,1 | 8,35 | 8,6 | ||||||||||||||
06DR820 Хладоагент R134a
| Физические данные | ||||||||||||||||||||||
| Модель | Номинальный HP | Сместите. CFM | Но. цилиндров | Размер всасывающей магистрали (внутри) | Линия разрядки размер (внутри) | Грузя вес (lbs) | Обязанность масла (пинты) | |||||||||||||||
| 06DR820 | 6,5 | 20 | 4 | 1 3/8 | 7/8 | 260 | 5 1/2 | |||||||||||||||
| Доступные напряжения тока | |||||||
| 208/230-3-60 | |||||||
| 460-3-60 | |||||||
| 575-3-60 | 

| Исправленная сводка данных в виде таблиц – напряжение тока RGT = 65°F Subcooling = 0°F: 460-3-60Hz | ||||||||||||||||||||||||||||
| Насыщенная конденсируя температура (f) | Насыщенная температура всасывания (f) | |||||||||||||||||||||||||||
| -10 | -5 | 0 | 5 | 10 | 15 | 20 | 25 | 30 | 35 | 40 | 45 | 50 | 55 | |||||||||||||||
| 90 | Емкость (Btu/hr) | 20361 | 23802 | 27639 | 31909 | 36651 | 41903 | 47701 | 54085 | 61092 | 68761 | 77129 | 86234 | 96115 | 106808 | |||||||||||||
| Сила (kW) | 2,66 | 2,85 | 3,03 | 3,2 | 3,36 | 3,52 | 3,66 | 3,78 | 3,89 | 3,98 | 4,04 | 4,09 | 4,11 | 4,1 | ||||||||||||||
| EER (BTU/WATT-HR) | 7,65 | 8,36 | 9,13 | 9,97 | 10,9 | 11,92 | 13,05 | 14,31 | 15,71 | 17,29 | 19,08 | 21,09 | 23,4 | 26,05 | ||||||||||||||
| Настоящий (AMPS) | 5,75 | 5,9 | 6,04 | 6,18 | 6,32 | 6,45 | 6,57 | 6,68 | 6,78 | 6,86 | 6,92 | 6,97 | 6,99 | 6,99 | ||||||||||||||
| 110 | Емкость (Btu/hr) | 16336 | 19459 | 22906 | 26715 | 30925 | 35572 | 40696 | 46334 | 52523 | 59303 | 66711 | 74784 | 83562 | 93081 | |||||||||||||
| Сила (kW) | 2,79 | 3,03 | 3,27 | 3,51 | 3,74 | 3,97 | 4,18 | 4,39 | 4,58 | 4,75 | 4,91 | 5,05 | 5,16 | 5,26 | ||||||||||||||
| EER (BTU/WATT-HR) | 5,85 | 6,41 | 7 | 7,61 | 8,26 | 8,97 | 9,73 | 10,57 | 11,48 | 12,49 | 13,59 | 14,82 | 16,19 | 17,71 | ||||||||||||||
| Настоящий (AMPS) | 6,01 | 6,14 | 6,29 | 6,46 | 6,63 | 6,82 | 7,02 | 7,23 | 7,44 | 7,65 | 7,87 | 8,08 | 8,3 | 8,5 | ||||||||||||||
| 130 | Емкость (Btu/hr) | 12471 | 15262 | 18305 | 21640 | 25303 | 29333 | 33767 | 38645 | 44003 | 49880 | 56313 | 63341 | 71002 | 79333 | |||||||||||||
| Сила (kW) | 2,79 | 3,1 | 3,4 | 3,71 | 4,01 | 4,31 | 4,6 | 4,89 | 5,16 | 5,42 | 5,67 | 5,91 | 6,13 | 6,32 | ||||||||||||||
| EER (BTU/WATT-HR) | 4,46 | 4,93 | 5,38 | 5,84 | 6,31 | 6,81 | 7,34 | 7,91 | 8,53 | 9,2 | 9,92 | 10,72 | 11,59 | 12,55 | ||||||||||||||
| Настоящий (AMPS) | 6,01 | 6,18 | 6,38 | 6,61 | 6,88 | 7,17 | 7,5 | 7,84 | 8,22 | 8,61 | 9,02 | 9,46 | 9,9 | 10,36 | ||||||||||||||

06DR725 Хладоагент R134a
| Физические данные | ||||||||||||||||||||||
| Модель | Номинальный HP | Сместите. CFM | Но. цилиндров | Размер всасывающей магистрали (внутри) | Линия разрядки размер (внутри) | Грузя вес (lbs) | Обязанность масла (пинты) | |||||||||||||||
| 06DR725 | 6,5 | 23,9 | 6 | 1 3/8 | 7/8 | 310 | 8 | |||||||||||||||
| Доступные напряжения тока | |||||||
| 208/230-3-60 | |||||||
| 460-3-60 | |||||||
| 575-3-60 | 

| Исправленная сводка данных в виде таблиц – напряжение тока RGT = 65°F Subcooling = 0°F: 460-3-60Hz | ||||||||||||||||||||||||||||
| Насыщенная конденсируя температура (f) | Насыщенная температура всасывания (f) | |||||||||||||||||||||||||||
| -10 | -5 | 0 | 5 | 10 | 15 | 20 | 25 | 30 | 35 | 40 | 45 | 50 | 55 | |||||||||||||||
| 90 | Емкость (Btu/hr) | 21906 | 26197 | 31017 | 36417 | 42451 | 49171 | 56630 | 64880 | 73974 | 83964 | 94904 | 106845 | 119840 | 133943 | |||||||||||||
| Сила (kW) | 2,78 | 3,03 | 3,29 | 3,54 | 3,78 | 4,02 | 4,25 | 4,47 | 4,69 | 4,89 | 5,08 | 5,26 | 5,42 | 5,57 | ||||||||||||||
| EER (BTU/WATT-HR) | 7,88 | 8,63 | 9,43 | 10,29 | 11,22 | 12,23 | 13,32 | 14,5 | 15,78 | 17,17 | 18,68 | 20,32 | 22,1 | 24,03 | ||||||||||||||
| Настоящий (AMPS) | 5,89 | 6,2 | 6,48 | 6,74 | 6,97 | 7,17 | 7,36 | 7,53 | 7,68 | 7,82 | 7,94 | 8,05 | 8,15 | 8,25 | ||||||||||||||
| 110 | Емкость (Btu/hr) | 16219 | 20042 | 24293 | 29024 | 34289 | 40140 | 46629 | 53809 | 61733 | 70453 | 80022 | 90493 | 101917 | 114348 | |||||||||||||
| Сила (kW) | 2,81 | 3,14 | 3,48 | 3,81 | 4,13 | 4,46 | 4,77 | 5,08 | 5,38 | 5,67 | 5,95 | 6,22 | 6,48 | 6,72 | ||||||||||||||
| EER (BTU/WATT-HR) | 5,77 | 6,37 | 6,99 | 7,62 | 8,29 | 9,01 | 9,77 | 10,59 | 11,47 | 12,42 | 13,44 | 14,54 | 15,73 | 17,01 | ||||||||||||||
| Настоящий (AMPS) | 5,95 | 6,33 | 6,67 | 6,99 | 7,27 | 7,52 | 7,75 | 7,96 | 8,14 | 8,31 | 8,45 | 8,58 | 8,7 | 8,8 | ||||||||||||||
| 130 | Емкость (Btu/hr) | 10907 | 14266 | 17953 | 22021 | 26521 | 31507 | 37032 | 43147 | 49906 | 57360 | 65564 | 74568 | 84426 | 95191 | |||||||||||||
| Сила (kW) | 2,63 | 3,05 | 3,48 | 3,9 | 4,32 | 4,73 | 5,14 | 5,55 | 5,95 | 6,34 | 6,72 | 7,09 | 7,45 | 7,8 | ||||||||||||||
| EER (BTU/WATT-HR) | 4,15 | 4,67 | 5,16 | 5,65 | 6,14 | 6,66 | 7,2 | 7,78 | 8,39 | 9,05 | 9,76 | 10,52 | 11,33 | 12,21 | ||||||||||||||
| Настоящий (AMPS) | 5,83 | 6,28 | 6,69 | 7,06 | 7,4 | 7,71 | 7,99 | 8,23 | 8,45 | 8,65 | 8,82 | 8,97 | 9,11 | 9,22 | ||||||||||||||
06DR228 Хладоагент R134a
| Физические данные | ||||||||||||||||||||||
| Модель | Номинальный HP | Сместите. CFM | Но. цилиндров | Размер всасывающей магистрали (внутри) | Линия разрядки размер (внутри) | Грузя вес (lbs) | Обязанность масла (пинты) | |||||||||||||||
| 06DR228 | 7,5 | 28 | 6 | 1 5/8 | 7/8 | 315 | 8 | |||||||||||||||
| Доступные напряжения тока | |||||||
| 208/230-3-60 | |||||||
| 460-3-60 | |||||||
| 575-3-60 | 

| Исправленная сводка данных в виде таблиц – напряжение тока RGT = 65°F Subcooling = 0°F: 460-3-60Hz | ||||||||||||||||||||||||||||
| Насыщенная конденсируя температура (f) | Насыщенная температура всасывания (f) | |||||||||||||||||||||||||||
| -10 | -5 | 0 | 5 | 10 | 15 | 20 | 25 | 30 | 35 | 40 | 45 | 50 | 55 | |||||||||||||||
| 90 | Емкость (Btu/hr) | 28277 | 33009 | 38248 | 44043 | 50442 | 57493 | 65244 | 73744 | 83040 | 93182 | 104216 | 116192 | 129158 | 143162 | |||||||||||||
| Сила (kW) | 3,7 | 3,96 | 4,22 | 4,46 | 4,68 | 4,89 | 5,08 | 5,26 | 5,41 | 5,53 | 5,64 | 5,71 | 5,76 | 5,77 | ||||||||||||||
| EER (BTU/WATT-HR) | 7,64 | 8,33 | 9,07 | 9,88 | 10,77 | 11,75 | 12,83 | 14,03 | 15,36 | 16,84 | 18,49 | 20,35 | 22,44 | 24,81 | ||||||||||||||
| Настоящий (AMPS) | 8,68 | 8,99 | 9,27 | 9,52 | 9,74 | 9,95 | 10,12 | 10,28 | 10,41 | 10,52 | 10,61 | 10,68 | 10,73 | 10,76 | ||||||||||||||
| 110 | Емкость (Btu/hr) | 22692 | 27058 | 31842 | 37092 | 42857 | 49184 | 56121 | 63718 | 72022 | 81081 | 90944 | 101659 | 113274 | 125838 | |||||||||||||
| Сила (kW) | 3,88 | 4,24 | 4,59 | 4,93 | 5,26 | 5,57 | 5,87 | 6,15 | 6,41 | 6,65 | 6,87 | 7,06 | 7,23 | 7,37 | ||||||||||||||
| EER (BTU/WATT-HR) | 5,85 | 6,38 | 6,94 | 7,53 | 8,15 | 8,83 | 9,56 | 10,36 | 11,23 | 12,19 | 13,24 | 14,39 | 15,67 | 17,08 | ||||||||||||||
| Настоящий (AMPS) | 8,91 | 9,29 | 9,65 | 9,98 | 10,29 | 10,57 | 10,83 | 11,06 | 11,27 | 11,47 | 11,64 | 11,79 | 11,92 | 12,03 | ||||||||||||||
| 130 | Емкость (Btu/hr) | 17123 | 21092 | 25389 | 30063 | 35162 | 40733 | 46826 | 53488 | 60768 | 68714 | 77374 | 86797 | 97029 | 108121 | |||||||||||||
| Сила (kW) | 3,83 | 4,3 | 4,76 | 5,21 | 5,65 | 6,08 | 6,5 | 6,91 | 7,29 | 7,66 | 8,01 | 8,33 | 8,63 | 8,91 | ||||||||||||||
| EER (BTU/WATT-HR) | 4,47 | 4,91 | 5,34 | 5,77 | 6,22 | 6,69 | 7,2 | 7,75 | 8,33 | 8,97 | 9,66 | 10,42 | 11,24 | 12,13 | ||||||||||||||
| Настоящий (AMPS) | 8,89 | 9,36 | 9,81 | 10,23 | 10,63 | 11 | 11,35 | 11,67 | 11,98 | 12,26 | 12,53 | 12,77 | 12,99 | 13,2 | ||||||||||||||

06DR337 Хладоагент R134a
| Физические данные | ||||||||||||||||||||||||||||
| Модель | Номинальный HP | Сместите. CFM | Но. цилиндров | Размер всасывающей магистрали (внутри) | Линия разрядки размер (внутри) | Грузя вес (lbs) | Обязанность масла (пинты) | |||||||||||||||||||||
| 06DR337 | 10 | 37,1 | 6 | 1 5/8 | 1 1/8 | 325 | 8 | |||||||||||||||||||||
| Доступные напряжения тока | |||||||
| 208/230-3-60 | |||||||
| 460-3-60 | |||||||
| 575-3-60 | 

| Исправленная сводка данных в виде таблиц – напряжение тока RGT = 65°F Subcooling = 0°F: 460-3-60Hz | |||||||||||||||||||||||||||||||||||
| Насыщенная конденсируя температура (f) | Насыщенная температура всасывания (f) | ||||||||||||||||||||||||||||||||||
| -10 | -5 | 0 | 5 | 10 | 15 | 20 | 25 | 30 | 35 | 40 | 45 | 50 | 55 | ||||||||||||||||||||||
| 90 | Емкость (Btu/hr) | 39462 | 45776 | 52701 | 60302 | 68638 | 77773 | 87768 | 98686 | 110587 | 123534 | 137590 | 152815 | 169271 | 187022 | ||||||||||||||||||||
| Сила (kW) | 5,11 | 5,44 | 5,76 | 6,06 | 6,34 | 6,61 | 6,86 | 7,09 | 7,3 | 7,5 | 7,68 | 7,85 | 7,99 | 8,12 | |||||||||||||||||||||
| EER (BTU/WATT-HR) | 7,72 | 8,41 | 9,16 | 9,96 | 10,83 | 11,77 | 12,8 | 13,92 | 15,14 | 16,47 | 17,91 | 19,48 | 21,19 | 23,04 | |||||||||||||||||||||
| Настоящий (AMPS) | 8,78 | 9,33 | 9,81 | 10,24 | 10,61 | 10,94 | 11,22 | 11,47 | 11,69 | 11,88 | 12,06 | 12,22 | 12,37 | 12,52 | |||||||||||||||||||||
| 110 | Емкость (Btu/hr) | 32180 | 38160 | 44636 | 51669 | 59323 | 67659 | 76738 | 86623 | 97375 | 109058 | 121731 | 135458 | 150300 | 166320 | ||||||||||||||||||||
| Сила (kW) | 5,45 | 5,91 | 6,35 | 6,77 | 7,17 | 7,56 | 7,93 | 8,28 | 8,61 | 8,93 | 9,22 | 9,5 | 9,75 | 9,99 | |||||||||||||||||||||
| EER (BTU/WATT-HR) | 5,9 | 6,46 | 7,03 | 7,63 | 8,27 | 8,95 | 9,68 | 10,46 | 11,31 | 12,22 | 13,2 | 14,26 | 15,41 | 16,64 | |||||||||||||||||||||
| Настоящий (AMPS) | 9,25 | 9,94 | 10,56 | 11,1 | 11,57 | 11,98 | 12,33 | 12,63 | 12,88 | 13,08 | 13,26 | 13,4 | 13,51 | 13,61 | |||||||||||||||||||||
| 130 | Емкость (Btu/hr) | 24516 | 30125 | 36113 | 42542 | 49476 | 56974 | 65100 | 73915 | 83481 | 93860 | 105114 | 117305 | 130495 | 144746 | ||||||||||||||||||||
| Сила (kW) | 5,53 | 6,13 | 6,71 | 7,28 | 7,82 | 8,35 | 8,86 | 9,35 | 9,82 | 10,27 | 10,71 | 11,12 | 11,51 | 11,88 | |||||||||||||||||||||
| EER (BTU/WATT-HR) | 4,43 | 4,91 | 5,38 | 5,85 | 6,32 | 6,82 | 7,35 | 7,9 | 8,5 | 9,14 | 9,82 | 10,55 | 11,34 | 12,18 | |||||||||||||||||||||
| Настоящий (AMPS) | 9,48 | 10,3 | 11,02 | 11,65 | 12,19 | 12,66 | 13,04 | 13,36 | 13,62 | 13,81 | 13,96 | 14,05 | 14,1 | 14,12 | |||||||||||||||||||||
Хладоагенты 06DR541 R404A/R507
| Физические данные | ||||||||||||||||||||||||||||
| Модель | Номинальный HP | Сместите. CFM | Но. цилиндров | Размер всасывающей магистрали (внутри) | Линия разрядки размер (внутри) | Грузя вес (lbs) | Обязанность масла (пинты) | |||||||||||||||||||||
| 06DR541 | 15 | 41 | 6 | 1 5/8 | 1 1/8 | 325 | 8 | |||||||||||||||||||||
| Доступные напряжения тока | |||||||
| 208/230-3-60 | |||||||
| 460-3-60 | |||||||
| 575-3-60 | 

| Исправленная сводка данных в виде таблиц – напряжение тока RGT = 65°F Subcooling = 0°F: 460-3-60Hz | |||||||||||||||||||||||||||||||||||
| Насыщенная конденсируя температура (f) | Насыщенная температура всасывания (f) | ||||||||||||||||||||||||||||||||||
| -10 | -5 | 0 | 5 | 10 | 15 | 20 | 25 | 30 | 35 | 40 | 45 | 50 | 55 | ||||||||||||||||||||||
| 90 | Емкость (Btu/hr) | 43729 | 50724 | 58399 | 66821 | 76059 | 86181 | 97257 | 109354 | 122542 | 136889 | 152464 | 169335 | 187571 | 207240 | ||||||||||||||||||||
| Сила (kW) | 5,66 | 6,03 | 6,38 | 6,71 | 7,02 | 7,32 | 7,6 | 7,85 | 8,09 | 8,31 | 8,51 | 8,69 | 8,85 | 8,99 | |||||||||||||||||||||
| EER (BTU/WATT-HR) | 7,72 | 8,41 | 9,16 | 9,96 | 10,83 | 11,77 | 12,8 | 13,92 | 15,14 | 16,47 | 17,91 | 19,48 | 21,19 | 23,04 | |||||||||||||||||||||
| Настоящий (AMPS) | 9,66 | 10,26 | 10,79 | 11,26 | 11,67 | 12,03 | 12,34 | 12,62 | 12,86 | 13,07 | 13,26 | 13,44 | 13,61 | 13,77 | |||||||||||||||||||||
| 110 | Емкость (Btu/hr) | 35659 | 42285 | 49461 | 57255 | 65736 | 74973 | 85034 | 95988 | 107903 | 120848 | 134891 | 150102 | 166549 | 184300 | ||||||||||||||||||||
| Сила (kW) | 6,04 | 6,55 | 7,03 | 7,5 | 7,95 | 8,38 | 8,79 | 9,17 | 9,54 | 9,89 | 10,22 | 10,52 | 10,81 | 11,07 | |||||||||||||||||||||
| EER (BTU/WATT-HR) | 5,9 | 6,46 | 7,03 | 7,63 | 8,27 | 8,95 | 9,68 | 10,46 | 11,31 | 12,22 | 13,2 | 14,26 | 15,41 | 16,64 | |||||||||||||||||||||
| Настоящий (AMPS) | 10,17 | 10,94 | 11,62 | 12,21 | 12,73 | 13,18 | 13,56 | 13,89 | 14,16 | 14,39 | 14,58 | 14,74 | 14,86 | 14,97 | |||||||||||||||||||||
| 130 | Емкость (Btu/hr) | 27167 | 33382 | 40017 | 47142 | 54824 | 63133 | 72138 | 81906 | 92506 | 104007 | 116478 | 129987 | 144603 | 160394 | ||||||||||||||||||||
| Сила (kW) | 6,13 | 6,79 | 7,44 | 8,06 | 8,67 | 9,25 | 9,82 | 10,36 | 10,88 | 11,38 | 11,86 | 12,32 | 12,75 | 13,16 | |||||||||||||||||||||
| EER (BTU/WATT-HR) | 4,43 | 4,91 | 5,38 | 5,85 | 6,32 | 6,82 | 7,35 | 7,9 | 8,5 | 9,14 | 9,82 | 10,55 | 11,34 | 12,18 | |||||||||||||||||||||
| Настоящий (AMPS) | 10,43 | 11,33 | 12,12 | 12,81 | 13,41 | 13,92 | 14,35 | 14,7 | 14,98 | 15,19 | 15,35 | 15,46 | 15,52 | 15,53 | |||||||||||||||||||||

