Транзистор DC24V выводит наружу регулятор логики PLC 32K шагает емкость программы
Выходы транзистора Programmable управлением 24VDC регуляторов температуры регулятора логики PLC
PLC Coolmay интегрировал I/O, порты связи серийные. Система управления использующ электронную деятельность. Свои легкие храня процедуры, сподручные удлиняя принципы, синхронизированный считать и управление вход-выхода получают широкое применение к полю управления промышленной автоматизации.
Регуляторы логики PLC предлагают высокоскоростные, стабилизированные и сильно надежные применения во всех видах машин промышленной автоматизации. В дополнение к быстрой деятельности логики, достаточным инструкциям и множественным картам функции, рентабельный PLC также поддерживает рука об руку сеть мастер-раба RS485.
Особенности
Спецификации
| Размер | 130*90*36mm |
| Размер выреза | 122*99mm |
| Установка | Фиксированные установка отверстия и Din-рельс (35mm) |
| Уровень I/O |
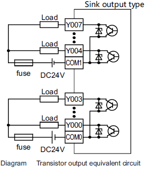
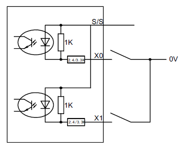
Входной сигнал: Пассивное NPN, общественный терминал изолировало Выход транзистора: NPN |
| I/O цифров | 12DI/12DO |
| СДЕЛАЙТЕ тип |
Выход транзистора, максимальная нагрузка 500mA |
| Высокоскоростной считать |
Канал 60KHz одиночной фазы 6 |
| Высокоскоростной ИМП ульс | 8 каналов, Y0-Y3 100KHz, Y4-Y7 10KHz |
| Высокоскоростной считать + высокоскоростной ИМП ульс < 480KHz=""> | |
| Сетноой-аналогов I/O (опционный) | 6AI/4AO |
| Тип AI (опционный) | Тип термопара E/E_/K/K_/S/S_/T/T_/J/J_/PT100/PT1000/NTC10K/NTC50K/NTC100K/0~10V/0~5V/0-20mA/4-20mA/-5V~5V/-10V~10V |
| Тип AO (опционный) | 0~10V/0-~5V/0~20mA/4~20mA/-5~5V/-10~10V (2DA для 1 минус напряжение тока) |
| Дефолт |
1 мини тип порт USB b программируя, 1 программируя порт RS232 (Терминал интерфейса порт мыши женский с 8 отверстиями), 2 порта COM RS485 |
| Опционный |
Дефолт 2 порта COM RS485 можно подгонять как 1 RS485, порты 1 COM RS232, или 1 порт COM RS485, 1 КОНСЕРВНАЯ БАНКА (2.0A/B), или 1 порт COM RS232, 1 КОНСЕРВНАЯ БАНКА (2.0A/B) |
| Программное обеспечение | Совместимый с РАБОТАМИ 2 |
Упаковка и грузить
OEM & ODM
Проводка


