Транзистор NPN вывел наружу считать быстрого хода регулятора 12DI 12DO PLC IOT мини
Транзистор NPN вывел наружу промышленный считать быстрого хода канала 60KHz одиночной фазы 6 PLC 12DI/12DO контроля
Регулятор PLC Coolmay programmable принимает технологию разъединения силы в первый раз в нововведении оборудования. Ультратонкое, низкотермичное, быстрое тепловыделение, стабилизированный и надежный, PLC сильно интегрирован с аналогом и температурой, сильным, легким для использования, сбережениями цены и космоса, и гибким. Он имеет высокие показатели и может быть использован в различных случаях требуя управления PLC без внешних модулей расширения PLC.
Параметр:
|
Размер |
130*90*36mm |
| Размер выреза | 122*99mm |
| Установка | Фиксированные установка отверстия и Din-рельс (35mm) |
| Особенности | Прерывание поддержки, линейная интерполяция дуги, автоматическ-настраивать PID. емкость программы 32K, памятливый регистр 32K |
| Уровень I/O |
Входной сигнал: Пассивное NPN, общественный терминал изолировало Выход транзистора: NPN Выход реле: Нормально открытый сухой контакт |
| I/O цифров | 12DI/12DO |
| СДЕЛАЙТЕ тип и нагрузку |
Реле (Г-Н) или транзистор (MT) или смешанное (MRT) Трубка MOS: 2A/point, COM пункта 4A/4; MT транзистора: 0.5A/point, COM пункта 0.8A/4, COM пункта 1.6A/8; Г-Н: 2A/point, COM пункта 4A/4, COM щелчка 5A/8. |
| Высокоскоростной считать | Канал 60KHz одиночной фазы 6, или 2 AB 60KHz + 1 AB 10KHz, или 2 ABZ 60KHz + 1 участок AB 10 КГц |
| Высокоскоростной ИМП ульс | 8 каналов, Y0-Y3 100KHz, Y4-Y7 10KHz |
| Высокоскоростной считать + высокоскоростной ИМП ульс < 480KHz=""> | |
|
Сетноой-аналогов I/O (опционный) |
6AI/4AO |
|
Тип AI (опционный) |
Тип термопара E/E_/K/K_/S/S_/T/T_/J/J_/PT100/PT1000/NTC10K/NTC50K/NTC100K/ 0~10V/0~5V/0-20mA/4-20mA/-5V~5V/-10V~10V |
|
Тип AO (опционный) |
0~10V/0-~5V/0~20mA/4~20mA -5~5V/-10~10V (2DA для 1 минус напряжение тока) |
| Дефолт | 1 мини тип порт USB b программируя, 1 программируя порт RS232 (терминал порт мыши женский с 8 отверстиями), 2 порта интерфейса COM RS485 |
| Опционный |
Дефолт 2 порта COM RS485 можно подгонять как 1 RS485, порты 1 COM RS232, или 1 порт COM RS485, 1 КОНСЕРВНАЯ БАНКА (2.0A/B), или 1 порт COM RS232, 1 КОНСЕРВНАЯ БАНКА (2.0A/B) CX3G-48M может добавить порт сети стандарта Ethernet. |
| Программное обеспечение | Совместимый с РАБОТАМИ 2 GX |
Преимущества:
◆Сильный, совместимый с PLC FX3G/FX3U/FX3S, высокой скоростью обработки.
◆Верхнее программное обеспечение компьютерного программирования совместимое с работами 2/GX Developer8.86
◆Военное C.P.U. бита уровня 32 приняло, которое более быстро и больше приспособлено к промышленной среде высокого электромагнитного взаимодействия.
◆Особенное шифрование, предотвращает противозаконное чтение тщательно. 8-разрядное шифрование, 12345678 по мере того как пароль может тщательно предотвратить чтение программы логики лестницы.
◆Часы поддержали, перезаряжаемые батарея приняли.
◆С 2 портами PLC программируя. PLC CX3G имеет один порт USB MiniB с более быстрой загружая скоростью; один программируя порт Rs232 с 8 гнездами отверстия мыши.
◆Высокоскоростные счетчик, регулярный как канал 10KHz участка 1 каналов 60KHz+ AB каналов 60KHz одиночной фазы 6 или участка 2 AB (z).
◆Высокоскоростной ИМП ульс, регулярный как 8 каналов Y0-Y3 в 100KHz, Y4-Y7 в 10KHz.
Примечание: Высокоскоростной ИМП ульс counter+ высокоскоростной должен быть меньше 480KHz.
◆Типы поддержки множественные сетноые-аналогов индивидуально или смешанные одни для и входного сигнала аналогового выхода.
Точность AD/DA 12bit. Температура/настоящее/напряжение тока для входного сигнала. настоящий/напряжение тока для выхода.
◆Удобный для связывать проволокой. CX3G принимает терминалы 5.00mm pluggable.
◆Легкая установка. Установка Din-рельса (ширины 35mm) и фиксированная установка отверстия.
◆Гибкий, смогите быть подгоняно соответственно.
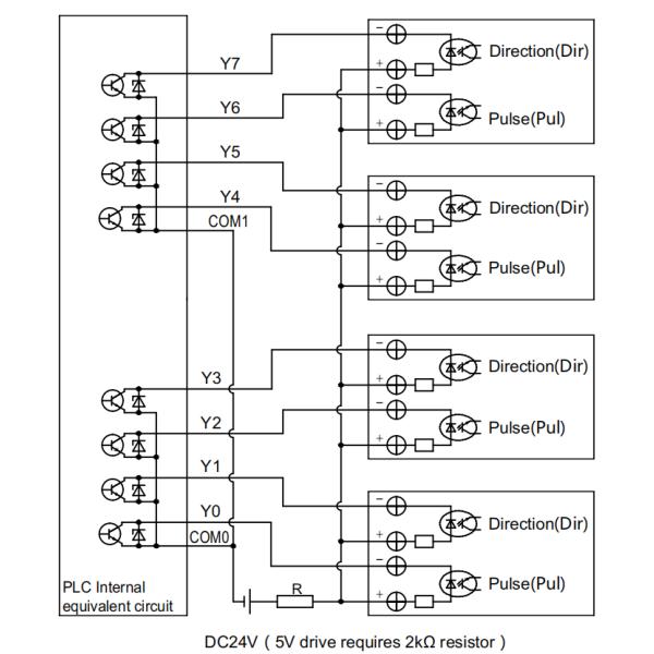
Монтажная схема выхода ИМПа ульс:

Определение порта COM:
Приведенный с 2 программируя портами: Мини тип порт usb b (более быстро для загрузки) и RS232 (голова мыши 8 отверстий). Порт 2 RS485 дефолт, 34M/64M/80M можно подгонять 1 485 гаван и 1 232 гаван, КОНСЕРВНАЯ БАНКА опционная, 16M/24M/32M/48M можно подгонять как 1 RS485,1 RS232 или 1 КОНСЕРВНАЯ БАНКА RS485,1 или 1 RS232,1 КОНСЕРВНАЯ БАНКА, порт сети стандарта Ethernet опционные
Интерфейс:
Сериал 1: RS232 (порт PLC программируя); протокол порта Мицубиси поддержки программируя, могущие понадобиться для
загрузка программного обеспечения PLC и можно связывать с прибором который поддерживает porgramming Мицубиси protocal.
Сериал 2: RS485 () порта AB/: поддержка Мицубиси программируя гаван protocal, доска Мицубиси BD protocal,
RS protocal и MODBUS RTU protocal
Поддержки RS, RS2, WR3A, RD3A, инструкции ADPRW
Сериал 3: RS485 (A1 B1): поддерживает Мицубиси программируя гаван protocal,
Поддержки RS2, WR3A, RD3A, инструкции ADPRW
Порт com КОНСЕРВНОЙ БАНКИ: поддержки RS2 и MODBUS protocal
Поддержки RS2, WR3A, DR3A, инструкции ADPRW
Чистое сообщение: Инструкция Modbus CP/UDP поддержки
Поддержка RS2, WR3A, RD3A, инструкции ADPRW