мотор сервопривода Ac одиночной фазы 0.4kw для привода мотора Ac
Сильная функция внутреннего контроля за движением, которая может режимы полного контроля как положение,
скорость, вращающий момент и самонаводить, и управление i/o поддержки и стандарт Modbus RTU протокол могут
замените PLC или модуль ИМПа ульс в некоторых случаях для уменьшения цены применения.
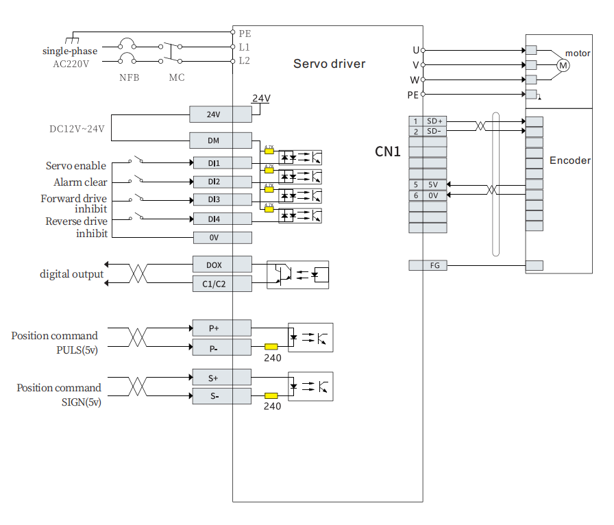
1 оборудованный с новым поколением мотора сервопривода, оно может покрыть ряд силы 50w-3000w;
2 богатых многофункциональных порта, поддерживая общего соединение Yin и Yang;
Входной сигнал команды ИМПа ульс 3 поддержек и входной сигнал команды RS485;
4 проконтролированный модулем i/o PLC
Модуль выхода ИМПа ульс PLC требовал
Уменьшите цену системного проектирования потребителей
Более простой контроль и легкая деятельность
Легкое соединение 5 с экраном касания (HMI)
Упрощенная система управления
Сохраните проводку
Установка параметра и контроль состояния
Параметр:


1) Вы изготовитель или торговая компания?
Мы и фабрика и trae компания, мы имеем инженеров для исследования & дизайна и работников для продукции и приводимся в действие etc, мы смогли
поддержите вас универсальные продукты и услуга.
2) Вы имеете сертификат CE?
Да, для продуктов мы экспортировали, мы смогл предложить CE для ваших таможен.
3) Сколько времени о доставке?
Оно зависит от деталей заказа, и обычно, мы смогли поддержать доставку не позднее 2-7 рабочих дней.