| Максимальная скорость потока | 200 л/мин, 240 л/мин, 260 л/мин |
| Скорость вращения | 2820 оборотов |
| Напряжение | 220В,50Гц |
| Текущий | 9А |
| Сила | 00,75 кВт/1 л. с.;1.1Kw/1.5H;10,3 кВт/1,8 ч. |
| Класс экс-доказательств | IP×6 |
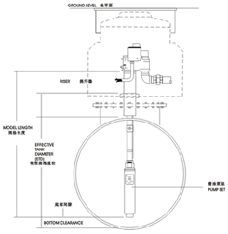
| Фиксационная нить | BSPF4" BSPF/NPT4" |
| Впуск | BSPF1 1/2 " BSPF/NPT1 1/2 " |
| Выпуск | ДНЯО2" |
| Регулируемое давление | 21KPa-207KPa |
| Производственный диапазон давления | 79KPa-93KPa |
| Рабочее давление | > 34 КПа |
| Номинальное давление | 0.1МПа |
Данные пакета
| Пакет | 1 шт/2 картон |
| Чистая масса | 40 кг. |
| Валовая масса | 41кг |
| Размер | 360×280×370 мм |
| 730×170×170 мм |
Строительство
