Наш электрический гидравлический морской кран построен для того чтобы выдержать самое жесткое морских условий, делающ его идеальный для сверхмощной пользы. Свои жесткое заграждение и прочная конструкция делают его идеальным для поднимаясь тяжелых грузов на оффшорных платформах, буровых вышках, и других морских окружающих средах.
Кран имеет простую но крепкую структуру, обеспечивающ легкие обслуживание и ремонт. Он конструирован для того чтобы увеличить эффективность, сохраняя время и усилие в регуляции тяжелых грузов.
Мы предусматриваем достаточные запасные части и инструкции установки обеспечить что кран работает оптимально и последовательно, с минимальным временем простоя. Дополнительно, наш морской кран погружен морским путем, учитывая своевременные доставку и легкость установки.
Выберите наш электрический гидравлический морской кран для надежного, сверхмощного поднимаясь решения которое отвечает ваши морские потребностямы применения.
Свернутый стальной постамент использован в установке крана, который можно скрепить болтами или сварить к палубе. Высота постамента стандартна для OUCO, и свой диаметр определен SWL крана.
Платформа оператора включена в стандартном жестком кране заграждения, пока кабина оператора опционная особенность. Если спрошено, кран и все свои связанные компоненты и оборудование будут конструированы в соответствии с требованиями ведущих обществ классификации. Кран будет испытан, будет отрегулирован, и будет сделан готовой для установки путем сваривать или скреплять болтами его к палубе сосуда. Интегрированное электрическое кольцо выскальзывания предусмотрит соединение силы для электрической поставки. Клиенты имеют вариант для того чтобы подгонять их краны для того чтобы одеть их индивидуальные потребности.



Преимущества продукта
1.Safety и надежность.
2.Rates скорости можно изменить.
3,360 градуса постоянно роторный.
electro 4.Both гидравлический и ручной контролировать.
5.Operate удобно.
цена 6.Cheaper.
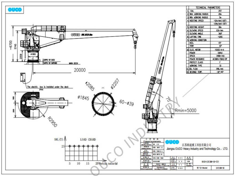
Чертеж GA

Направление компании
