Часть 62294000 проводника лезвия верхняя для автоматической модели машины С91 резца
Спецификации частей:
|
Название продукта: |
62294000 ПРОВОДНИК, НОЖ, ЗАД, .093, С-91, РПЛ 031083015 |
|
Упаковывая детали: |
Стандартная упаковка |
|
Качественная гарантия: |
Если качественная проблема, будет, то замените к клиенту немедленно |
|
О налоге: |
Смогите сделать низкое значение на КИ для избежания высокого налога на стране клиента |
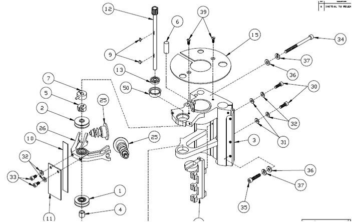
Чертеж для этой части деталя как ниже:


Наши продукты соответствующие для оборудования:
Для резца Гербер автоматического: ГТ7250/5250/С3250/ДКС1500/ГТСЛ/СЛК7000/З7
/ ПАРАГОН ВС/ХС
Для распространителя Гербер, прокладчик Гербер:
БЕЗГРАНИЧНОСТЬ; БЕЗГРАНИЧНОСТЬ - ИИ; БЕЗГРАНИЧНОСТЬ - АЭ2; СЕРИЯ прокладчика АП; АП300 - АП360; С91; СИ101; СЛС50; СЛС125…
Для прокладчика И Автоматическ-резца Лектра: Алыс 20/Алыс30/Алыс60/Алыс120,
ВТ2500, ВТ5000, ВТ7000, К25, К50, К80, МП6, МП9, М88, МХ8, МХ, ФС, МС, ИС6, ИС9
Для Ин/резца/Булльмер/Курис/Инвестроника Такатори
Преимущества Благоприятн Компании
1. Мы имеем части и потребляемые вещества больше чем 95% запасные в запасе; вы можете получить части которые вам нужно вкратце приурочить без ожидания.
2. Мы имеем команду старшего инженера с 15 летами опытов которые могут поставить свободную службу технической поддержки когда вы смотрите на с техническими вопросами.
3. Мы можем обеспечить быструю доставку. Мы можем поставить товары к вам в течение 4 часов интернатионал срочным после получаем вашу оплату.
4. Мы поставляем запасные части и потребляемые вещества над 65 странами и над 10 из предприятий 500 лучших, как Боинг, Бенз, БМВ, Хонда, Тойота, Адидас, секрет Виктории, приветственные восклицания ......
5. Мы постоянн будем улучшать качество продукта для уменьшения 40% | 60% стоило для того чтобы увеличить вашу выгоду.
6. Мы развили меля камень и лезвие недавно которое продолжительность жизни 5 раз более длинна чем нормальный продукт и она улучшит емкость 10% и качество портноя.
Мы можем поставить всю из запасных частей в этой индустрии, можем аранжировать доставку на подтверждении заказа.
Также части подгонянные гостеприимсвом нештатные высококачественные запасные.
Пожалуйста добросердечно препровождайте нам ваш список требований и мы отправим вами нашу резко сниженную цену для запасных частей вы требуете в течение 1-2 часов.