Индикаторная панель СИД. Визуальный индикатор
Прозрачный сигнал передачи
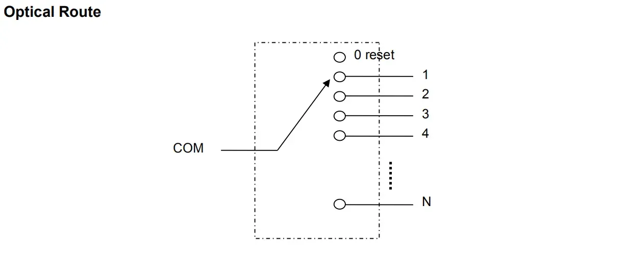
Оптически маршрут

Подобные продукты


| оптически переключатель 1x2 | оптически переключатель 1x4T | оптически переключатель 1x1 |
Спецификации
|
|
Обзор продукта
|
переключатель волокна 1x8 1x16 оптически rackmount для контролировать
переключатели Multi канала 1x8 или 1x16 оптически Rackmount
1×N шкаф-установило оптически переключатель вид функционального прибора, со способностью контролировать и переключать оптически маршрут. Его можно вручную выбрать от переднего - панель или проконтролировать через RS232 порт, порт сети стандарта Ethernet и автоматическ-просмотреть на некоторой частоте. В системе передачи стекловолокна, оно использован для контроля волокна мульти-канала, multi выбора детектора источника света, и предохранение от etc. пути стекловолокна кроме, оно также использован в испытательной системе стекловолокна для стекловолокна и своего компонентного теста, теста на открытом воздухе кабеля и системы мониторинга датчиков мульти-пятна оптически.
|
Особенности