Описание продукта:
1x4S 105/125um оптоволоконный переключатель для волоконного датчика
1x4S оптический коммутатор
Эти оптические коммутаторы 1x4S от GEZHI Photonics используют 105/125um большое ядро волокна. которые поддерживают 780nm, 850nm, 980nm, 1060nm, 1310nm, 1550nm или индивидуальную длину волны.105/125um волокна 1x4 оптические коммутаторы с низкой потери вставки, высокая стабильность и надежность и высокий кросс-разговор. который широко используется в медицинской, волоконный датчик, исследования, лазер и аэрокосмической и т.д.
Особенности
◆Низкая потеря вставки
◆Изоляция высоких каналов
◆Высокая устойчивость, высокая надежность
◆Замыкается или не замыкается
Технические параметры
|
Параметры |
GZ-1x4S | |
| Рабочая длина волны | nm | 780, 980, 1060, 1310,1550 и т.д. |
| Потеря вставки | ДБ | ≤ 1.5 |
| Потеря, зависящая от длины волны | ДБ | ≤ 0.40 |
| Потери, зависящие от поляризации | ДБ | ≤ 0.05 |
| Теплозависимые потери | ДБ | ≤ 0.20 |
| Возвратные потери | ДБ | SM≥50 MM≥30 |
| Переговоры | ДБ | SM≥55 MM≥35 |
| Время переключения | мс | ≤ 8 |
| Повторяемость | ДБ | ≤±0.02 |
| Прочность | Времена | ≥107 |
| Рабочее напряжение | V | 3 или 5 |
| Тип переключателя | Незажимание/зажимание | |
| Операционная температура | °C | -20 ~ +70 |
| Температура хранения | °C | -40 ~ +85 |
| Оптическая мощность | МВ | 500, 1000, 2000, 5000, 10000 и т.д. |
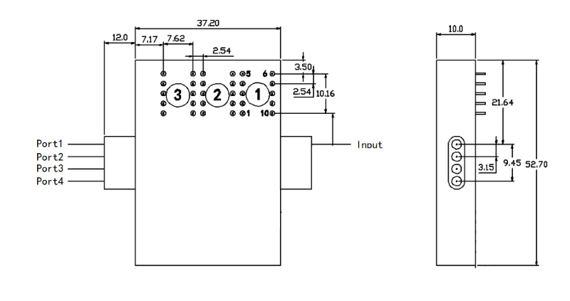
| Размер | мм | 52.7.0L×37.2W×10.0H |
Оптический маршрут

Размер

Информация о заказах
| GZ | Режим | Длина волны | Тип напряжения | Модель управления | Рабочая мощность | Тип волокна | Диаметр волокна | Длина волокна | Коннектор |
| 1х4S |
S=SM M=MM |
780=780 нм 85=850 нм 13=1310 нм 15=1550 нм 13/15=1310/1550 нм 980=980nm 1060=1060nm S=Уточнить |
3=3В 5=5В |
L=Замыкание N=незажимание |
N=500mw 1=1Вт 2=2W 5=5 Вт 10=10 Вт S=Уточнить |
5=50/125 6=62,5/125 9=9/125 1=105/125 S=Уточнить |
25=250um 90=900м 20=2,0 мм S=Уточнить |
05=0,5 м 10=1,0 м S=Уточнить |
00=Ничего FP=FC/PC FA=FC/APC SP=SC/PC SA=SC/APC LP=LC/PC LA=LC/APC S=Уточнить |
Частые вопросы