Преграженные двойные оптически переключатели 1x1 для преграждать канала
Двойные 1x1 оптически переключатели CO. GEZHI Photonics, Ltd также значат переключатель полностью механического волокна 2x2 оптически, свой с сквозным и перекрестным оптически государством. Свои используемые в конфигурации добавляют/решении падения, канале преграждая, с высокой надежностью и низкими оптически искажениями.
|
Особенности Failsafe запирать на задвижку
Бесподобная низкая цена
Низкие оптически искажения Свободный от Эпоксидн оптически путь
Высокая надежность
|
Применения Преграждать канала Конфигурируемый добавьте/падение
Системный контроль
Инструментирование
|
Спецификация
| Параметры | Спецификации | Блок |
| Работая длина волны | 1260~1620 (SM) | nm |
| Вносимая потеря | ≤1.0 | dB |
| Потеря длины волны зависимая | ≤0.25 | dB |
| Потеря поляризации зависимая | ≤0.05 | dB |
| Потеря температуры зависимая | ≤0.20 | dB |
| Потеря возвращения | SM≥50 | dB |
| Перекрестные помехи | SM≥55 | dB |
| Время переключателя | ≤8 | госпожа |
| Повторимость | ≤±0.02 | dB |
| Стойкость | ≥107 | времена |
| Рабочий потенциал | 3 или 5 | V |
| Тип переключателя | Не-запирать на задвижку/запирая на задвижку | |
| Рабочая температура | - 20~+70 | ℃ |
| Температура хранения | - 40~+85 | ℃ |
| Оптически сила | ≤500 | mW |
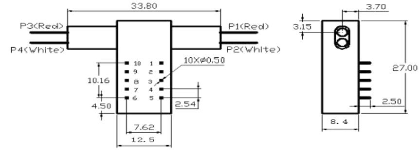
| Размер | 27.0L×12.5W×8.4H | mm |
Штыри
| Тип | Оптически маршрут | Электрический привод | Датчик государства | ||||||
| Полное 2×2 | Pin 1 | Pin 5 | Pin 6 | Pin 10 | Pin 2-3 | Pin 3-4 | Pin 7-8 | Pin 8-9 | |
| Запирать на задвижку | P1-P4, P2-P3 | -- | -- | GND | V+ | Конец | Раскройте | Раскройте | Конец |
| P1-P3, P2-P4 | V+ | GND | -- | -- | Раскройте | Конец | Конец | Раскройте | |
| Не-запирать на задвижку | P1-P4, P2-P3 | -- | -- | -- | -- | Конец | Раскройте | Раскройте | Конец |
| P1-P3, P2-P4 | V+ | -- | -- | GND | Раскройте | Конец | Конец | Раскройте | |
Данные по заказа
GZ-FSW-2×2F
| Режим | Длина волны | Тип напряжения тока | Модель контроля | Тип волокна | Диаметр волокна | Длина волокна | Соединитель |
| S=SM M=MM |
85=850nm 13=1310nm 15=1550nm 13/15=1310/1550nm X=Others |
3=3V 5=5V |
L=Latching Запирать на задвижку N=Non- |
5=50/125 6=62.5/125 9=9/125 X=Others |
25=250um 90=900um 20=2.0mm 30=3.0mm X=Others |
1=1m 2=1.5m X=Others |
0=None X=Others |
Оптически маршрут

Механический чертеж
