Магнетрон незатухающей волны CK622B 40kW/915MHz 33cm, фиксированн-частота, полно-металл-керамическая структура, и сразу термальный чистый катод вольфрама, высокомощные трубки микроволны. Электромагнит прикрепленный в магнитное поле от снаружи для предложения вод-охлаженной трубки, катодных ветвей к с воздушным охлаждением, микроволновой энергии от осевой мощности в антенне, может сразу простимулировать прямоугольный волновод действуя как источник питания микроволны используемый для нагревать.
Типичная деятельность:
Напряжение накала: 12.6V+-1.2V
Ток накала: 95 a
Анодное напряжение: 13kV
Течение анода: 3,6 a
Течение электромагнита: 3 a
Сила выхода: 40kW
Эффективность: 85%

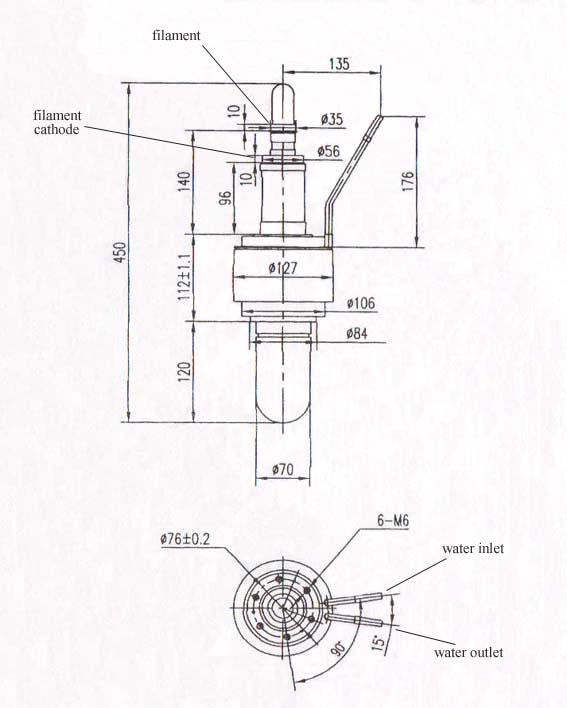
Размер магнетрона GCWM-9050 50kW-915MHz CW