Магнетрон CW высокой эффективности на трубка перекрещивающиеся поля осциллируя 2450 MHz
Принцип магнетрона CW:
Магнетрон CW одна из наиболее широко трубки перекрещивающиеся поля осциллируя, тип прибор общих черт «m» доли: большая сила, высокая эффективность, низшее напряжение, небольшой размер и низкая цена.
Упакованный, металл-керамический, Вод-охлаженный магнетрон непрерывной генерации с объединенным RF-фильтром запланированным для пользы в промышленных применениях топления микроволны. Трубка отличает катодом быстр-топления, высокой эффективностью, и имеет типичную силу выхода 6kW, встроенный электромагнит позволяет регулятору мощности и стабилизации выхода.
Особенность магнетрона CW
Жизнь магнетрона под нормальными эксплуатационными режимами будет для продолжительности 2000 часов.
Потому что условия труда под магнетроном, жизнь магнетрона находятся на ударе потребителя для обеспечения адекватных условий безопасностью, как направление воздушных потоков, сила включено-выключено, etc.
Использование магнетрона CW
2 вида аксессуаров
A. Used с трансформаторами, конденсаторами, стогом кремния, волноводами, и вентиляторами цапфы
B. Used с силой источника, волноводом и вентилятором цапфы.
Поле магнетрона CW
Засыхание/топление/стерилизуя материал в индустрии, медицине, еде, гигиене, etc.
Параметры магнетрона CW
| Основной параметр |
| Сила выхода: ............................................................ 6kW |
|
Напряжение накала: 1. Начало: ............................................................... 5V ± 10% 2. Работать: ............................................................ См. смокву 1 |
| Течение анода (середина): ................................................ 950 мам |
| Течение анода (пик): ................................................ 1200 мам |
| Анодное напряжение (пик): ................................................ 7,2 kV |
| Частота: ............................................................ ± 2460 10 MHz |
| Ток накала: ......................................................... 33 a |
| Эффективность: .................................................................. 72% |
| Течение катушки электромагнита: ............................................. - 1,7 a |
| Охлаждать: .......................................... Вода 5 Л/МИН и принуженный - воздух 150 Л/МИН |
| Вес: ..................................................................... 4.5kg |

Fig1. Кривая уменьшения напряжения накала с прикладным анодным напряжением

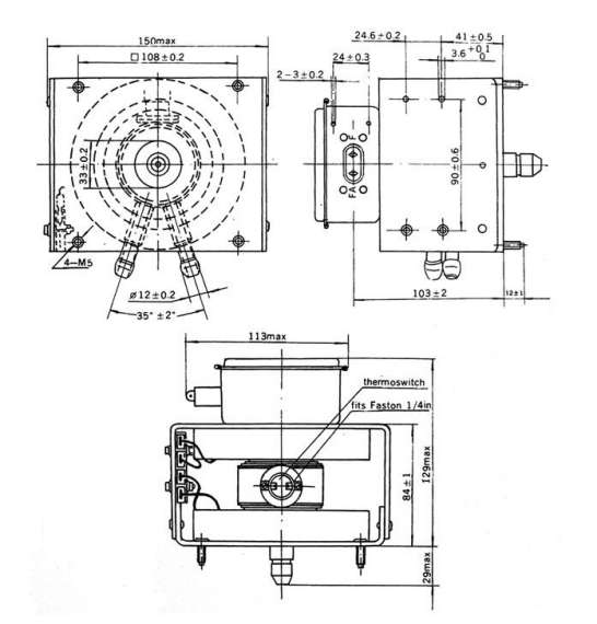
Размер магнетрона CK-625 6kW-2450MHz CW
О США
Основанный в 1958, CO. Guoguang электрическое, Ltd. Чэнду. одна из помощи Советского Союза 156 ключевых проектов во время плана 1stFive-Year, и также всесторонняя фабрика предназначенная в производстве электрона микроволны. В октябре 2000, фабрика реорганизована в дол-держа корпорацию которая устанавливает ногу в исследовании, производстве и торговой операции науки. Управление и производственная база расположены в государственный уровень экономический и зону технического прогресса района Longquanyi, города Чэнду. Зона производственной базы 133,340m2 и вся площадь структуры 80,000m2. Полное имущество компании почти 900 миллионов RMB и чистый актив 600 миллионов RMB. Над 1100 штатными сотрудниками используйте и сверх 30% из их средние и высокие выстраивая в ряд техники.