|
Модель
|
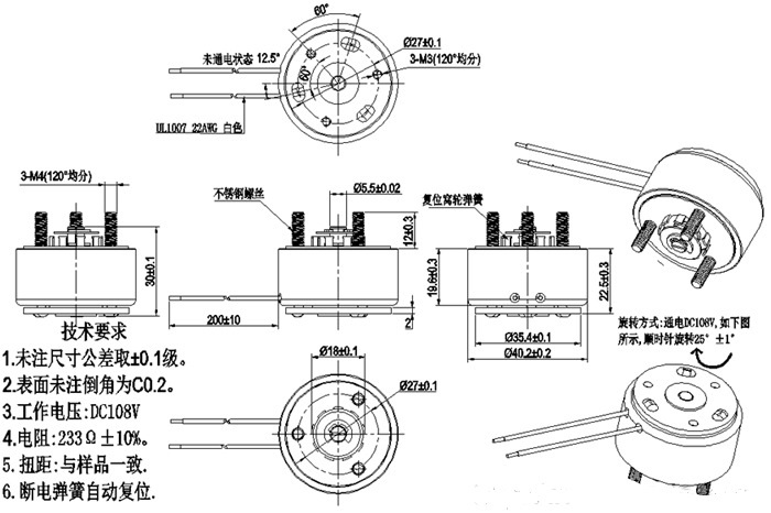
T3528S
|
|
Бренд
|
DASON |
|
Пользы
|
Автоматические приборы
|
|
Начальное всасывание
|
10 (n)
|
|
Напряжение тока деятельности
|
108 (v)
|
|
Объем применения
|
оборудование автоматизации |
|
Примечание
|
Напряжение тока 12-220VDC, двойной дизайн угла, можно переключить автоматически и вручную, и электрические параметры можно конструировать
согласно степени требований клиента |
чертеж размера продукта

Этот тип соленоида главным образом использован для сортировать оборудование и оборудование автоматизации, и режим соединения нижняя установка потока
Размеры можно подгонять согласно требованиям клиента, некоторой структуре для вращения стального шарика, с весной возвращения, могут произвести угол: 10 градусов - 45 градусов
Красивое возникновение (поверхностное покрытие можно выбрать согласно требованиям к клиентов (плакировке никеля, плакировке цинка, распылять, сплав никеля цинка)
Общий размер: Ширина Φ 40 * 20 (длина * * высота) (общий размер можно подгонять согласно требованиям к пользы)
Напряжение тока деятельности: dc12v-dc220v
Вращающий момент: 0.1n.cm
Срок службы: ≥ 500000 раз