Электрический соленоид dsn-0630 герметической электрической кастрюли/изготовление на заказ соленоида
Характер продукции
Название продукта: электромагнит dsn-0660l действия умной электрической герметической электрической кастрюли небольшой пушпульный прямой
Модель продукта: dsn-0660l-198a3000
Марка товара: Dason
Размер рамки: 59 * 25,4 * 22mm
Тип товара: тип рамки пушпульный электромагнит
Коммерческое применение: умная электрическая герметическая электрическая кастрюля, etc
Напряжение тока деятельности: dc198v вытягивают внутри, dc66v держат
Расклассифицированная сила: 13W вытягивают внутри, владение 1.45w
Расклассифицированное течение: 0.066a вытягивают внутри, владение 0.022a
Значение сопротивления: 3000 Ω
Ход: 5mm
Прочность: ≥ 200g
Время на ответ: ≤ 50ms
Срок пригодности: ≥ 200000 раз
Цикл деятельности: непрерывная сила дальше
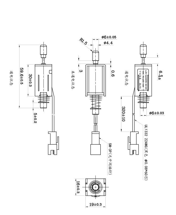
Чертеж размера продукта

Сила против кривой хода


Материалы
Высококачественные чистые утюжат дом, остаточный магнетизм
Медная проволока высокого стандарта, нагревая стабильность, хорошая изоляция, эффективная проводимость
Водоустойчивый класс IP65
Структура
Дизайн простой структуры, прочный и надежный
Пряжка и резиновые части рукава уменьшить ссадину, расширяют срок службы
Установка и деятельность
Продетая нитку установка, легкая для установки и для того чтобы зафиксировать
Подковообразный плунжер для легкого соединения нагрузки
Время выполнения:
| Количество (части) | 1 - 50 | 51 - 500 | 501 - 1000 | >1000 |
| Est. Время (дни) | 5 | 10 | 20 | Быть обсуженным |
Наши 6 разработчиков выпускают 5 новых продуктов каждый месяц
MOQ 500 частей | 15 - к сроку поставки 20 дней | Нештатные части подгоняли.