Характер продукции
|
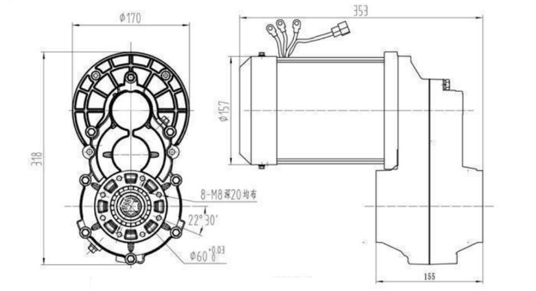
Напряжение тока (v):
|
48V
|
Вращающий момент (mN.m):
|
4mN.m
|
|
Сила входного сигнала (w):
|
1200W
|
Проектная скорость (RPM):
|
2850RPM
|

Время выполнения:
| Количество (части) | 1 - 1000 | 1001 - 10000 | >10000 |
| Время выполнения (дни) | 15 | 30 | Быть обсуженным |
Чертежи

Моторы постоянного магнита более добавочно разделены в 2 категории: моторы щетки и безщеточные моторы. Почищенные щеткой и безщеточные моторы. Почищенные щеткой и безщеточные моторы работают непрерывно с или без электрических щеток, известных как моторы DC. Они полагаются на отталкивании и привлекательности магнитного поля ротора и магнитного поля статора. Течение в пачке провода необходимо преобразовать на соотвествующей машине, в противном случае оно высосет вверх и не вращает. Мотор щетки автоматически завершен сочетанием из коммутант и щетка, который установлены внутри мотора.
Безщеточный мотор DC
Средние и большие трициклы вид катят 3, который инструмента транспорта используемого для того чтобы вытянуть товары или людей, который приводить в действие в действие батареи и управляемого моторами. Электрическое trike принимает трубчатую большую емкость, левую сторону и правую подкладку, глубокую разрядку и батареи тракции, которая могут соотвествовать непрерывного разряда в течение длительного времени. Батарея использована на 2 лет без уменьшения своего содержания.
Безщеточные моторы обеспечивают положение ротора для безщеточных регуляторов. Обыкновенно использовал безщеточные моторы имейте 8 руководств, чего 3 толщиной желто, толщиной зеленый, и толстая синь, которая обматывает руководства, и остальные 5 тонких проводов датчик положения ротора водят. Точный красный цвет вообще положительные 5 вольт, отлично черных отрицательный терминал и терминал сигнала общий 5 вольт, и отлично желтый, отлично зеленый, и отлично голуб сигнал положения 3 роторов водит. Безщеточные регуляторы полагаются на сигналах они обеспечивают для изменения направления обматывая течения.
2 типа безщеточных моторов для электротранспортов: 60 градусов и 120 градусов, которые нельзя увидеть от снаружи. Безщеточные регуляторы можно также разделить в 60 градусов и 120 градусов, и мотору и регулятору необходимо соответствовать. 36 методов соединения для 8 проводов между безщеточным мотором и безщеточным регулятором: только 2 вводят поправку на 60 градусов, один вперед вращение и другой обратное вращение; 6 типов 120 градусов которые положительны, 3 типа переднего вращения, и 3 типа обратного вращения.