Описание
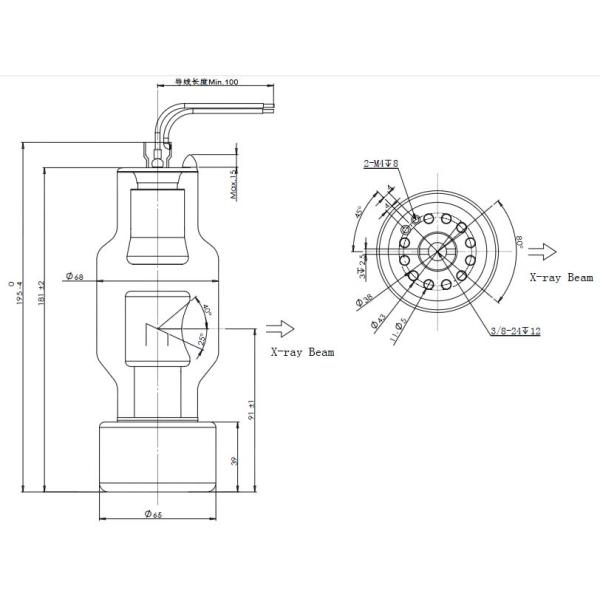
Промышленная трубка рентгеновского снимка 1.СРКС200-0.8-500 особенно конструирована для применения проверки безопасности багажа и доступный для номинального напряжения тока трубки с генератором ДК.
трубка интегрированная 2.Тхэ высококачественная с стеклянным дизайном имеет одно супер наведенное фокусное пятно и усиленный анод. Постоянн выход большой дозы во время всей жизни трубки обеспечен хигх-денситы целью вольфрама. Легкость интеграции в продукты системы облегчена обширной службой технической поддержки.
Технические данные
| Деталь | Спецификация | Стандартный |
| Номинальное напряжение тока трубки рентгеновского снимка | 200КВ | |
| Работая напряжение тока трубки | 60-200КВ | |
| Максимальное течение трубки | 2мА | |
| Максимальная сила входного сигнала анода | 500В | |
| Максимальный ток накала | 3.7А | |
| Напряжение накала | 3.5±0.2В | |
| Фокусный размер места | 0.8мм | ЭН12543-1999 |
| Угол цели | 25° | ИЭК 60788-2004 |
| Своиственная фильтрация | 0.8/мм Бе&0.7ммАл | |
| Материал цели | Вольфрам | |
| Угол радиации | 60°С80° | |
| Охлаждая метод | охлаждать масла | |
| Вес | 1150г |


