Ручное разделение панелей PCB для панелей PCB и LED длиной 460 мм
Спецификация:
|
Модель |
SMTfly-1M |
|
Максимальная длина резки ПКБ (мм) |
460/700/1000/1500 |
|
скорость резки пластинки (мм/с) |
Руководство |
|
Толщина разделения (мм) |
0.6~3.5 |
|
Машина для резки ПКБ Размер (мм) |
400*780*480 |
|
Сепаратор для печатных пластин Масса (кг) |
55 |
|
Твердость лезвия (HB) |
540 ~ 567 |
|
Твердость лезвия (HRC) |
60 ~ 63 |
|
Продолжительность работы лезвия для металла (год) |
0.5 |
|
Продолжительность работы лезвия для ПХБ (год) |
1 |
|
Гарантия (год) |
1 |
|
Доставка (день) |
в течение 3 дней |
|
Минимальный порядок (набор) |
1 |
|
Способность (набор) |
1000 комплектов/год |
Детальное описание продукта:
1. Для электроники, сотовых телефонов, компьютеров, печатных плат, FPC (гибкая печатная плата), светодиодов.
2, Форма из стали SKH-11, лезвие - SKH-9 (из Японии), строгая работа!
Технические характеристики:
Структурная точность, равномерная нагрузка, чтобы исключить внутреннее напряжение.
Безопасный, простой в эксплуатации
3. Для электроники, сотовых телефонов, компьютеров, ПКБ, ПКБ (гибкая печатная плата)
Особенности:
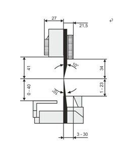
SMTfly-1M разделяет как небольшие, так и большие предварительно отрегулированные PCB. Таблица и остальные могут постоянно регулироваться в наиболее подходящем рабочем положении.Сплит между линейным лезвием и остальным может быть регулирована, чтобы гарантировать, что боковые полосы падают через и сортированыПКБ помещается с заранее закрепленной канавкой на линейное лезвие, а затем круговое лезвие рукой протягивается по ПКБ.Расстояние между верхним руководством и линейным лезвием регулируется, чтобы гарантировать, что ПКБ отделяется только в предварительно закрепленной канаве . Заранее зафиксированные канавки могут быть прерваны любым количеством вырезов. Если компоненты проецируются над канавкой, линейное лезвие должно быть пропущено. В таком случае, пожалуйста, свяжитесь с нами.

Обратите внимание:
Для разделения несложных панелей или отсечения отходов на полях часто достаточно круглых ножей.может быть достигнуто лучшее качество, если отделение производится одновременно с линейными ножами по всей длине доски (.g. CWVC-3 CWVC-2L CWVC-450 CWVC-480).
