Передатчика провода INOR APAQ-3LPT сетноые-аналогов регулируемые 3, Analoger, передатчик Dreidraht einstellbarer
APAQ-3LPT многошкальный передатчик температуры 3 проводов с входным сигналом Pt100 или Pt1000 и выходом 0-10 v.
Главные программы в участке HVAC, где системы управления часто требуют 0-10 входных сигналов v.
APAQ-3LPT конструировано для высокой надежности и хорошего промышленного представления.
Этот продукт передатчик провода рельса 3 DIN запланированный для измерения температуры в окружающей среде автоматизации здания. По мере того как все передатчики с регулировками потенциометра, APAQ-передатчики необходимо подвергнуть действию тяжелых ударов или вибраций которые могут причинить передатчик выйти тарировки. Избежать ESD (электростатической разрядки) к передатчику, который может причинить постоянное повреждение, всегда молол путем касаться некоторому земному оборудованию перед устанавливать передатчик.
| Фирменное наименование | INOR |
| Модель | APAQ-3LPT |
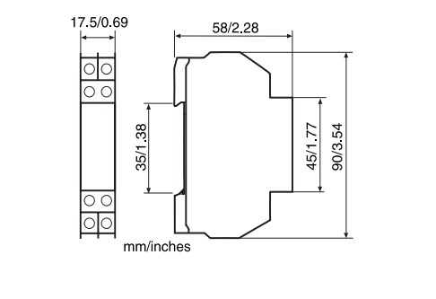
| Тип | Рельс-установленный |
| Входной сигнал | RTD |
| RTD входного сигнала | Pt100, Pt1000 |
| Тип передатчика | Аналог |
| Выход | 0-10 v |
| Изоляция | Unisolated |
| Измеряя каналы | 1 канал |
| Соединение датчика | соединение 3-провода |
| Электропитание | 15 до 30 VDC |
| Типичная точность | 0,15% из пяди |




etting сделан с jum припоя? pers, которые помещены внутри передатчика.
Конфигурация передатчика должна всегда быть унесена перед тарировкой. Предложено что тарировка проверена по крайней мере один раз в год. Когда новая тарировка необходима, эталонные измерительные приборы пользы с точностью по крайней мере 5 раз лучше чем, который хотят точности для тарировки. Передатчик защищенная полярность и не будет поврежден путем подключение электропитания с неправильной полярностью, но выход будет 0 V.
О нашей компании
1. кто мы?
Мы основаны в Чжэцзяне, Китае, начале от 2013, надувательстве к Юго-Восточной Азии (40,00%), внутренний рынок (35,00%), Африка (15,00%), средний восток (10,00%). Полно о нулевых людях в нашем офисе.
2. как можем мы гарантировать качество?
Всегда образец подготовки производства перед массовым производством;
Всегда финальная инспекция перед пересылкой;
3. чего можете вы купить от нас?
Манометр перепада давления, красный манометр перепада давления масла, передатчик давления перепада давления, ровный регулятор, поплавковый выключатель
4. почему должны вы купить от нас не от других поставщиков?
Мы имеем превосходная и опытная команда внешней торговли и другие команды обеспечить вас с самое лучшее и профессиональные услуги. Наши продукты проданы во всем мире как ходкие продукты и высокие продукты репутации. Мы направляем обслуживать высокий стандарт
5. какие обслуживания можем мы обеспечить?
Принятые условия доставки: ОБМАНЫВАЙТЕ, EXW, CIP, FCA, CPT;
Принятая валюта оплаты: USD, EUR, CNY;
Принятый тип оплаты: T/T, L/C, D/P D/A, кредитная карточка, PayPal, западное соединение;
Поговоренный язык: Английский язык, китайцы