Индивидуальные 24-контактные разъемы УСБ ПКБ типа к женские СМД СМТ
Что такое USB-разъем?
Разъем USB — это разъем, порт или гнездо, в которое вставляется штекер USB-кабеля или устройства с питанием от USB.Разъемы USB, как правило, гнездовые, а штекер USB на кабеле — штыревой.
Прямоугольные щелевые разъемы USB типа A наиболее распространены, их можно найти на компьютерах, персональной электронике и периферийных устройствах.Сюда входят клавиатуры и мыши, мобильные телефоны и зарядные устройства, карты памяти (флэш-накопители) и другие USB-аксессуары.
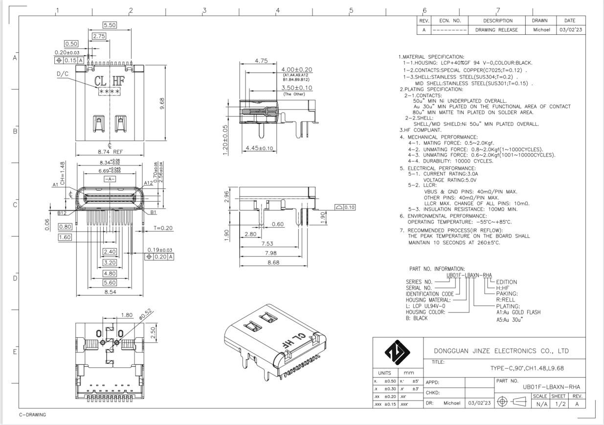
Технические характеристики:
| Текущий рейтинг | 3,0 ампера |
| Уровень напряжения | 5 В переменного тока |
| Контактное сопротивление | 40 мВт Макс. |
| Выдерживаемое напряжение | 100 В переменного тока в минуту |
| Изоляционное сопротивление | 100 мВт мин. |
| Сопрягающая сила | 0,5-2,0 кгс |
| Разобщающая сила | 0,8-2,0 кгс |
| Цикл долговечности | 10000 циклов |
| Рабочая Температура | от -55℃ до +85℃ |
| Контактный материал | Специальная медь |
| Контактное покрытие | Ni+Au+Олово |
| Материал изолятора | ЛКП |



UB01F-LBAX0-RHA.pdf, если вам нужен чертеж, пожалуйста, загрузите его