Английский стандарт Bs1362 3a сплавляет материал трубки сертификата ASTA керамический
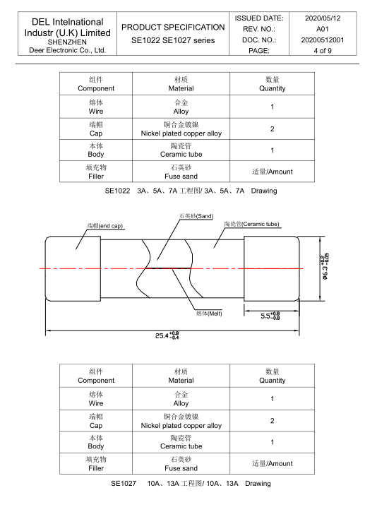
Материал:
Ноумен: Керамический
Штыри: Сплав никеля покрытый медный
Характеристики продукта:
|
Расклассифицированное напряжение тока 额定电压 |
240VAC |
патентная защита 保护专利 |
GB2410626 |
| Расклассифицированное настоящее 额定电流 | 3A/5A/7A/10A/13A |
Разрывная мощность 分断能力 |
AC6KA |
|
Соотвествуйте 符合要求 |
UL248, Европейская инструкция RoHS 和 |
Примечания 备注 |
UL |
мастерская продукции:

Сертификат TUV:






Испытательное оборудование:


Аттестация CCC:

Горячие бирки: эквивалент к bussman, Китаю, изготовителям, поставщикам, фабрике, эквиваленту к взрывателям Eaton Bussmann, высоковольтным типам взрывателя, взрывателю силы оба быстрых взрывателя действующих и задержки по времени, контакты предохранительного патрона силы специальности, взрыватель BS1362, быстрое дуновение керамическое, взрыватель заменяет взрыватель Bussmann, низкоточный 240VAC взрыватель, взрыватель сертификата ASTA