
800amp взрыватель полупроводника керамический гибридный EV
Спецификация взрывателя 800amp
Оценка напряжения тока: AC690V/DC750V
Оценка ампеража: 5A~800A
Прерывая оценка: AC100KA/DC50KA@AC690V /DC750V
Тип защиты: aR
Intstallation: Доступный в болте
Утверждения: UL248-20, ISO8820, JASO-D622, IEC60269-1, RoHS compilant.
Применение взрывателя 800amp
Применимый к преобразователю частоты, выпрямителю тока, инвертору, различным типам электропитания и другого оборудования полупроводника, и батарее силы, электрическому двигателю, конденсатору, кабелю и оборудованию или короткому замыканию и резервной защите компонента. Этот продукт имеет хорошую сопротивляемость при колебательном движении и пламя - retardant представление. Соответствующий для применений окружающей среды вибрации как переход рельса и моторные транспорты.
Материал взрывателя 800amp
| Части | Материал |
| Контакт конца | Медный сплав |
| Тело взрывателя | Стекло - волокно |
| Заполнитель | Кварцевый песок |
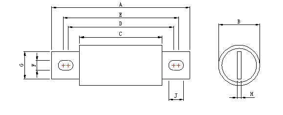
Размер взрывателя 800amp

| Код размера | A±2 | B±1.5 | C±1 | D±1.5 | E±1.5 | F±1 | G±0.5 | H±0.2 | J±1 |
| HT2 | 110 | 22 | 69 | 84 | 95,5 | 9 | 15 | 3,3 | 14,75 |
| HT3 | 129 | 36,5 | 72 | 88 | 109 | 10,5 | 25 | 6 | 20,7 |
| HT4 | 129 | 50 | 72 | 88,6 | 109 | 10,5 | 38 | 6 | 20,7 |
Код размера
HT1: 5A-30A, болт M6 Mouting порекомендовало вращающий момент 4N·m
HT2: 35A-100A, болт M8 Mouting порекомендовало вращающий момент 11N·m
HT3: 125A-275A, болт M10 Mouting порекомендовало вращающий момент 20N·m
HT4: 300A-500A, болт M10 Mouting порекомендовало вращающий момент 20N·m
HT5: 600A-800A, болт M12 Mouting порекомендовало вращающий момент 28N·m
Номер системы части

Спецификация пакетов:
| Код | Спецификация |
| HT2 |
|
| HT3 |
|
| HT4 |
|
вопросы и ответы
Вопрос: Чего вроде тесты вы типично выполняют внутренне на взрывателях?
Ответ: Мы испытаем время повышения температуры, сплавлять и сопротивление взрывателя