Обвайзера омеги обвайзера дока PIANC бампер морского резинового гипер прочный Berthing
Описание
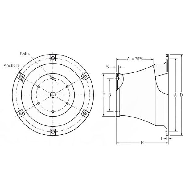
Гипер обвайзеры омеги улучшенная версия типа обвайзера клетки недавно ввели и порекомендовали для всего типа применений включая высокие приливные места изменения. Эта продвинутая особенность меньших высот обвайзеров улучшает возможности погрузо-разгрузочной работы кранов сосуда которая уменьшает общую стоимость проекта. Должный к геометрической форме обвайзеров она может отклонить больше и она может абсорбция, может быть достигана путем использовать 2 идентичных обвайзера конуса в спина к спине расположении. Для того чтобы распределить реактивную силу, гипер обвайзеры омеги типично поставлены с большими панелями обвайзера, которые держат низкий уровень давления корпуса. Гипер обвайзеры омеги имеют хорошую абсорбцию энергии к коэффициенту реактивной силы; Интегрированные и полн-врезанные фланцы обвайзера делают собрание & установку простыми; Хорошее сопротивление силы ножниц должное к большому диаметру фланцов обвайзера; Большой след ноги обвайзера с хорошим распределением силы смог привести к относительному светлому панельному домостроению, гипер омеге резиновый обвайзер принимает сплющенную резину с железным каркасом на голове.
Спецификации
| Место происхождения | Китай |
| Фирменное наименование | Группа DockFender |
| Номер модели | DF-HOF1000 |
| Название продукта | Обвайзера омеги обвайзера дока PIANC бампер морского резинового гипер прочный Berthing |
| Материал | Природный каучук высокой эффективности |
| Гарантия | 3 лет |
| обслуживание После-продажи | Свободные запасные части |
| QC | PIANC, DNV |
| Норма бесопасности | ISO9001 |
| Аксессуары | Болт, гайка, шайба |
| Цвет | Требования к клиентов |
| Высота | 500-1800 mm |
| Применение | Порт, док, шлюпка |

| H | ΦD | ΦA | ΦF | ΦB | S | T | Отладки |
| 350 | 570 | 510 | 330 | 275 | 27-32 | 22 | 4 x M20 |
| 400 | 600 | 540 | 340 | 260 | 30-40 | 22 | 4 x M24 |
| 500 | 750 | 675 | 425 | 325 | 30-40 | 22 | 4 x M24 |
| 600 | 900 | 810 | 510 | 390 | 30-40 | 27 | 6 x M30 |
| 700 | 1050 | 945 | 595 | 455 | 37-47 | 27 | 6 x M30 |
| 800 | 1200 | 1080 | 680 | 520 | 40-52 | 27 | 6 x M36 |
| 860 | 1290 | 1160 | 730 | 560 | 40-52 | 30 | 6 x M36 |
| 900 | 1350 | 1215 | 765 | 585 | 40-52 | 33 | 6 x M36 |
| 950 | 1425 | 1282 | 810 | 618 | 40-52 | 34 | 6 x M36 |
| 1000 | 1500 | 1350 | 850 | 650 | 50-65 | 35 | 6 x M42 |
| 1100 | 1650 | 1485 | 935 | 715 | 50-65 | 40 | 6 x M42 |
| 1150 | 1725 | 1550 | 980 | 750 | 50-65 | 40 | 6 x M42 |
| 1200 | 1800 | 1620 | 1020 | 780 | 50-65 | 42 | 8 x M42 |
| 1250 | 1875 | 1690 | 1060 | 810 | 50-65 | 44 | 8 x M42 |
| 1300 | 1950 | 1755 | 1105 | 845 | 65-80 | 46 | 8 x M48 |
| U00 | 2100 | 1890 | 1190 | 980 | 65-80 | 49 | 8 x M48 |
| 1450 | 2175 | 1960 | 1232 | 1035 | 65-80 | 51 | 8 x M48 |
| 1500 | 2250 | 2025 | 1275 | 1090 | 65-80 | 51 | 8 x M48 |
| 1600 | 2400 | 2160 | 1360 | 1200 | 65-80 | 58 | 8 x M48 |
| 1800 | 2700 | 2430 | 1530 | 1350 | 80-100 | 62 | 10 x M56 |
| 2000 | 3000 | 2700 | 1700 | 1500 | 80-100 | 62 | 10 x M56 |
Особенности
1. Хороший доказанный дизайн
2. Высокая эффективность
3. широкий диапазон размеров
4. Хорошее угловое представление
5. аттестованный PIANC испытанный и
6. Стандартные и промежуточные резиновые ранги
Применения
●Monopiles
●Высокие приливные зоны
●Терминалы ДОЛГОТЫ и топливозаправщика
●Койки RoRo и быстрого парома
●Военноморские объекты
Резиновые свойства
Резиновые смеси конструированы на длинная жизнь в морских окружающих средах. Все обвайзеры сделаны используя высококачественные естественные и/или синтетические резиновые смеси, сформулированные для высокой эффективности и надежности.
Резиновые смеси включают добавки для того чтобы сопротивляться влияниям озона и ультрафиолетового света. Процесс вулканизования строго проконтролирован для обеспечения однородного продукта с превосходными физическими свойствами и резины к прочностям скрепления металла.
Наши отлитые в форму резиновые смеси обвайзера также исполняют к callouts ASTM d 2000:
3BA 720 A14 B13 C12 EA14 F17
3BA 620 A14 B13 C12 EA14 F17
| Физические свойства | Блок | Метод теста | Значение | Тест |
| Прочность на растяжение | MPa | ISO 37 | ≥16 | Да |
| Удлиненность на перерыве | % | ISO 37 | ≥350 | Да |
| Прочность разрыва | N/mm | ISO 34-1 (могилы) | ≥70 | Да |
| Твердость | HA | ISO 868 | ≤78 | Да |
| Изменение в прочности на растяжение |
% |
ISO 188 |
≤20 |
Да |
| Постаретый для 96h на 70°C | ||||
| Изменение в удлиненности на перерыве |
% |
ISO 188 |
≤20 |
Да |
| Постаретый для 96h на 70°C | ||||
| Изменение в твердости |
HA |
ISO 868 |
≤6 |
Да |
| Постаретый для 96h на 70°C | ||||
| Набор обжатия | % | ISO 815 | ≤30 | Да |
| Сопротивление озона |
– |
ISO 1431-1 |
Отсутствие отказов |
Да |
| 50pphm на напряжении 20%, 40°C, 100h | ||||
| Изменение тома в масле (масле ASTM 1) | % | ISO 1817 | ≤10 | Optional* |
| Изменение тома в морской воде |
% |
ISO 1817 |
– 5to+10 |
Optional* |
| NaCl 36g/литр; 28days, 95°C | ||||
| Сопротивление ссадины | mm ³ | ISO 4649 | ≤100 | Optional* |
| Скрепите прочность | ² N/mm | ISO 814 | ≥7 | Optional* |
| DynamicFatigue* (15000 циклов) | - | ISO 132 | Ранг 0-1 | Optional* |
| Сопротивление низкой температуры | - | ISO 812 | Пропуск | Optional* |



