Обвайзеры Keyhole спецификаций PIANC тащат тип смычок & кормовой обвайзер обвайзеров K350 шлюпки бампера
Описание
Обвайзеры шлюпки TTug (обвайзеры отверстия для ключа) самый разносторонний смычок & кормовой обвайзер используемые на шлюпках гужа, небольшое гаван ремесло, и паромы. Они предлагают максимальную защиту к гужам и паромам с типичными возможностями профиля и нагрузки поглощая. Эти очень легки для установки и для замены, таким образом делающ обслуживание свободной от перебранка. Делаемый из высокой ссадин-устойчивой резины эти обвайзеры показывают хорошие свойства гибкости.
Спецификации
| Название продукта | Обвайзеры Keyhole спецификаций PIANC тащат тип смычок & кормовой обвайзер обвайзеров K350 шлюпки бампера |
| Конструкционный материал | Высокопоставленная резина |
| Цвет | Черный, зеленый, голубой, серый цвет |
| Нормальный размер | 200mm, 250mm, 300mm, 350mm |
| Логотип | Подгонянный логотип доступный |
| Поверхность | Сияющий или скучный |
| Обеспечьте обслуживание | Резиновые формование прессованием, резиновое к прессформе металла, резиновой прессформе штранг-прессования и изготовленной на заказ резиновой прессформе |
| Формат файла | Твердые работы, Pro/инженер, автоматический CAD, PDF, JPG |
| Примечания | Вышеуказанные размеры стандартный, подгонянный размер доступный. |

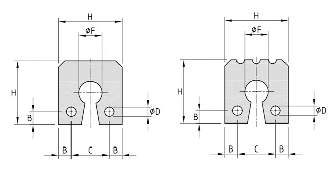
| Модель | H | B | C | D | F | Lmax |
| Keyhole | [mm] | [mm] | [mm] | [mm] | [mm] | [mm] |
| DF-K200 | 200 | 35 | 130 | 28 | 90 | 2000 |
| DF-K250 | 250 | 50 | 150 | 33 | 100 | 2000 |
| DF-K300 | 300 | 60 | 180 | 33 | 115 | 2000 |
| DF-K350 | 350 | 70 | 210 | 33 | 125 | 2000 |
| *Note: Другие размеры можно подгонять согласно требованиям. | ||||||
Особенности
1. Сильно устойчивый к УЛЬТРАФИОЛЕТОВЫМ лучам.
2. Прямодушная и простая установка.
3. Сильно прочный и сильный.
4. Доступный в по существу всех длинах.
Применения
●Буксиры & работ-шлюпки
●Стороны набережной
●Баржи
Преимущества
1. Качество: Обвайзеры шлюпки гужа DockFender всегда поддерживают высококачественное. Мы настаиваем дальше используя природный каучук 100%, соединенный с особенным дизайном угла, так, что наши обвайзеры шлюпки гужа резиновые смогут быть более прочны и выполнять лучшее.
2. Обслуживание: DockFender придерживается принципа клиента сперва. Наша профессиональная команда обслуживания клиента не может только обеспечить вас с самыми профессиональными рекомендациями продукта, но также помочь вас подгонять решения проекта.
3. Послепродажное обслуживание: Обвайзеры шлюпки гужа DockFender можно гарантировать на 24 месяца. Покуда вы используете его нормально, мы можем гарантировать замену для всех проблем качества продукции во время периода гарантии.
4. Подгоняйте: Все продукты DockFender можно специально подгонять согласно требованиям клиента, позволили нам знать ваши потребности!
Осмотр & сертификаты
Мы используем современную технологию для того чтобы конструировать и изготовить, и через неукоснительную опытную эксплуатацию.
Следующие тесты быть проведенным:
- Резиновая проверка технических характеристик включая растяжимое, озон и испытание на абразивное изнашивание
- Абсорбция энергии и тест реакции
Наш отдел QC проверит каждый продукт и предложит ОТЧЕТ О ПРОВЕРКЕ ФАБРИКИ перед доставкой. Мы можем также пригласить агенства включая CCS, ABS осмотра третьей стороны, BV, LR, DNV-GL проверить и предложить сертификаты согласно требованиям клиента.
Проверите детали как ниже:
1. Резиновое растяжимое, озон и испытание на абразивное изнашивание.
2. Резиновые абсорбция энергии обвайзера и тест реакции.


