| Конструировал защитить шкафы от фронта, удары стороны и царапины кораблями рабочего места. Оно сделан высокомолекулярного материала полимера и использует пластиковую прессформу дуновения. Положите протектор на полку для поглощения и для того чтобы отклонить ударов, перенося энергию вокруг шкафа а не до конца оно, предотвращающ повреждение к стойкам. Они новаторские и эффективные решения. Оно может улучшить безопасность склада и центра распределения. |
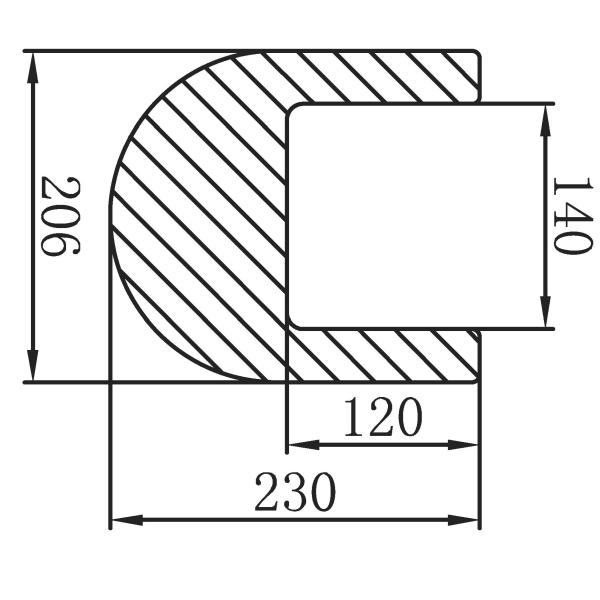
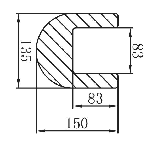
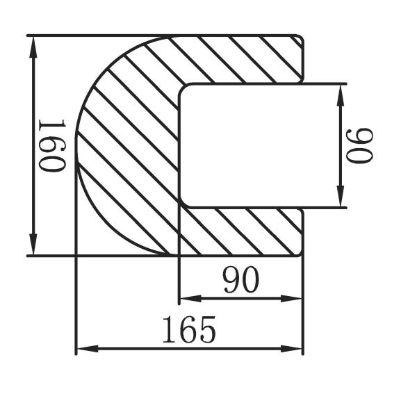
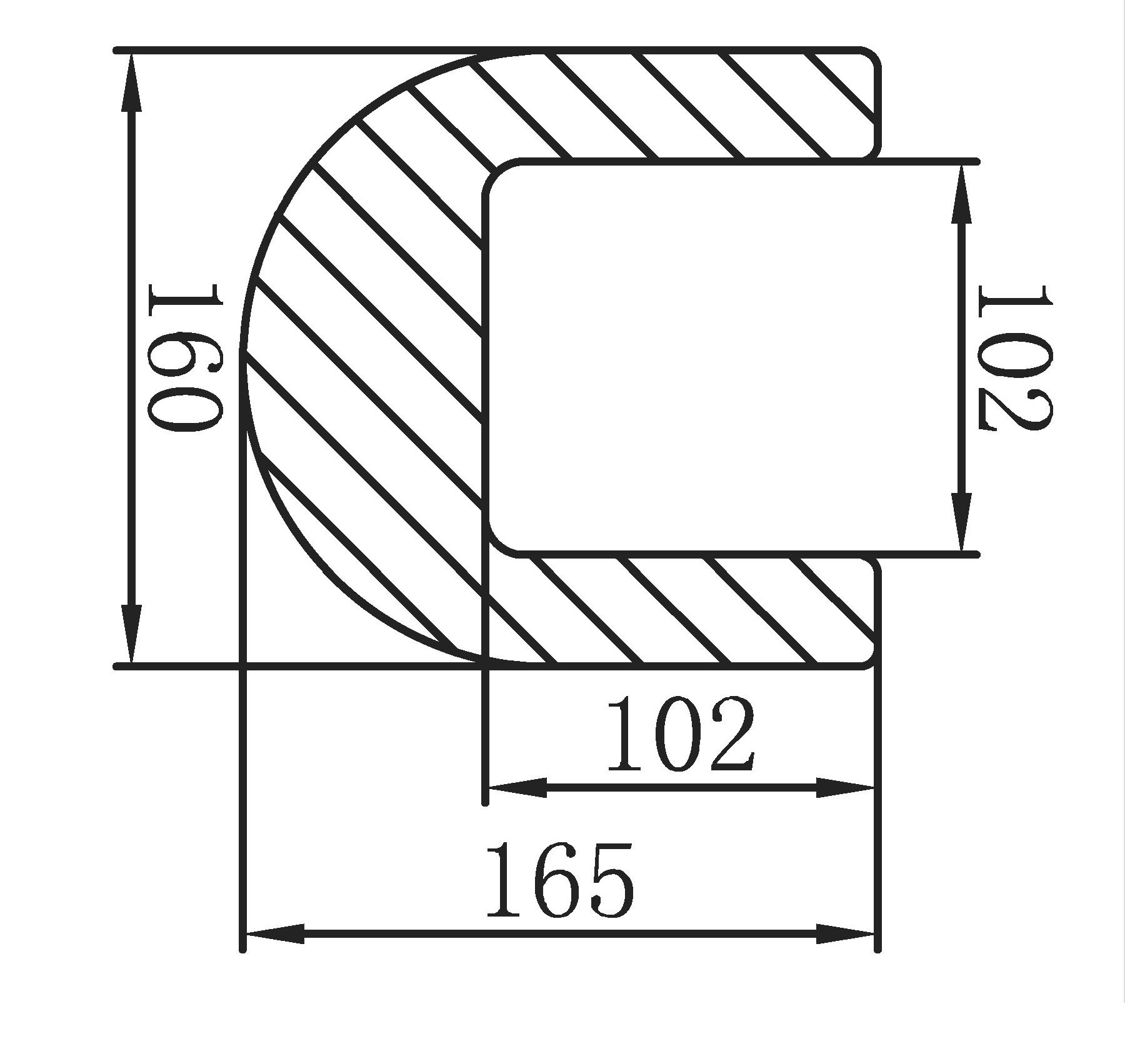
| Модель | Высота | Внешняя ширина | Внутренняя сторона | Диаграмма размера |
|
NY-NRB-2 |
450MM | 135MM | 83MM | ![]() |
| NY-NRB-3 | 450MM | 160MM | 90MM | ![]() |
| NY-NRB-4 | 450MM | 160MM | 102MM | ![]() |
| NY-NRB-5 | 450MM | 206MM | 120MM | ![]() |
| NY-NRB-6 | 450MM | 206MM | 140MM | ![]() |
Особенности
|
![]() |

![]() |
||
