Путешествовать система 3Ton надземного крана одиночного прогона EOT электрическая
Характер продукции
Путешествующ система 3Ton надземного крана одиночного прогона EOT электрическая, с легковесом, компактная текстура, низкое энергопотребление. Европейский кран принимает уникальную идею проекта, с небольшим размером, облегченные, небольшие характеристики давления колеса. Сравненный с традиционным краном, окончательное расстояние от крюка к стене самые небольшие, и высота зазора самые низкие, которые ближе к передней деятельности, и поднимаясь высота выше, которая фактически увеличивает эффективную рабочую зону существующей мастерской.

Преимущества продукта
Путешествовать система 3Ton надземного крана одиночного прогона EOT электрическая ИСПОЛЬЗУЕТ высокопрочную гальванизированную веревочку стального провода, тарельчатые тормозы, машину замедляет трудного фланка зуба, programmable поднимающего вверх потолка, предотвращает аппаратную конфигурацию, как проводник веревочки подвеса для того чтобы установить контроль в реальном времени, электронный стабилизатор, медленно двигая функция, функция самого малого хода, нул скоростей завиша, связь 4 g удаленная, удаленный диагноз, умные модульные функции как режим автоматического управления, умная легкая регуляция.
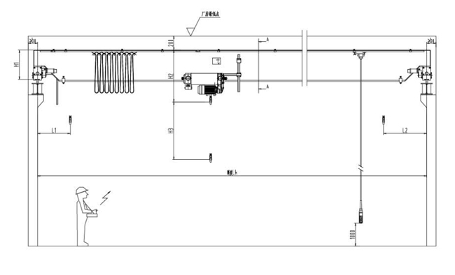
Главный прогон европейского крана одно-луча главным образом принимает в форме я сталь или совмещенный раздел стальных типа и стальной пластины, и поднимая вагонетка часто составлена нарисованного вручную подъема, электрической лебедки или подъема как часть поднимая механизма, используемого в различных случаях для того чтобы поднять товары.
Чертежи продукта
