Гнездо гнезда 32A IP44 промышленное 16Amp 220V водоустойчивое электрическое промышленное

Настоящий (a): 16A/32A
Напряжение тока (v): 220-240V |
Поляки: 2P+E
Код: YG513, YG523
Степень защиты: IP44
| Положение контакта земли | 6h | ||
| Расклассифицированное настоящее (a) | 16 | 32 | |
| Поляк | 3 | ||
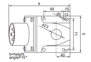
| Размер (mm) | a | 121 | 131 | 
| b | 76 | 83 | |
| Зона поперечного сечения кабеля номинальная (㎟) | 1-2.5 | 2.5-6 | |

------------------------------------------------------------------------------

Настоящий (a): 16A/32A
Напряжение тока (v): 380-415V |
Поляки: 3P+E
Код: YG514, YG524
Степень защиты: IP44
| Положение контакта земли | 6h | ||
| Расклассифицированное настоящее (a) | 16 | 32 | |
| Поляк | 4 | ||
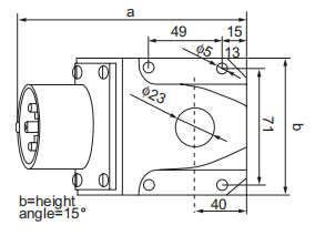
| Размер (mm) | a | 121 | 131 | 
| b | 76 | 83 | |
| Зона поперечного сечения кабеля номинальная (㎟) | 1-2.5 | 2.5-6 | |

---------------------------------------------------------------------------------------------------

Настоящий (a): 16A/32A
Напряжение тока (v): 220-380V/240-415V~
Поляки: 3P+N+E
Код: YG515, YG525
Степень защиты: IP44
| Положение контакта земли | 6h | ||
| Расклассифицированное настоящее (a) | 16 | 32 | |
| Поляк | 5 | ||
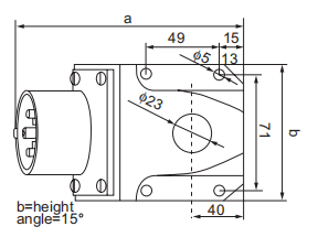
| Размер (mm) | a | 123 | 132 | 
| b | 79 | 86 | |
| Зона поперечного сечения кабеля номинальная (㎟) | 1-2.5 | 2.5-6 | |
