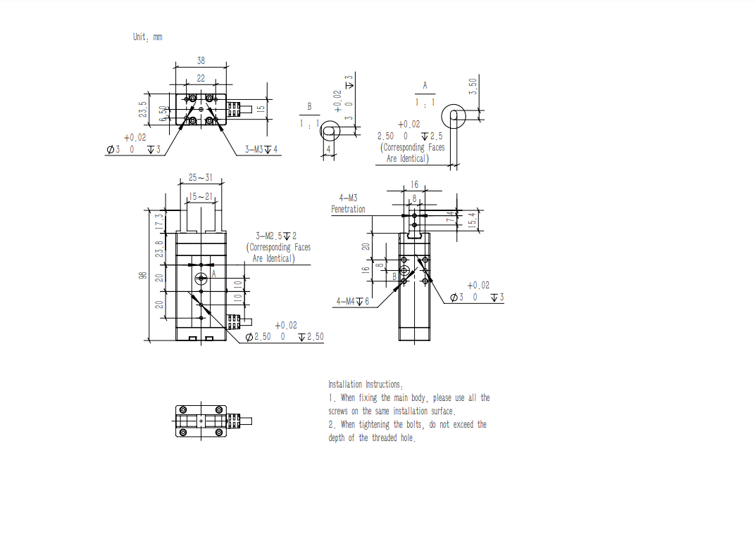
Новая компактная электрическая челюсть зажимника, Compact Electric Finger (RM-EGB-06H-16D-1-D0200), которая известна своим сверхвысоким уровнем интеграции и выдающимися инновациями и разрушениями.Сила зажима регулируется в четырех уровнях 6/30/60/85N, самое быстрое время открытия/закрытия - 0,18/0.18Это не только удобнее с точки зрения размера, качества и установки, но и лучше с точки зрения крепления силы, скорости и точности,который может без усилий заменить традиционные воздушные когти, уменьшить сложность сборки и накладные расходы на техническое обслуживание и повысить производительность и качество.
RM-EGB может использоваться с промышленными роботами, роботами совместной работы или другим оборудованием автоматизации для выполнения функций захвата, подъема, сборки, обработки, погрузки и разгрузки деталей.Он имеет преимущества большой зажимательной силы, большой зажимательный ход, легкая проводка, распознавание зажима, высокая жесткость и т. д., которая намного превосходит ту воздушных захватчиков.и является электрическим захватчиком промышленного класса с сроком службы до 10 миллионов циклов.
