ИЭК60061 - 3 датчика на датчик 7006 -10 крышки лампы крышки Б22 лампы, 7006 до 11, 7006 - 4А
«Не пойти» датчик для крышек Б22 на законченных лампах (7006-10-8)
Цель: проверить размер а МИН. крышек Б22 на законченных лампах.
Испытывать: крышки на законченных лампах уверятся для того чтобы быть правильны если датчик не проходит над крышкой своим собственным весом.

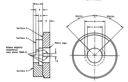
«Идут» датчики для крышек Б22 на законченных лампах (7006-11-8)
Цель: проверить размер а максимальный, минуту н, Д1 максимальный, и дяметриал положение штырей крышек Б22 на законченных лампах.
Испытывать: крышка войдет датчик до тех пор пока штыри не пройдут через К. слотов. Крышка после этого повернута через малоугольное и отжата так, что штыри находятся в плотном контакте с поверхностью С. В этом положении, контакт-делая поверхность не будет под поверхностью кс ни не ИТ-проект за поверхностью З.

Датчики для испытывать ввод крышек в Ламфолдерс Б22 (7006-4А-2)
Цель: для проверки Б22д покрывают размеры для ввода крышки на законченной лампе в ламфолдер.
Испытывать: без использования несвоевременной силы будет возможно ввести крышку в датчик до тех пор пока штыри не пройдут совершенно через слоты.

Приемочный калибр для крышек Б22д запланировал для автоматический продевать нитку провода (7006-3-1)
Цель: проверить пригодность для автоматический продевать нитку провода крышек Б22д как показано на листе 7004-10.
Испытывать: была приняты, что будет крышка правильна если ее можно ввести ровно в датчик, то до тех пор пока плиты контакта крышки не будут касаться поверхностному ы датчика.

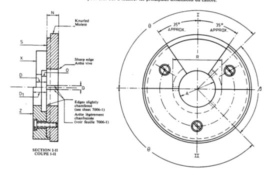
«Идет» датчик для крышка Б22д -3 (900/1350)/25*26назаконченныхлампах(7006-19-2)
Цель: для контроля размеров а максимального, минуты н, минуты д, Д1 максимального, и углового положения проиллюстрированных штырей на листе 7004-10А.
Испытывать: крышка войдет датчик до тех пор пока штыри не пройдут через К. слотов. Крышка после этого повернута через малоугольное и отжата так, что штыри находятся в плотном контакте с поверхностью С. В этом положении контакт делая поверхность не будет под поверхностью кс ни не ИТ-проект за поверхностью З. «н» диаметра тестов датчика крышки для достаточной длины обеспечить взаимозаменяемость крышек в держателе.
| размер | Б22 | Допуск | Размер | Б22 | Допуск |
| А | 22,15 |
+0,01 -0,0 |
К | 2,50 |
+0,0 -0,04 |
| Д | 6,00 |
+0,0 -0,01 |
Р | 29,5 |
+0,0 -1,0 |
| Д1 | 8,00 |
+0,02 -0,0 |
θ | 1350 |
+5' -5 ' |
| Н | 6,70 |
+0,0 -0,01 |
β | 900 |
+5' -5 ' |
| О | 3,05 |
+0,0 -0,1 |

Примечание: Мы принимаем подгонянные датчики, пожалуйста как раз отправляем нами числовое изображение на дознании, все гагуэс могут пройти тарировку трех-лаборатории и получить серитификатес ауторизед КНАС (ИС017025).