ИЭК60061 - датчик крышки лампы 3 Г13 идет датчик 7006 до 45 и никакой идут датчик 7006 до 44
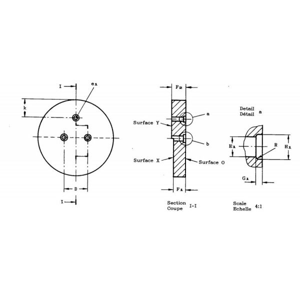
«Идет» датчик для крышки Г13 Би-штыря на законченных лампах (7006-45-4)
Цель: проверить размеры е максимальные, минуты ф, ф максимальный, и совмещенные диаметр штыря и смещение штыря (включая боссы) би-штыря покрывают Г13 на законченных лампах.
Испытывать: штыри крышек на законченных лампах войдут датчик на поверхность о и, когда полно введенный, поверхности крышки и датчик контактируют. В этом положении конец штырей будет копланарн с или проекты за поверхностью кс, но не запроектирует за поверхностью И. Каждый индивидуальный штырь впишет отверстие е1 на поверхность о до тех пор пока сторона крышки и поверхность датчика не контактируют.
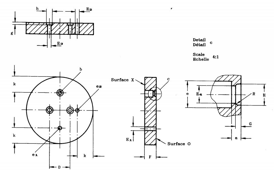
«Пойдите» и «не пойти» датчик для Унмоунтед Би-Пин крышки Г13 (7006-44-4)
Цель: для проверки минуты размеров е, е максимальный, минута ф, г максимальный, х максимальный, и совмещенные диаметр штыря и смещение штырей (включая боссы) унмоунтед би-штыря покрывает Г13.
Испытывать: штыри крышки войдут датчик на поверхность о и, когда полно введенный, поверхность крышки и датчик контактируют. В этом положении концы штырей будут копланарны с или проект за поверхностью кс. Каждый индивидуальный штырь впишет отверстие е2 до тех пор пока босс штыря и поверхность датчика не контактируют, но они не впишет отверстие е1. Босс индивидуального штыря впишет отверстие б на поверхность о до тех пор пока поверхность крышки и датчик не контактируют.
Изображение:

7006-44-4

7006-45-4
Список:
| Числовое изображение | Описание |
| Датчик крышки лампы Э27 | |
| 7006-27Б-1 | «Идет» датчик для крышек Э27 на законченных лампах |
| 7006-27К-1 | «Идет» датчик для размера «С1» крышек Э27 на законченных лампах |
| 7006-28А-1 | «Не пойти» датчик для крышек Э27 на законченных лампах |
| 7006-50-1 | Датчик для законченных ламп приспособленных с крышками Э27 для испытывая делать контакта |
| 7006-51-2 | Датчик для крышек на законченных лампах для испытывая защиты против случайного контакта |
| 7006-51А-2 | Датчик для крышек на законченных лампах для испытывая защиты против случайного контакта во время ввода |
| Датчик крышки лампы Э14 | |
| 7006-27Ф-1 | «Идет» датчик для крышек Э14 на законченных лампах |
| 7006-27Г-1 | «Идет» датчик для размера «С1» крышек Э14 на законченных лампах |
| 7006-28Б-1 | «Не пойти» датчик для крышек Э14 на законченных лампах |
| 7006-54-2 | Датчик для законченных ламп приспособленных с крышками Э14 для испытывая делать контакта |
| 7006-55-2 | Датчик для законченных ламп приспособленных с крышками Э14 для испытывая защиты против случайного контакта |
| Датчик крышки лампы Э12 | |
| 7006-27Х-1 | «Идет» датчик для крышек на законченных лампах |
| 7006-27Дж-1 | Дополнительный «идет» датчик для крышек на законченных лампах |
| 7006-28К-1 | «Не пойти» датчик для крышек на законченных лампах |
| 7006-32-1 | датчик для законченных ламп приспособленных с крышками Э12 для испытывая контакт-делать |
| Датчик крышки лампы Э26 | |
| 7006-27Д-3 | «Идет» датчик для крышек |
| 7006-29Л-4 | «Не пойти» датчик для крышек |
| 7006-29-3 | Датчик для испытывая контакт-делать ламп приспособленных с крышками |
| Датчик крышки лампы Э17 | |
| 7006-27К-1 | «Идет» датчик для крышек на законченных лампах |
| 7006-28Ф-1 | «Не датчик Го для крышек на законченных лампах |
| 7006-26Д-1 | Датчик для испытывая контакт-делать ламп приспособленных с крышками |
| Датчик крышки лампы Э39 | |
| 7006-24А-1 | Датчик для законченных ламп приспособленных с крышками Э39 для испытывая контакт-делать |
| 7006-24Б-1 | «Идет» датчик для крышек на законченных лампах |
| 7006-24К-1 | Датчик для испытывая контакт-делать ламп приспособленных с крышками |
| Датчик крышки лампы Э40 | |
| 7006-27-7 | «Идет» датчик для крышек на законченных лампах |
| 7006-28Д-1 | «Не пойти» датчик для крышек на законченных лампах |
| 7006-52-1 | Датчик для законченных ламп приспособленных с крышками Э40 для испытывая делать контакта |
| 7006-53-1 | Датчик для законченных ламп приспособленных с крышками Э40 для испытывая защиты против случайного контакта |
| Датчик крышки лампы Г13 | |
| 7006-44-4 | «Пойдите» и «не пойти» датчик для унмоунтед крышки Би-Пин |
| 7006-45-4 | «Идет» датчик для крышки БИ-Пин на законченных лампах |
| Датчик крышки лампы ГУ10 | |
| 7006-121-1 | Пойдите и не пойти датчик для оснований |
| Б22 & лампа Б22Д датчик крышки | |
| 7006-10-8 | Не пойти датчик для крышек на законченных лампах |
| 7006-11-8 | Идет датчик для крышек на законченных лампах БА9, Б15, БА15 & Б22 |
| 7006-4А-2 | Калибрует для испытывать ввод крышек в ламфолдерс Б15д, Б22д & БИ22д |
| 7006-4Б-1 | Датчики для испытывать удерживание крышек Б15д и Б22д в держателе |
| 7006-3-1 | Приемочный калибр для крышек Б22д запланированных для автоматический продевать нитку провода |
| 7006-17А-1 | Идет датчик для крышки на законченных лампах БИ22д |
| Датчик крышки лампы Г5 | |
| 7006-46-3 | Пойдите и не пойти датчик для Унмоунтед крышки БИ-ПИН |
| 7006-46А-3 | «Идет» датчик для крышки БИ-ПИН на законченных лампах |
| Датчик крышки лампы Б22 | |
| 7006-10-8 | Не пойти датчик для крышек на законченных лампах |
| 7006-11-8 | Идет датчик для крышек на законченных лампах БА9, Б15, БА15 & Б22 |
| 7006-4А-2 | Калибрует для испытывать ввод крышек в ламфолдерс Б15д, Б22д & БИ22д |
| 7006-4Б-1 | Датчики для испытывать удерживание крышек Б15д и Б22д в держателе |
| 7006-3-1 | Приемочный калибр для крышек Б22д запланированных для автоматический продевать нитку провода |
| 7006-17А-1 | Идет датчик для крышки на законченных лампах БИ22д |
| Датчик крышки лампы Б15 | |
| 7006-4А-2 | Крышка и держатель лампы Б15 ИДУТ и не пойти датчики |
| 7006-4Б-1 | Датчики для испытывать удерживание крышек Б15д и Б22д в держателе |
| 7006-10-8 | Не пойти датчики для крышек на законченных лампах БА9, Б15, Б22 и БИ22д |
| 7006-11-8 | Идут датчики для крышек на законченных лампах БА9, Б15, БА15 и Б22 |
| Датчик Ламфолдер Б15 | |
| 7006-12К-2 |
Дополнительный «идет» датчик для ламфолдерс Б15 |
| 7006-12Д-2 | «Не пойти» датчик/Ретентион для Ламфолдерс Б15 |
| 7006-15Б-1 | Датчики для проверки положения контакта и силы контакта в Ламфолдерс Б15д штифта |