Испытательное оборудование окружающей среды камеры пыли IEC60529 IP6X и IP5X с сертификатом CNAS
1. Введение камеры пыли IPX5/6:
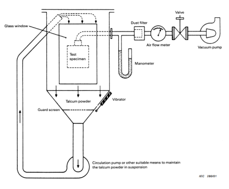
Пылезащитная камера теста конструирована согласно стандартам GB/T10485-2007, GB2423.37-2006 тесту l, GB4208-2008, IEC60529 (код IP), GB7001-1986 и etc. это оборудование главным образом использован в испытании IP5X и IP6X о leakproofness приложения.
Тест IP5X: защита удовлетворительна если сила не не аккумулировала в качестве, то которое может взаимодействовать правильную деятельность и причинять вредное к оборудованию.
Тест IP6X: защита удовлетворительна если никакой депозит пыли нет наблюдаемого результата внутри приложения в конце теста.
2. Параметры камеры пыли IPX5/6:
| Работая размер (mm) | 1000*1000*1000 ((подгонянное) L*D*H) |
| Наружный размер (mm) | 1450*1250*2030 (L*D*H) |
| Диапазон температур | RT+10~+40℃ |
| Ровность температуры | ≤2℃ |
| Флуктуация температуры | ≤±0.5℃ |
| Влажность | 45%-75% |
| Диаметр провода сети металла | 50μm |
| Интервал провода | 75μm |
| Скорость воздушного потока | ≤ 2.5m/s |
| Диапазон времени | 0~999H (регулируемое) |
| Время вибрации | 0-999H (регулируемое) |
| Точность времени | ±1s |
| Концентрация пыли | 2~4kg/m3 |
| Песок и пыль | порошок talcum, сухой порошок, затир цемента Портленда |
| Степень вакуума | 0-10Kpa (регулируемое) |
| Скорость опорожнения | 0-60L/H (регулируемое) |
| Циркуляторная система | Повторно использовать пыли |
| Распылять порошка и метод уменьшения пыли | Свободный |
| Условия труда | Температура: 15℃~35℃, влажность: ≤85%R.H. |
| Конфигурация | Наблюдайте окном для того чтобы оборудовать со счищателем окна, лампой, порошком сетки металла, talcum 2KG и etc. |
| Электророзетка для EUT | IP66, 220V/16A |
| Электропитание | 1.5KW, AC220V±10%, 50Hz (одиночная фаза) |
3. Особенности камеры пыли IPX5/6
1). Приложенный для теста IP5X и IP6X
2). Принимает дисплей цвета LCD и экран касания. PLC сделан Panasonic.
3). Раковина оборудования принимает высококачественную сталь, распыленную с политурой stoving.
4). Песок и пыль: Сухие порошок, затир цемента Портленда и etc.
5). Система управления: примите Programmable регулятор времени.
6). Прозрачный обзорный иллюминатор сделанный из ужесточатого стеклянного материала, работая камеры оборудованной с освещением СИД
7). Предохранительное устройство: предохранение от утечки, перегревает защиту
4. Pictrues:


