GB30720 Стандартизированные алюминиевые колбы для испытания энергоэффективности и энергоэффективности для бытовых газовых кулинарных приборов
1Введение.
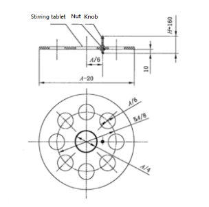
Стандартные алюминиевые плиты спроектированы в соответствии с GB30720:2014Испытательные кастрюли изготавливаются из алюминия коммерческого качества с плотностью 2700 кг/м2, и обработаны электрохимическим способом, чтобы сделать плиты мато-чёрными, чтобы соответствовать требованиям хрома L≤50, a≤±10, b≤±10.Использование затягивающего соединения для закрепления ртутного термометра с диапазоном отверстий 30,0 мм - 7,0 мм, подставка для перемешивания изготовлена из нержавеющей стали толщиной 1 мм.
2. Параметр
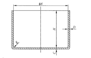
| Измеренная тепловая нагрузка/кВт | Обозначение кастрюли / мм | Объем воды для отопления /kg | ||||||||
| Внутренний диаметр, измеренный в верхней части φA | толщина основания В | толщина стороны D | внутренняя высота H | Внутренний радиус Е | Площадь основания /см2 | Масса /g | Масса крышки в граммах | |||
| ≤ 1.72 | 200 | 2 | 1.5 | 130 | 2.5 | 314 | 540 | 125 | 3 | |
| 2.08 | 220 | 140 | 3 | 380 | 680 | 149 | 4 | |||
| 2.48 | 240 | 150 | 3.5 | 452 | 800 | 177 | 5 | |||
| 2.91 | 260 | 2.5 | 1.8 | 160 | 531 | 965 | 208 | 6 | ||
| 3.36 | 280 | 170 | 615 | 1130 | 290 | 8 | ||||
| 3.86 | 300 | 180 | 707 | 1350 | 323 | 10 | ||||
| 4.40 | 320 | 190 | 804 | 1520 | 360 | 12 | ||||
| ≥ 4.95 | 340 | 200 | 4 | 907 | 1800 | 402 | 14 | |||
| Толерантность | ± 1% | ± 1% | 0 ~ 0.5 | ± 5% | ± 5% | |||||
| Требования к поверхностной обработке плиты: матовая черная дновая плитка, требования к хромированию: L≤50, -10≤a≤±10, -10≤b≤±10 (условия испытания: применение метода SCI, стандартный угол наблюдения 10°,использовать стандартный источник света D65) | ||||||||||
| Пэн: 
 
 
 
 
 
 
 
 | Крышка: 
 
 | |||||||||
| Перемешиватель и поднос для перемешивания   
 Примечание 1: A - внутренний диаметр сковороды, H - глубина сковороды Примечание 2: Материал деталей: блюдо для перемешивания изготовлено из алюминиевой пластины толщиной 1 мм, ручка изготовлена из φ4 стержня из нержавеющей стали | ||||||||||
 