Механическое уплотнение
Механические уплотнения использованы для того чтобы загерметизировать „влажную“ часть насоса и предотвратить утечку из запланированной влажной области
Конструктивные особенности
Одиночная сторона, неуравновешенная структура и управленный к коническая пружина, другая сторона закрытой катушки, который заперли на вале, весн-ране собранной с осевой раной насоса
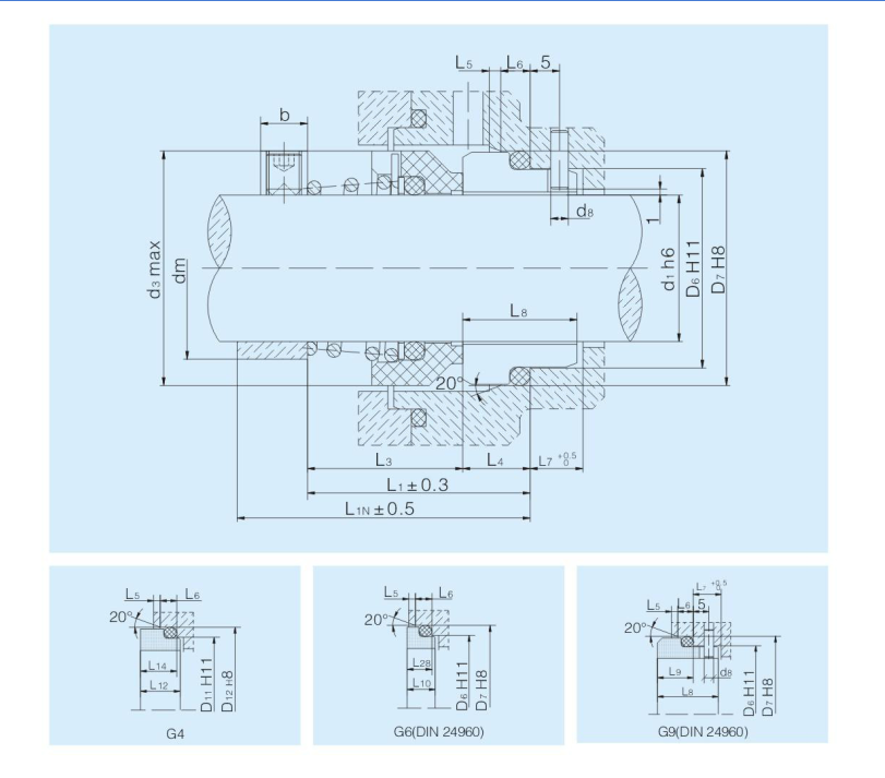
Размеры установки соответствуют стандарту GB6556. ISO3069 и Din24960, которые имеют широкий ряд применения.
Материалы (к DIN24960)
| Вспомогательное уплотнение: | PEV |
| Весна и другие части | F/G |
Работая пределы
| Температура: | -20~150℃ |
| Давление: | ≤15Mpa |
| Скорости: | ≤15m/sec |
Применения
Использованный в чистой воде, отработанной воде, обеспечивая циркуляцию насосах, и системах отопления
Средство
Масло, вода, и другая слабая въедливая жидкость
Таблица типов уплотнения (согласно материалам и роторной категоризации блока)
| Вращая блок | Неподвижное кольцо | |||
| G4 | G6 | G7 | ||
| Имя | Материалы | Q1, G, V | Q1, G, V | Q1, Q2, G, V |
| M2 | B | M2 | M2N4 | M2N |
Данные по размера



Механическое уплотнение
Меры предосторожности установки
1. Собрание должно быть чисто и ровно. Части механических уплотнений, родственные части машин и оборудование, инструменты, смазывая масло (тавот), обтирают материалы (хлопчатобумажную пряжу, белую ткань, шелк, etc.) должны быть очень чисты. Герметизируя конечная грань динамического и статического кольца должна быть обтерта с белым шелком или мягкой марлей.
2. Уравновешивающ и скашивающ скашивает, валы, крышки запаянного конца, etc. будет уравновешен ровно, и будут зашкурены и будут отполированы уместные углы вала и крышек конца.
3. Во время установки, приложите масло турбины или масло l0 на двигая кольце и статическом кольце (особенно на крови конца уплотнения), вспомогательных кольце уплотнения, вале, и крышке конца для уменьшения трения, для того НОП не повредить уплотнение статического кольца. Конечные грани и вспомогательные уплотнения.
4. Соберите вспомогательное герметизируя кольцо.
1) резиновые вспомогательные уплотнения нельзя выдержать и помыть с бензином или керосином для избежания запухания и деформации и преждевременного вызревания.
2) после того как колцеобразное уплотнение установлено на двигая собрание кольца или статическое собрание кольца, должно быть логически предотвратить его от быть переплетенным, так, что заусенец находится в поперечном сечении когда он свободен. Колцеобразные уплотнения которые немножко грубы на заусенце можно использовать если этап заусенца 45o. Однако, должен быть позабочен в положении заусенцев. При нажатии компонента, одной стороны колцеобразного уплотнения и скольжения уплотнения (полость железы или уплотнения) по отношению к одину другого. Заусенец на стороне должен быть за сползая направлением. В противном случае, заусенец будет повернут вверх и будет загерметизирован. В положении, он влияет на герметизируя влияние.
3) при нажатии собрания, предотвратите колцеобразное уплотнение от быть поврежденным. Основные формы повреждения падение, забоина, рему, скручиваемость и извив.
5. Отрегулируйте количество обжатия механического уплотнения согласно техническим требованиям. Для значения, см. руководство продукта. В противном случае, количество обжатия слишком большое, которое увеличивает специфическое давление на конечной грани и ускоряет ход носки конечной грани; если оно слишком небольшой, то специфическое давление на конечной грани двигая кольца и плотного кольца недостаточно, и уплотнение выходит из строя.
6. Статическое собрание кольца должно быть установлено в железу (или загерметизированную полость) используя прессу или сверля машину. Ни при каких условиях части или компоненты механического уплотнения были плотно сжаты. Отжатая поверхность должна быть покрыта с чистыми бумагой или тканью для избежания повредить запаянный конец.
7. После собирать двигая кольцо или статическое собрание кольца, отожмите кольцо компенсации вручную для проверки установлено ли оно на месте и ли оно гибкий; эластичный разделенный некоторые механические уплотнения, эластичное разделенное кольцо осев располагает кольцо компенсации) надежный располагать кольца (в.
8. Проверите соотвествует ли perpendicularity между запаянным концом и осью вала (или рукава вала).
9. Руководство штыря анти--вращения статического компонента кольца должно быть точно. При нажатии статического компонента кольца, паз штыря компонента необходимо выровнять со штырем. После нажимать на месте, определены, что определяет расстояние от поверхности конца компонента до один конец загерметизированной полости ли оно на месте.
10. Затягивая крышку конца путем затягивать болты, используйте даже силу, симметрию, и заботу. Затяните его несколько времен. Не затяните его в одно время для избежания уклонить или даже задавить статическое кольцо.
11. После того как двигая кольцо установлено, его необходимо обеспечить что оно может двинуть осев на вал гибко (отжать весну с двигая кольцом и после этого весну назад свободно).
Больше продуктов
![]() | ![]() | ![]() | ![]() |
![]() | ![]() | ![]() | ![]() |
![]() | ![]() | ![]() | ![]() |

Гарантия:
Гарантия на один год от погруженный на дате. Во время гарантийного периода, наша компания обеспечит свободные легк-поврежденные запасные части для проблем причиненных нашим качеством продукции или сырья, за исключением damageable запасных частей причиненных деятельностью клиента неправильной искусственной. К тому же, после выдыха, наша компания обеспечивает стоить запасные части для обслуживания.
Наше обслуживание:
1. Сразу продажа фабрики
2. быстрый ответ к 2-8hours, частоты откликов сверх 92%
3. чувствуют, что свободно свяжут 24 часа телефонного звонка доступны, мы.
4. Все товары произведенные собой, мы снабжаем универсальные обслуживания от конструировать, печатая обработка. Клиенты могут обеспечить дизайн согласно вашей просьбе и образец делая, также мы можем посоветовать как сделать продукты согласно плановым ценам клиентов.
вопросы и ответы:
1. q: Что MOQ?
: Мы признаваем цельное.
2. q: Вы фабрика или торговая компания?
: Мы изготовитель.
3. q: Можете вы принять используя наш логотип?
: Да, мы можем сделать OEM для вас.
4. q: Что период гарантии?
: 1 год.
5. Q: Что условия платежа?
: Депозит T/T. 30% и 70% против экземпляра BL или LC 100% по предъявлении.