одновыходовое электропитание переключения 100В, значит хорошее электропитание заключенное АК/ДК.
Особенности:
Применения
Описание
Серия ЛРС-35 35В тип заключенный синьле-выходом электропитание с 30мм из дизайна низкопрофильного, принимающ входной сигнал полного диапасона 85-264ВАК, вся серия обеспечивает линию напряжения тока выхода 5В, 12В, 15В, 24В, 36В и 48В.
В дополнение к высокой эффективности до 89%, дизайн металлического случая сетки увеличивает тепловыделение ЛРС-35 которое вся серия приводится в действие от℃ -30через70℃подконвекциейвоздухабезвентилятора. Поставлятьвесьма-низкийрасход энергиинулевой нагрузки(болееменеечем0.2В), онопозволяетконцу выполнения процессалегковыполнятьвсемирнуюэнергитическую потребность. ЛРС-35имеетполныефункциизащитыианти--вибрацию5Гкапабликты. оноисполненсмеждународнымиправилами безопасностикакТУВЭН60950-1, ЭН60335-1, ЭН61558-1/2-16, УЛ60950-1иГБ4943. СерайсЛРС-35служаткаквысокая ценакрешениюэлектропитанияпредставлениядляразличныхпромышленныхприменений.
| Модель | ЛРС-350-5 | ЛРС-350-12 | ЛРС-350-15 | ЛРС-350-24 | ЛРС-350-36 | ЛРС-350-48 |
| Напряжение тока выхода Дк | 5В | 12В | 15В | 24В | 36В | 48В |
| Течение требуемой производительности | 60А | 29А | 23.2А | 14.6А | 9.7А | 7.3А |
| Раж течения выхода | 0-60А | 0-29А | 0-23.2А | 0-14.6А | 0-9.7А | 0-7.3А |
| Расклассифицированная сила | 300В | 348В | 348В | 350.4В | 349.2В | 350.4В |
| Волна и шум | 150мВп-п | 150мВп-п | 150мВп-п | 150мВп-п | 200мВп-п | 200мВп-п |
| Ряд напряжения тока РЕГУЛИРУЕМЫЙ | 4.5-5.5В | 10.2-13.8В | 13.5-18В | 21.6-28.8В | 32.4-39.6В | 43.2-52.8В |
| Допуск напряжения тока | ±3% | ±1.5% | ±1% | ±1% | ±1% | ±1% |
| Линия регулировка | ±0.5% | ±0.5% | ±0.5% | ±0.5% | ±0.5% | ±0.5% |
| Регулировка нагрузки | ±2% | ±1% | ±0.5% | ±0.5% | ±0.5% | ±0.5% |
| Эффективность | 83,5% | 85,0% | 86,0% | 88,0% | 88,5% | 89,0% |
| Ряд ввода напряжения АК | АК85~132АК/170~264В переключателем 47~63Хз; 240~370ВДК (переключатель на 230ВАК) | |||||
| Течение входного сигнала | 6.8А/115В 3.4А/230В | |||||
| Течение АК ИНнруш | Холодн-начало 60А/115В, 60А/230В | |||||
| Предохранение от перегрузки | Тип 110%~140% Потектион: Режим Хиккп, рекоберс автоматически после рековерд условия | |||||
| Предохранение от перенапряжения | 5.75-6.75В | 13.8-16.2В | 18.75-21.75В | 28.8-33.6В | 41.4-48.6В | 55.2-64.8В |
| Тип Потектион: Завершите работу с напряжением тока о/п, ре-силой дальше взять | ||||||
| Настройте время восхода | 1300мс, 50мс/230ВАК 1300мс, 50мс/115ВАК на полном лод | |||||
| Задержите время | 16мс/230ВАК, 12мс/115ВАК на полном лод | |||||
| Напряжение тока Витхстанд | И/П-О/П: 3.75КВАК, И/П-ФГ: 2КВАК, О/П-ФГ: 1.25КВАК | |||||
| Сопротивление изоляции | И/П-О/П, И/П-ФГ, О/П-ФГ: омы 100М 500ВДК /25 °К/70%РХ | |||||
| Работая температура | -30°К~+70°К | |||||
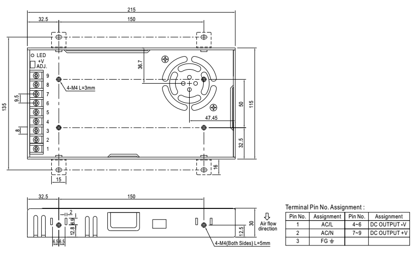
| Общий размер | 215*115*30мм | |||||
| Нормы бесопасности | Встреча УЛГБ4943 УЛ60950 ЭН60950 | |||||
| Стандарты ЭМК | Встреча ЭН55022, ЭН61000-3-2, ЭН61000-3-3, класс б ЭН55024 ГБ9254 | |||||
| Вес | 0.76Кгс | |||||
Механическая спецификация (в мм)
