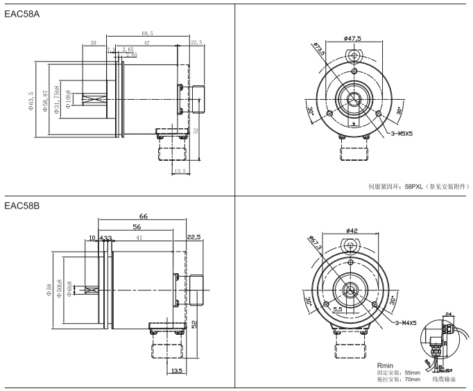
Стандартные серии кодировщика ЭАК58 одно-поворота абсолютной величины, с хорошим сопротивлением механического повреждения, способным для того чтобы выдержать высокое осевое и радиальные нагрузки, механические фланцы и электрические множественные формы выхода доступны для клиентов выбрать от. Разрешение до 8192, с функцией возврата обеспечить потребителей с более удобной деятельностью коррекции.
Особенности:

